Operation CHARM: Car repair manuals for everyone.
Manuals through 2025 now available!

Our trusted friends have launched a new website named LEMON, which has newer manuals. It also contains all the CHARM manuals.

LEMON is the spiritual successor to CHARM, I recommend you try it!

Link: lemon-manuals.la or lemon-manuals.org.ua

(Some people have issue connecting. LEMON is investigating. For now, use Firefox or change your DNS server)

Or, hide this message: temporarily or permanently

Housing Assembly HVAC: Service and Repair

HEATER UNIT

REPLACEMENT
1. Disconnect the negative (-) battery terminal.
2. Recover the refrigerant with a recovery/recycling/charging station.
3. When the engine is cool, drain the engine coolant from the radiator.




4. Remove the expansion valve cover(A).




5. Remove the bolts (A) and the expansion valve (B) from the evaporator core.
Plug or cap the lines immediately after disconnecting them to avoid moisture and dust contamination.




6. Disconnect the inlet (C) and outlet (D) heater hoses from the heater unit.

CAUTION: Engine coolant will run out when the hoses are disconnected; drain it into a clean drip pan. Be sure not to let coolant spill on electrical parts or painted surfaces. If any coolant spills, rinse it off immediately.

7. Remove the crash pad.
8. Remove the cowl cross bar assembly.
9. Disconnect the connectors from the temperature control actuator, the mode control actuator and the evaporator temperature sensor.




10. Remove the heater & blower unit after loosening 2 mounting bolts.




11. Remove the blower unit (B) from heater unit after loosening 3 screws.




12. Remove the heater core (B) after remove the cover (A).




13. Be careful that the inlet and outlet pipe are not bent during heater core removal, and pull out the heater core.




14. Remove the heater unit lower case (A).




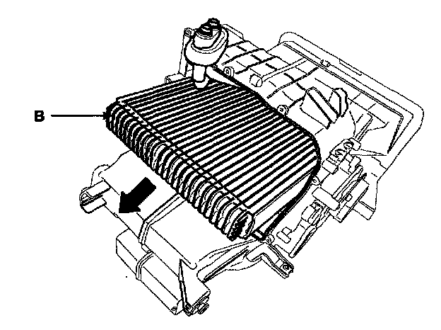
15. Remove the evaporator core (B).
16. Install the heater core in the reverse order of removal.
17. Installation is the reverse order of removal, and note these items :
- If you're installing a new evaporator, add refrigerant oil (ND-OIL8).
- Replace the O-rings with new ones at each fitting, and apply a thin coat of refrigerant oil before installing them. Be sure to use the right O-rings for R-134a to avoid leakage.
- Immediately after using the oil, replace the cap on the container, and seal it to avoid moisture absorption.
- Do not spill the refrigerant oil on the vehicle; it may damage the paint ; if the refrigerant oil contacts the paint, wash it off immediately.
- Apply sealant to the grommets.
- Make sure that there is no air leakage.
- Charge the system and test its performance.
- Do not interchange the inlet and outlet heater hoses and install the hose clamps securely.
- Refill the cooling system with engine coolant.