Operation CHARM: Car repair manuals for everyone.
Manuals through 2025 now available!

Our trusted friends have launched a new website named LEMON, which has newer manuals. It also contains all the CHARM manuals.

LEMON is the spiritual successor to CHARM, I recommend you try it!

Link: lemon-manuals.la or lemon-manuals.org.ua

(Some people have issue connecting. LEMON is investigating. For now, use Firefox or change your DNS server)

Or, hide this message: temporarily or permanently

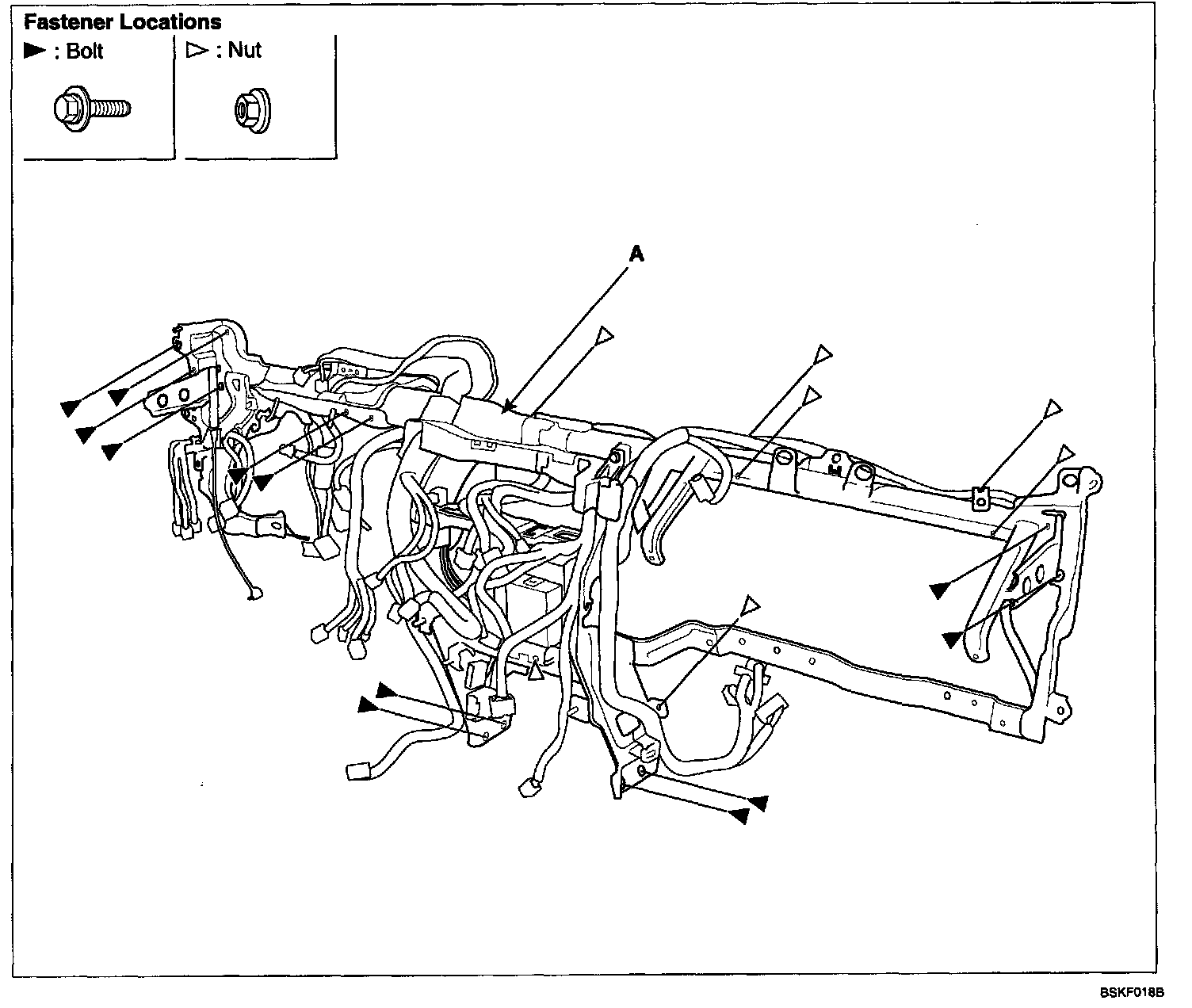
Passenger Compartment Cross Beam: Service and Repair

COWL CROSS BAR ASSEMBLY REPLACEMENT

NOTE:
- When prying with a flat-tipped screwdriver, wrap it with protective tape, and apply protective tape around the related parts, to prevent damage.
- Put on gloves to protect your hands.

1. Remove the crash pad.
2. Remove the connectors.
3. Loosen the bolts and nuts, then remove cowl cross bar assembly (A).
4. Installation is the reverse of removal.

NOTE:
- Make sure the crash pad fits onto the guide pins correctly.
- Before tightening the bolts, make sure the crash pad wire harnesses are not pinched.
- Make sure the connectors are plugged in properly, and the antenna lead is connected properly.
- Enter the anti-theft code for the radio, then enter the customer's radio station presets.