Operation CHARM: Car repair manuals for everyone.
Manuals through 2025 now available!

Our trusted friends have launched a new website named LEMON, which has newer manuals. It also contains all the CHARM manuals.

LEMON is the spiritual successor to CHARM, I recommend you try it!

Link: lemon-manuals.la or lemon-manuals.org.ua

(Some people have issue connecting. LEMON is investigating. For now, use Firefox or change your DNS server)

Or, hide this message: temporarily or permanently

Intake Manifold: Service and Repair

INTAKE MANIFOLD

COMPONENTS:





REMOVAL

CAUTION
^ Use fender covers to avoid damaging painted surfaces.
^ To avoid damage, unplug the wiring connectors carefully while holding the connector portion.


NOTE:
^ Mark all wiring and hoses to avoid mis-connection.

1. Remove the engine cover.
2. Remove the intake air hose and air cleaner assembly.
1) Disconnect the MAF connector(A).
2) Disconnect the breather hose(B) from air cleaner hose.
3) Remove the intake air hose and air cleaner assembly(C).





3. Disconnect RH oxygen sensor connector(A).





4. Disconnect RH injector connector(A) and ignition coil connector(B).





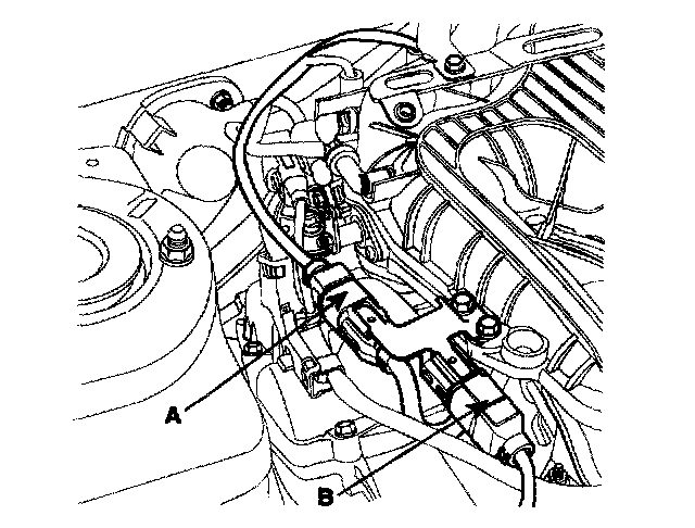
5. Disconnect PCSV connector(A), MAP sensor connector(B) and PCSV hose.





6. Disconnect ETC connector(A) and knock sensor connector(B).





7. Remove ETC bracket(A).
8. Disconnect water hoses(B) from ETC.
9. Disconnect PCV(C) hose.





10. Disconnect brake vacuum hose.
11. Remove surge tank stay.
12. Remove connector bracket(A) from surge tank.





13. Remove surge tank(A).





14. Disconnect breather Pipe assembly(A).





15. Disconnect LH injector connector.
16. Remove the delivery pipe and intake manifold together.

INSTALLATION
1. Install intake manifold and new gasket on the cylinder head.
Tightening torque
1st: 3.9 - 5.9Nm (0.4 - 0.6kgf.m, 2.9 - 4.3lb-ft)
2st: 18.62 - 23.52Nm (1.9 - 2.4kgf.m, 13.74 - 17.36lb-ft)
3st: Repeat 2nd step twice or move.

NOTE: Be careful of the installation direction.
a - h: 1st step order
1 - 8: 2nd step order





2. Install delivery pipe.
3. Connect LH injector connector.
4. Connect breather pipe assembly.
Tightening torque 9.80 - 11.76Nm (1.0 - 1.2kgf.m, 7.23 - 8.68lb-ft)
5. Install surge tank.
Tightening torque 9.80 - 11.76Nm (1.0 - 1.2kgf.m, 7.23 - 8.68lb-ft)
6. Install connector bracket on the surge tank.
Tightening torque 6.86 - 10.78Nm (0.7 - 1.1kgf.m, 5.06 - 7.96lb-ft)
7. Install surge tank stay.
Tightening torque 27.44 - 31.36Nm (2.8 3.2kgf.m, 20.25 - 23.14lb-ft)
8. Connect brake vacuum hose.
9. Connect PCV hose.
10. Connect water hoses to ETC.
11. Install ETC bracket.
Tightening torque 15.68 - 25.48Nm (1.6 - 2.6kgf.m, 11.57 - 18.80lb-ft)
12. Connect ETC connector and knock sensor connector.
13. Connect PCSV connector, MAP sensor connector and PCSV hose.
14. Connect RH injector connector and ignition coil connector.
15. Connect RH oxygen sensor connector.
16. Install air cleaner upper cover and intake hose.
17. Connect MAF(A) and breather hose.