Operation CHARM: Car repair manuals for everyone.
Manuals through 2025 now available!

Our trusted friends have launched a new website named LEMON, which has newer manuals. It also contains all the CHARM manuals.

LEMON is the spiritual successor to CHARM, I recommend you try it!

Link: lemon-manuals.la or lemon-manuals.org.ua

(Some people have issue connecting. LEMON is investigating. For now, use Firefox or change your DNS server)

Or, hide this message: temporarily or permanently

Removal and Replacement

ENGINE AND TRANSAXLE ASSEMBLY

REMOVAL

CAUTION:
^ Use fender covers to avoid damaging painted surfaces.
^ To avoid damage, unplug the wiring connectors carefully while holding the connector portion.


NOTE:
^ Mark all wiring and hoses to avoid misconnection.

1. Remove the engine cover.
2. Recover refrigerant, opening the high & low pressure pipe caps and connecting the refrigerant station.
3. Disconnect the negative terminal from the battery and remove the battery(A).





4. Remove the intake air hose and air cleaner assembly.
1) Disconnect the MAF connector(A).
2) Disconnect the breather hose(B) from air cleaner hose.
3) Remove the intake air hose and air cleaner assembly(C).





5. Remove the battery tray(A).





6. Remove the radiator grille upper cover(A).





7. Disconnect the RH and LH oxygen sensor connectors(A, B).





8. Remove the radiator upper and lower hoses(A).





9. Disconnect the automatic transaxle fluid cooler hoses(A).





10. Disconnect the high and low pressure pipes from the radiator or the compressor.
11. Disconnect engine wiring.
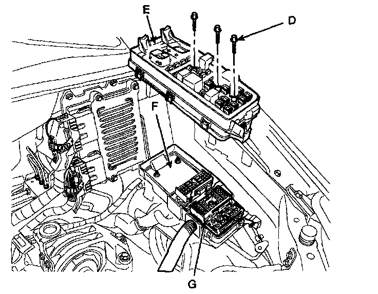
1) Remove the engine room fuse and relay box cover(A).
2) Disconnect the PCM connectors(B).
3) Disconnect the FAM connectors(C).





4) Unscrew the FAM mounting bolts(D-3EA) and take the FAM(E) out of the splash shield(F).
5) Disconnect the connector(G) from the splash shield(B).





12. Disconnect the transaxle wire harness connector and remove the transaxle control cable.
13. Remove heater hose(A).





14. Remove the brake vacuum hose(A).





15. Remove power steering pump hose.
16. Remove front wheels.
17. Remove the radiator grille upper cover(A) for convenience sake.





18. Disconnect the power steering return hose(A).





19. Remove the radiator support upper member assembly(A) for convenience sake.





NOTE: The bottom side bolt(A) which can be seen after removing the under cover should be loosened for removal of the radiator support upper member assembly.





20. Remove the under cover(A).





21. Drain engine oil.
22. Coolant should be drained before heater hose removal.
23. Remove front exhaust pipe(A).





24. Disconnect the wheel speed sensor and the stabilizer bar link.
25. Remove the caliper assembly and suspend it with a wire.
26. Supporting the engine and transaxle assembly with sub frame, remove the engine mounting bracket(A).





27. Remove the transaxle insulator mounting bolt(A).





28. Supporting the engine and transaxle assembly with a jack, remove the sub frame with the engine and transaxle assembly.

NOTE: When removing the engine and transaxle assembly, be careful not to damage any surrounding parts or body components.

INSTALLATION
Installation is in the reverse order of removal.

Perform the following:
^ Adjust the shift cable.
^ Refill the engine with engine oil.
^ Refill the transaxle with fluid.
^ Refill the radiator with engine coolant.
^ Bleed air from the cooling system with the heater valve open.
^ Clean the battery posts and cable terminals with sandpaper assemble them, then apply grease to prevent corrosion.
^ Inspect for fuel leakage.

After assembling the fuel line, turn on the ignition switch (do not operate the starter) so that the fuel pump runs for approximately two seconds and fuel line pressurizes.

Repeat this operation two or three times, then check for fuel leakage at any point in the fuel line.