Operation CHARM: Car repair manuals for everyone.
Manuals through 2025 now available!

Our trusted friends have launched a new website named LEMON, which has newer manuals. It also contains all the CHARM manuals.

LEMON is the spiritual successor to CHARM, I recommend you try it!

Link: lemon-manuals.la or lemon-manuals.org.ua

(Some people have issue connecting. LEMON is investigating. For now, use Firefox or change your DNS server)

Or, hide this message: temporarily or permanently

Transmission Installation

AUTOMATIC TRANSAXLE

INSTALLATION
Installation is in the reverse order of removal.

Perform the following:
^ Adjust the shift cable.
^ Refill the transaxle with fluid.
^ Refill the radiator with engine coolant.
^ Bleed air from the cooling system with the heater valve open.
^ Clean the battery posts and cable terminals with sandpaper, assemble them, and apply grease to prevent corrosion.

1. Lowering the vehicle or lifting up a jack, install the transaxle assembly.
2. Tighten the transaxle under mounting bolts.
TORQUE: 65-85 Nm(650-850 kgf.cm, 47.0-61.5 lb-ft)
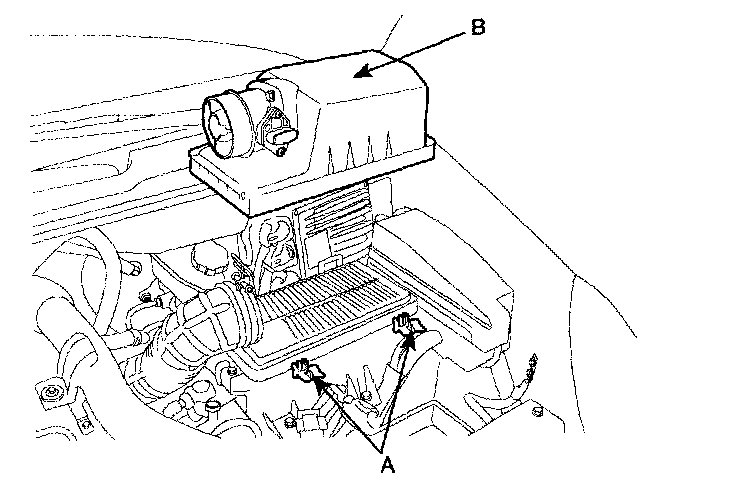
3. Install the starter motor.
TORQUE: 65-85 Nm(650-850 kgf.cm, 47.0-61.5 lb-ft)
4. Tighten the transaxle under mounting bolts(A, 8).





5. After removing a jack, insert the drive shafts.
6. Install the sub frame.
7. Tighten the roll stopper mounting bolts (A,B)





8. Connect the return tube with a clamp.
9. Connect the lower arm, the tie rod end ball joint, the stabilizer bar link to the front knuckle.
10. Connect the power steering pressure tube (A) to the power steering oil pump.





11. Install the under cover (A).





12. Install the steering column joint bolt.
13. Install the front wheels and tires.
14. Tighten the transaxle insulator mounting bolt (A).





15. Tighten the transaxle mounting bolts (B, C).





16. Remove the SST (09200-38001) holding the engine and transaxle assembly.





17. Connect the transaxle oil cooler hoses (A) to the tubes (C) by fastening the clamps (B).





18. Install the shift cable by tightening the bolt (A) and clip (B).





19. Connect the transaxle wire harness connectors.
1) Install the inhibitor switch connector (A).





2) Install the solenoid valve connector (A).





3) Install the input speed sensor connector (A).





4) Install the output speed sensor connector (A).





5) Install the vehicle speed sensor connector (A).





6) Install the CKP sensor connector (A).





20. Install the ground circuit line (A) from the transaxle.





21. Install the battery tray (B) by tightening the four mounting bolts (A).





22. Connect the air cleaner hose (B) by fastening the clamp (A).





23. Install the air cleaner assembly (A).





24. Install the air cleaner upper cover (B) by fastening the clips (A).





25. Connect the AFS connector (A).





26. Install the battery (A).





NOTE:
^ Refill power steering fluid and bleed the power steering system.
^ Refill automatic transaxle fluid.

NOTE: When replacing the automatic transaxle, reset the automatic transaxle's values by using the High-Scan Pro.

a. Connect the Hi-Scan Pro connector to the data link connector under the crash pad and power cable to the cigar jack under the center facial.
b. Turn the ignition switch on and power on the Hi-Scan Pro.
c. Select the vehicle's name.
d. Select "AUTOMATIC TRANSAXLE".
e. Select "RESETTING AUTO T/A VALUES" and perform the procedure.





f. Perform the procedure by pressing FL (REST).