Operation CHARM: Car repair manuals for everyone.
Manuals through 2025 now available!

Our trusted friends have launched a new website named LEMON, which has newer manuals. It also contains all the CHARM manuals.

LEMON is the spiritual successor to CHARM, I recommend you try it!

Link: lemon-manuals.la or lemon-manuals.org.ua

(Some people have issue connecting. LEMON is investigating. For now, use Firefox or change your DNS server)

Or, hide this message: temporarily or permanently

Shift Linkage: Service and Repair

SHIFT LEVER

REMOVAL
1. Remove the console upper cover(A).





2. Remove the front console cover (A).





3. Disconnect the connector (A) and ATM connector (B).





4. Remove the shift lever assembly mounting nuts (A).





5. Remove the shift cable mounting nut (A) and cap (B).





DISASSEMBLY
1. Remove the shift lever knob (A) by removing the two screws.





2. Disconnect the solenoid connector (A) and remove the indicator panel (B).





3. Remove the switch assembly (A) and "P" position switch assembly.





4. Remove the solenoid (B) and solenoid lever (A).





5. Remove the lever assembly (B) by the mounting bolt (A).





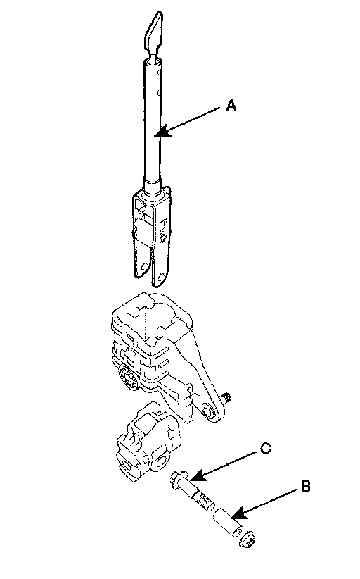
6. Remove the lever (A) and tube (B) by removing the bolt (C).





REASSEMBLY
1. Grease the tube (B) and install the lever (A) by tightening the bolt (C).





2. Install the lever assembly (B) by tightening the bolt (A)





3. Install the solenoid (B) and solenoid lever (A).





4. Install the switch assembly (A) and "P" position switch assembly.





5. Connect the solenoid connector (A) and install the indicator panel (B).





6. Install the shift lever knob (A) by tightening the two screws.





7. Install both sides of the brackets.
TORQUE: 16-23 Nm(160-230 kgf.cm, 11.6-16.7 lb-ft)

INSTALLATION
1. Install the shift cable mounting nut (A) and cap (B).





2. Install the shift lever assembly mounting nuts (A).





3. Connect the connector (A) and ATM connector (B).





4. Install the front console cover (A).





5. Install the console upper cover(A).