Operation CHARM: Car repair manuals for everyone.
Manuals through 2025 now available!

Our trusted friends have launched a new website named LEMON, which has newer manuals. It also contains all the CHARM manuals.

LEMON is the spiritual successor to CHARM, I recommend you try it!

Link: lemon-manuals.la or lemon-manuals.org.ua

(Some people have issue connecting. LEMON is investigating. For now, use Firefox or change your DNS server)

Or, hide this message: temporarily or permanently

Engine Block Assembly

REASSEMBLY

NOTE:
^ Thoroughly clean all parts to assembled.
^ Before installing the parts, apply fresh engine oil to all sliding and rotating surfaces.
^ Replace all gaskets, O-rings and oil seals with new parts.

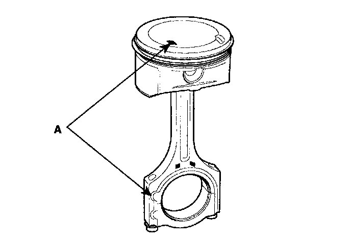
1. Assemble piston and connecting rod.
1) Use a hydraulic press for installation.
2) The piston front mark and the connecting rod front mark must face the timing belt side of the engine.





2. Install piston rings.
1) Install the oil ring spacer and 2 side rails by hand.
2) Using a piston ring expander, install the 2 compression rings with the code mark facing upward.
3) Position the piston rings so that the ring ends are as shown.





3. Install connecting rod bearings.
1) Align the bearing claw with the groove of the connecting rod or connecting rod cap.
2) Install the bearings(A) in the connecting rod and connecting rod cap(B).





4. Install main bearings.

NOTE: Upper bearings have an oil groove of oil holes; Lower bearings do not.

1) Align the bearing claw with the claw groove of the cylinder block, push in the 4 upper bearings(A).





2) Align the bearing claw with the claw groove of the main bearing cap, and push in the 4 lower bearings.
5. Install thrust bearings.
Install the 2 thrust bearings(A) under the No.3 journal position of the cylinder block with the oil grooves facing outward.





6. Place crankshaft on the cylinder block.





7. Place main bearing caps on cylinder block.
8. Install main bearing cap bolts.
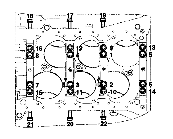
1) Install and uniformly tighten the bearing cap bolts, in several passes, in the sequence shown.

Tightening torque
Main bearing cap bolt
49.00 Nm (5.0 kgf.m, 36.16 lb-ft) + 90 degrees (1-8)
19.60 Nm(2.0 kgf.m, 14.46 lb-ft)+ 120 degrees (9-16)
29.40-31.36Nm(3.0-3.2 kgf.m, 21.70-23.14 lb-ft) (17-22)

NOTE:
^ Always use new main bearing cap bolt.
^ If any of the bearing cap bolts in broken or deformed replace it.





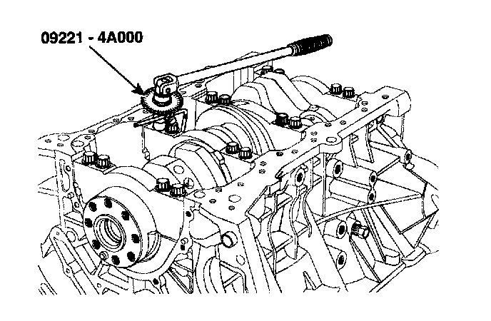
Use SST(09221-4A000), install main bearing cap bolts.





2) Check that the crankshaft turns smoothly.
9. Check crankshaft end play.
10. Install piston and connecting rod assemblies.

NOTE: Before installing the pistons, apply a coat of engine oil to the ring grooves and cylinder bores.

1) Install the ring compressor, check that the bearing is securely in place, then position the piston in the cylinder, and tap it in using the wooden handle of a hammer.
2) Stop after the ring compressor pops free, and check the connecting rod-to-check journal alignment before pushing the piston into place.
3) Apply engine oil to the bolt threads. Install the rod caps with bearings, and torque the bolts.

Tightening torque 19.6Nm (2.0kgf.m, 14.46 lb-ft) + 90 degrees

Use SST(09221-4A000), install connecting rod bearing cap bolts.





NOTE:
^ Always use new connecting rod bearing cap bolt.
^ Maintain downward force on the ring compressor to prevent the rings from expanding before entering the cylinder bore.





11. Check the connecting rod end play.
12. Install oil drain cover.

Tightening torque 9.80-11.76Nm (1.0-1.2kgf.m, 7.23-8.67 lb-ft)





NOTE:
^ Make clean the sealing face before assembling two parts.
^ Remove harmful foreign matters on the sealing face before applying sealant
^ Be assembling oil drain cover, the liquid sealant TB1217H should be applied oil drain cover
^ The part must be assembled within 5 minutes after sealant was applied.
^ Apply sealant to the inner threads of the bolt holes.





13. Install rear oil seal case.

Tightening torque 9.80-11.76Nm (1.0-1.2kgf.m, 7.23-8.67 lb-ft)





NOTE:
^ Make clean the sealing face before assembling two parts.
^ Remove harmful foreign matters on the sealing face before applying sealant
^ Be assembling rear oil seal case, the liquid sealant TB1217H should be applied rear oil seal case.
^ The part must be assembled within 5 minutes after sealant was applied.
^ Apply sealant to the inner threads of the bolt holes.





14. Using SST(09231-3C200, 09231-H1100), install rear oil seal.





15. Install baffle plate.
Install and uniformly tighten the baffle plate bolts, in several passes, in the sequence shown.

Tightening torque 9.80-11.76Nm (1.0-1.2kgf.m, 7.23-8.68 lb-ft)





16. Install upper oil pan.
a. Using a gasket scraper, remove all the old packing material from the gasket surfaces.
b. Before assembling the oil pan, the liquid sealant TB1217H should be applied on upper oil pan.
The part must be assembled within 5 minutes after the sealant was applied.

Bead width: 2.5mm(0.1in.)

CAUTION:
^ Make clean the sealing face before assembling two parts.
^ Remove harmful foreign matters on the sealing face before applying sealant
^ When applying sealant gasket, sealant must not be protruded into the inside of oil pan.
^ To prevent leakage of oil, apply sealant gasket on the inner threads of the bolt holes.


e. Install oil pan.
Uniformly tighten the bolts in several passes.

Tightening torque 9.80-11.76Nm (1.0-1.2kgf.m, 7.23-8.68 lb-ft)





f. After assembly, wait at least 30 minutes before filling the engine with oil.
17. Install knock sensor.

Tightening torque 15.68-23.52Nm (1.6-2.4kgf.m, 11.57-17.36 lb-ft)





18. Install drive plate.

Tightening torque 71.54-75.46Nm (7.3-7.7kgf.m, 52.80-55.69 lb-ft)