Operation CHARM: Car repair manuals for everyone.
Manuals through 2025 now available!

Our trusted friends have launched a new website named LEMON, which has newer manuals. It also contains all the CHARM manuals.

LEMON is the spiritual successor to CHARM, I recommend you try it!

Link: lemon-manuals.la or lemon-manuals.org.ua

(Some people have issue connecting. LEMON is investigating. For now, use Firefox or change your DNS server)

Or, hide this message: temporarily or permanently

Engine Block Disassembly

ENGINE BLOCK

COMPONENTS:








DISASSEMBLY

1. A/T: remove drive plate.
2. Install engine to engine stand for disassembly(A).
3. Remove timing belt.
4. Remove cylinder head.
5. Remove oil level gauge assembly.
6. Remove the alternator.
7. Remove the air compressor.
8. Remove the power steering pump bracket(A).





9. Remove water pump.
10. Remove knock sensors(A).





11. Remove the lower oil pan(A).





CAUTION:
^ Insert the SST between the oil pan and the ladder frame by tapping it with a plastic hammer in the direction of (1) arrow.
^ After tapping the SST with a plastic hammer along the direction of (2) arrow around more than 2/3 edge of the oil pan, remove it from the ladder frame.
^ Do not turn over the SST abruptly without tapping. It is result in damage of the SST.


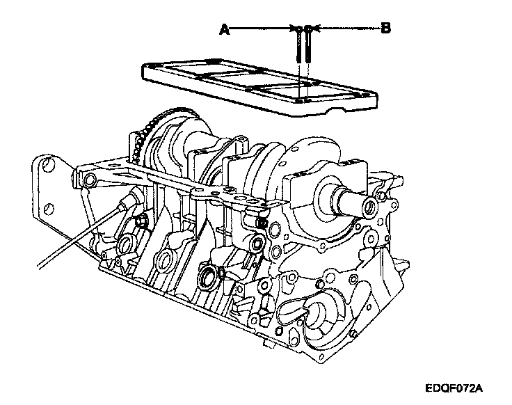
12. Remove oil screen. Remove the 2 bolts(B), oil screen(A) and gasket.





13. Remove the upper oil pan(A).





14. Check the connecting rod end play.
15. Remove the connecting rod caps and check oil clearance.
16. Remove piston and connecting rod assemblies.
1) Using a ridge reamer, remove all the carbon from the top of the cylinder.
2) Push the piston, connecting rod assembly and upper bearing through the top of the cylinder block.

NOTE:
^ Keep the bearings, connecting rod and cap together.
^ Arrange the piston and connecting rod assemblies in the correct order.

17. Remove front case.
18. Remove oil seal case.
Remove the 3 bolts (B) and oil seal case(A).





19. Check the crankshaft end play.
20. Remove crankshaft bearing cap and check oil clearance.





21. Lift the crankshaft(A) out of the engine, being careful not to damage journals.

NOTE: Arrange the main bearings and trust washers in the correct order.





22. Check fit between piston and piston pin.
Try to move the piston back and forth on the piston pin. If any movement is felt, replace the piston and pin as a set.
23. Remove piston rings.
1) Using a piston ring expender, remove the 2 compression rings.
2) Remove the 2 side rails and oil ring by hand.

NOTE: Arrange the piston rings in the correct order only.

24. Disconnect connecting rod from piston.