Operation CHARM: Car repair manuals for everyone.
Manuals through 2025 now available!

Our trusted friends have launched a new website named LEMON, which has newer manuals. It also contains all the CHARM manuals.

LEMON is the spiritual successor to CHARM, I recommend you try it!

Link: lemon-manuals.la or lemon-manuals.org.ua

(Some people have issue connecting. LEMON is investigating. For now, use Firefox or change your DNS server)

Or, hide this message: temporarily or permanently

Engine: Service and Repair

ENGINE AND TRANSAXLE ASSEMBLY

REMOVAL

CAUTION:
^ Use fender covers to avoid damaging painted surfaces.
^ To avoid damage, unplug the wiring connectors carefully while holding the connector portion.


NOTE:
^ Mark all wiring and hoses to avoid mis-connection.
^ Inspection the timing belt before removing the cylinder head.
^ Turn the crankshaft pulley so that the No. 1 piston is at top dead center.

1. Remove the side cover(D) and the engine cover(A, B, C).





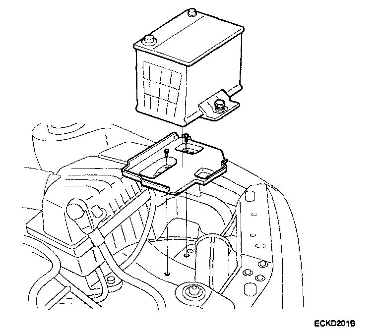
2. Disconnect the battery terminal and the battery.





3. Remove the radiator cap to speed draining.
4. Remove the radiator drain plug and drain engine coolant.
5. Remove the air cleaner assembly.
1) Disconnect the air flow sensor (AFS) connector (A).
2) Remove the breather hose (B) from intake hose(C).
3) Remove the intake hose (C) and air cleaner upper cover (D).
4) Remove the air cleaner lower cover (A).





6. Disconnect the front connector (A) and horn connector(B).
7. Remove the battery try (C).





8. Remove the fuse box cover.
9. Disconnect the terminals(A) from the fuse box.





10. Remove the upper radiator hose(A) and lower radiator hose(B).





11. Remove the heater hoses(A).





12. Remove the engine wire harness connectors and wire harness clamps from the cylinder head and the intake manifold.
1) Throttle position sensor (TPS) connector(A).
2) Idle speed actuator (ISA) connector(B).
3) Purge control solenoid valve(PCSV) connector(C).
4) Injector connector(E).
5) Knock sensor connector(F).
6) Camshaft position sensor(CPS) connector(G).
7) Engine ground line (F).
8) Heated oxygen sensor (Bank 2, Sensor 1) connector (H).





9) Engine temperature coolant sensor connector(A).
10) Ignition coil connector (B).
11) Crankshaft position sensor connector (C).
12) Heated oxygen sensor (Bank 1, Sensor 2) connector (D).





13) Three fuel injector connectors(A).





13. Disconnect heated oxygen sensor (bank 1, sensor 1) connector(A), air compressor switch connector(B) and oil pressure sensor connector(C).





14. Remove the fuel inlet from delivery pipe(A).





15. Disconnect the purge control solenoid valve (PCSV) hose (A).





16. Remove the brake booster vacuum hose(A).





17. Remove the accelerator cable by loosening the lock-nut, then slip the cable end out of the throttle linkage.
18. Remove the auto-cruise connector (A) and the auto-cruise cable (B).





19. Disconnect the air temperature sensor (ATS) connector (A) and heated oxygen sensor (Bank 2, Sensor 2) connector (B).








20. Disconnect the air temperature sensor (ATS) connector (A) and heated oxygen sensor (Bank 2, Sensor 2) connector (B).





21. Remove the auto transaxle fluid hoses (A).





22. Disconnect the transaxle wire harness connector.
23. Remove the front exhaust pipe(A).





24. Recover refrigerant and remove the high & low pressure pipe.
25. Remove the steering column mounting bolt(A).





26. Remove the front wheels and tires.
27. Disconnect the stabilizer bar link and remove the mounting bolts from the lower arm and the front axles.
28. Support the engine and transaxle assembly.
29. Remove the engine mounting support bracket(A) and the ground line(B).





30. Remove the transaxle mounting bracket(A).





31. Remove the sub frame mounting bolts (A, B) and nut.
Tightening torque
A: 160 - 180Nm (16 - 18kgf.m, 118 - 133lb-ft)
B: 70 - 90Nm (7.0 - 9.0kgf.m, 52 - 66lb-ft)








INSTALLATION

Installation is in the reverse order of removal.
Perform the following:
^ Adjust the shift cable.
^ Adjust the throttle cable.
^ Refill the engine with engine oil.
^ Refill the transaxle with fluid.
^ Refill the radiator and reservoir tank with engine coolant.
^ Place the heater control knob on "HOT"position.
^ Bleed air from the cooling system.
- Start engine and let it run until it warms up. (until the radiator fan operates 3 or 4 times.)
- Turn Off engine. Check the coolant level and add coolant if needed. This will allow trapped air to be removed from the cooling system.
- Put the radiator cap on tightly, then run engine again and check for leaks.
^ Clean the battery posts and cable terminals with sandpaper, assemble them and then apply grease to prevent corrosion.
^ Inspect for fuel leakage.
- After assembling fuel line, turn on the ignition switch (do not operate the starter) so that the fuel pump could run for approximately two seconds and fuel line could be pressurized.
- Repeat this operation two or three times and check for fuel leakage at any point in the fuel line.