Operation CHARM: Car repair manuals for everyone.
Manuals through 2025 now available!

Our trusted friends have launched a new website named LEMON, which has newer manuals. It also contains all the CHARM manuals.

LEMON is the spiritual successor to CHARM, I recommend you try it!

Link: lemon-manuals.la or lemon-manuals.org.ua

(Some people have issue connecting. LEMON is investigating. For now, use Firefox or change your DNS server)

Or, hide this message: temporarily or permanently

Steering Column

Steering Tilt & Telescopic System (1):




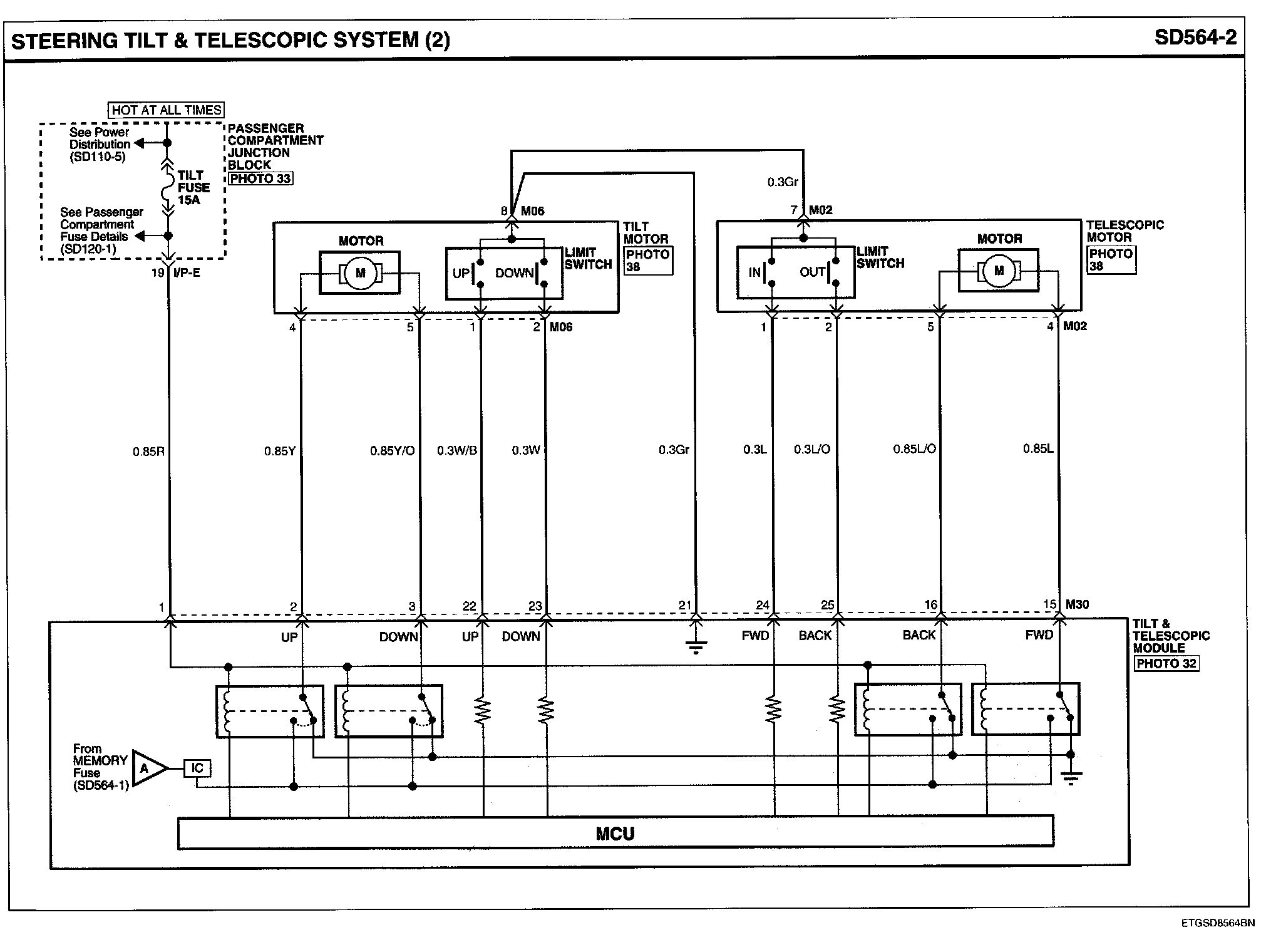
Steering Tilt & Telescopic System (2):




Steering Tilt & Telescopic System Connector Pin Outs:






Locations: Location photographs (references to PHOTOS) referred to within these diagrams can be found via the photo number at the vehicle level under Locations by Photo Number. Locations By Photo Number

Connector View: The Connector Pin Out Views for connectors shown on these diagrams can be found on the Connector Pin Out images that follow most sets of system diagrams.