Operation CHARM: Car repair manuals for everyone.
Manuals through 2025 now available!

Our trusted friends have launched a new website named LEMON, which has newer manuals. It also contains all the CHARM manuals.

LEMON is the spiritual successor to CHARM, I recommend you try it!

Link: lemon-manuals.la or lemon-manuals.org.ua

(Some people have issue connecting. LEMON is investigating. For now, use Firefox or change your DNS server)

Or, hide this message: temporarily or permanently

Relay Box: Service and Repair

RELAY BOX (PASSENGER COMPARTMENT)

REPLACEMENT
1. Disconnect the negative (-) battery terminal.
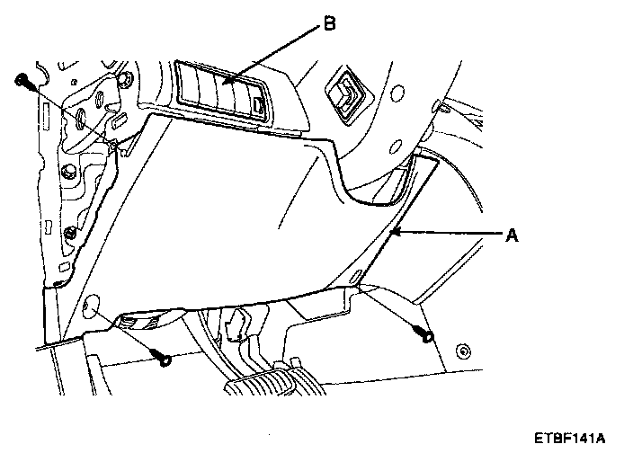
2. Remove the crash pad lower panel (A) and switch (B).






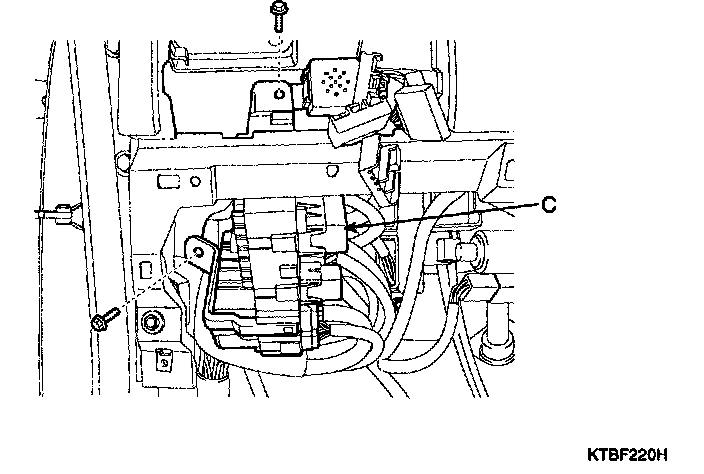
3. Disconnect the connectors (10 EA) of junction box.
4. Remove the junction box (C) after loosening the mounting 2 bolts.






5. Installation is the reverse of removal.