Operation CHARM: Car repair manuals for everyone.
Manuals through 2025 now available!

Our trusted friends have launched a new website named LEMON, which has newer manuals. It also contains all the CHARM manuals.

LEMON is the spiritual successor to CHARM, I recommend you try it!

Link: lemon-manuals.la or lemon-manuals.org.ua

(Some people have issue connecting. LEMON is investigating. For now, use Firefox or change your DNS server)

Or, hide this message: temporarily or permanently

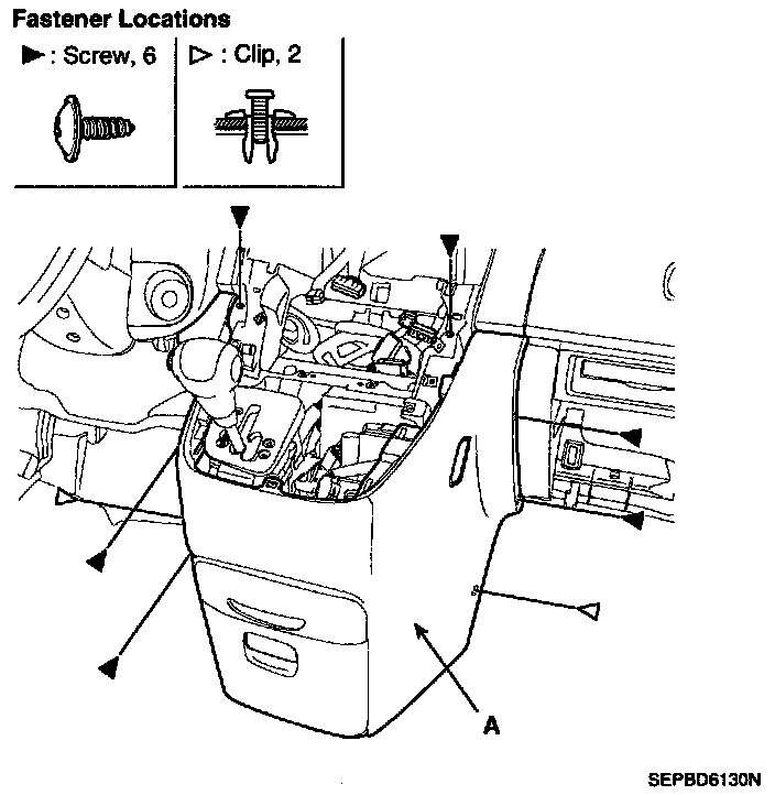
Floor Console Replacement

REPLACEMENT

FLOOR CONSOLE REPLACEMENT

NOTE:
- When prying with a flat-tipped screwdriver, wrap it with protective tape, and apply protective tape around the related parts, to prevent damage.
- Put on gloves to protect your hands.

1. After the upper cover is removed(A), disconnect the connector (B).






2. Remove the following items.
- Crash pad lower panel.
- Lower bracket.
- Glove box.
- Console side cover.

3. After loosening the console mounting screw, remove the front console (A).






4. Installation is the reverse of removal.