Operation CHARM: Car repair manuals for everyone.
Manuals through 2025 now available!

Our trusted friends have launched a new website named LEMON, which has newer manuals. It also contains all the CHARM manuals.

LEMON is the spiritual successor to CHARM, I recommend you try it!

Link: lemon-manuals.la or lemon-manuals.org.ua

(Some people have issue connecting. LEMON is investigating. For now, use Firefox or change your DNS server)

Or, hide this message: temporarily or permanently

Seat Assembly Replacement

SEAT ASSEMBLY REPLACEMENT

1. Remove the seat assembly mounting cover.
2. After loosening the seat assembly mounting bolts, remove the seat assembly (A).






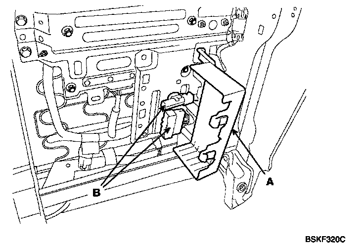
3. Open the connector box (A).
4. Disconnect the connector (B), and remove the seat assembly.

[DRIVER'S]






[PASSENGER'S]






5. Installation is the reverse of removal.

CAUTION:
SEAT MOUNTING BOLT INSTALLATION PROCEDURE
- Set the into the most rearward position. Check then each slide is locked, and then Tighten the front mounting bolt temporarily.
- Set the seat into most forward position. Check that each slide is locked, and then Tighten the rear mounting bolt completely.
- Set the seat into the most rearward position.
- Check the front mounting bolt completely. Check that the seat operates to and fro smoothy and the locking portion locks properly.