Operation CHARM: Car repair manuals for everyone.
Manuals through 2025 now available!

Our trusted friends have launched a new website named LEMON, which has newer manuals. It also contains all the CHARM manuals.

LEMON is the spiritual successor to CHARM, I recommend you try it!

Link: lemon-manuals.la or lemon-manuals.org.ua

(Some people have issue connecting. LEMON is investigating. For now, use Firefox or change your DNS server)

Or, hide this message: temporarily or permanently

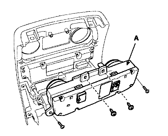
Rear Control Panel

REAR CONTROL PANEL

REPLACEMENT




1. Remove the center console armrest box (A).




2. After loosening the screw, remove the armrest (B).




3. Remove the rear cup holder (A).




4. Remove the console rear cover(A).




5. Remove the rear blower & A/C controller (A) after loosening the screw from console rear cover.
6. Installation is the reverse order of removal.