Operation CHARM: Car repair manuals for everyone.
Manuals through 2025 now available!

Our trusted friends have launched a new website named LEMON, which has newer manuals. It also contains all the CHARM manuals.

LEMON is the spiritual successor to CHARM, I recommend you try it!

Link: lemon-manuals.la or lemon-manuals.org.ua

(Some people have issue connecting. LEMON is investigating. For now, use Firefox or change your DNS server)

Or, hide this message: temporarily or permanently

Engine Oil: Service and Repair

LUBRICATION SYSTEM

SELECTION OF ENGINE OIL
Recommended API classification: Above SJ or SL Recommended SAE viscosity grades: 5W-20

If 5W-20 engine oil is not available, 5W-30 or secondary recommended engine oil for corresponding temperature range can be used.





NOTE:
For best performance and maximum protection of all types of operation, select only those lubricants which
^ Satisfy the requirement of the API classification.
^ Have proper SAE grade number for expected ambient temperature range.

Lubricants that do not have both an SAE grade number and API service classification on the container should not be used.



OIL AND FILTER
CAUTION:
^ Prolonged and repeated contact with mineral oil will result in the removal of natural fats from the skin, leading to dryness, irritation and dermatitis. In addition, used engine oil contains potentially harmful contaminants which may cause skin cancer
^ Exercise caution in order to minimize the length and frequency of contact of your skin to used oil. Wear protective clothing and gloves. Wash your skin thoroughly with soap and water, or use water-loss hand cleaner, to remove any used engine oil. Do not use gasoline, thinners, or solvents.
^ In order to preserve the environment, used oil and used oil filter must be disposed of only at designated disposal sites.


1. Park the car on level ground.
Start the engine and let it warm up.
2. Turn the engine off and open the hood.
Remove the engine cover.
3. Wait for 5 minutes after loosening the oil filter cap by turning it counterclockwise with the SST (09263-3C100) to drain well the oil in the oil filter.





4. Drain engine oil.
a. Remove the oil filler cap.
b. After lifting the car, remove the oil drain plug and drain oil into a container.
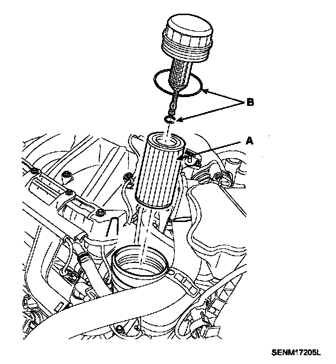
5. Replace the oil filter.
a. Disconnect the oil filter cap from the oil filter body
b. Remove the oil filter element.
c. Check and clean the oil filter installation surface.
d. Check the part number of a new oil filter is same as old one.
e. Install a new oil filter element (A) and two new O-rings (B).





f. Apply clean engine oil to the new O-rings.
Lightly screw the oil filter cap into place, and tighten it until the O-rings contacts the seat.
g. Finally tighten it again by specified tightening torque.
Tightening torque 24.50 Nm (2.5 kgf.m, 18.08 lb-ft)
6. Refill with engine oil.
a. Install the oil drain plug with a new gasket.
Tightening torque 34.3 - 44.1 Nm (3.5 - 4.5 kgf.m, 25.3 - 32.5 lb-ft)
b. Fill with fresh engine oil, after removing the engine oil level gauge.
Capacity
When replacing a short engine or a block assembly: 6.0L (6.34 U.S.qts, 5.28 Imp.qts)
When replacing an oil pan only 5.5L (5.81 U.S.qts, 4.84 Imp.qts)
Drain and refill: 5.2L (5.49 U.S.qts, 4.58 Imp.qts)
c. Install the oil filler cap and oil level gauge.
7. Start the engine and check to be sure no oil is leaking from the drain plug or oil filter.
8. Recheck engine oil level.