Operation CHARM: Car repair manuals for everyone.
Manuals through 2025 now available!

Our trusted friends have launched a new website named LEMON, which has newer manuals. It also contains all the CHARM manuals.

LEMON is the spiritual successor to CHARM, I recommend you try it!

Link: lemon-manuals.la or lemon-manuals.org.ua

(Some people have issue connecting. LEMON is investigating. For now, use Firefox or change your DNS server)

Or, hide this message: temporarily or permanently

Parking Assist Control Module: Service and Repair

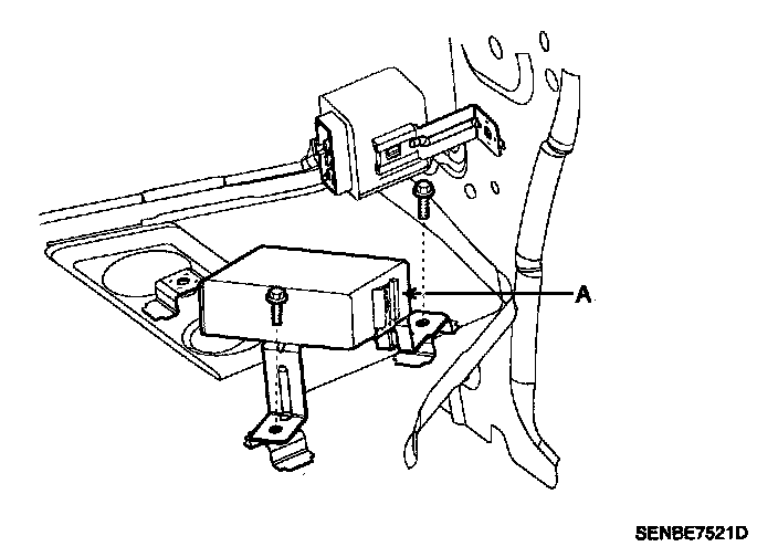
REAR PARKING ASSIST SYSTEM CONTROL UNIT

REMOVAL
1. Remove the rear left quarter trim of the trunk.
2. Loosen the mounting bolts and remove the rear parking assist system control module unit (A) from the quarter panel.






INSTALLATION
1. Reassemble the rear parking assist system control module.
2. Reassemble the rear left quarter trim.