Operation CHARM: Car repair manuals for everyone.
Manuals through 2025 now available!

Our trusted friends have launched a new website named LEMON, which has newer manuals. It also contains all the CHARM manuals.

LEMON is the spiritual successor to CHARM, I recommend you try it!

Link: lemon-manuals.la or lemon-manuals.org.ua

(Some people have issue connecting. LEMON is investigating. For now, use Firefox or change your DNS server)

Or, hide this message: temporarily or permanently

Keyless Entry: Description and Operation





Description

Anti-theft Warning System





Burglar Alarm System
The burglar alarm system is armed automatically after the doors, hood, and trunk are closed and locked.

The system is set off when any of these things occur :
- A door is forced open.
- The trunk is opened without using the key.
- The hood is opened.

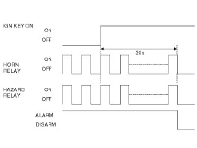
When the system is set off, the alarm sounds and the hazard lamp flash for about 30 seconds or until the system is disarmed by unlocking the transmitter.

For the system to arm, the ignition switch must be off and the key removed. Then, the body control module must receive signals that the doors, hood, and trunk are closed and locked. When everything is closed and locked, none of the control unit inputs are grounded.

The door switches, hood switch and trunk switch are all close and lock the doors with the remote transmitter and then the system arms immediately.

If anything is opened after the system is armed, the body control module gets a ground signal from that switch, and the system is set off.

If one of the switches is misadjusted or there is a short in the system, the system will not arm. As long as the body control module continues to get a ground signal, it thinks the vehicle is not closed and locked and will not arm.

Keyless Entry System
The burglar alarm system is integrated with the keyless entry system. The keyless entry system allows you to lock and unlock the vehicle with the remote transmitter. When you push the LOCK/UNLOCK button, all doors lock. When you push the LOCK/UNLOCK button again, all doors unlock.

The room lamp, if its switch is in the center position, will come on when you press the UNLOCK button. If you do not open a door, the light will go off in about 30 seconds, the doors will automatically relock, and the burglar alarm system will rearm. If you relock the doors with the remote transmitter within 30 seconds, the light will go off immediately.

You cannot lock or unlock the doors with the remote transmitter if the key is in the ignition switch.

The system will signal you when the doors lock and unlock by flashing the hazard lamp once when they lock, and twice when they unlock.

Function

Keyless Entry Function
DOOR LOCK / UNLOCK, TRUNK and panic operation are performed with remocon
1. Keyless entry function is performed in a state that key in SW is eliminated from key cylinder
2. LOCK / UNLOCK, TRUNK and panic signals are received from the transmitter and DOOR LOCK / UNLOCK, TRUNK and panic signals are output.

Transmitter(TX) Spec
1. Transmission Distance : 30m or more from outside of the car
2. Registration procedure of the transmitter
(1) In registration mode, it shall be possible to register up to Max 4EA.
(2) At re-registration, data are registered newly after deleting the previous TDATA





(3) For the registration procedures by using Hi-scan tool, refer to "TRANSMITTER CODE REGISTRATION".
3. Transmitter signal & Receiver Spec
(1) Transmission signal
A. Transmit relevant transmission DATA (Transmission frame) twice by pushing TSW.
B. Only LOCK signal is output when pushing TLOCK SW and UNLOCK SW at the same time.

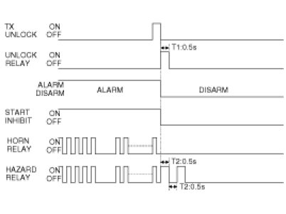
DISARM
Condition 1

















Condition 2





Condition 3





Condition 4





Condition 5





Condition 6





Condition 7





Condition 8






ARM
Condition 1





Condition 2





Condition 3






ALARM
Condition 1









T1 : 27s (±2sec), T2 : 10s (±2sec),
T3 : 0.5s ± 0.1 sec.

NOTE:
Horn Output : Period : 1sec(Can be calibrated Horn Period), 50% Duty

Condition 2





Condition 3










ARM WAIT MODE
Condition 1





Condition 2





Condition 3





Condition 4





Condition 5





Condition 6










REARM MODE
Condition 1






AUTOLOCKTIMER1 MODE
Condition 1





Condition 2





Condition 3





Condition 4





Condition 5





Condition 6






AUTOLOCKTIMER2 MODE
Condition 1





Condition 2





Condition 3





Condition 4





Condition 5






PREARM MODE
Condition 1





Condition 2





Condition 3





Condition 4





Condition 5





Condition 6






ARMHOLD MODE
Condition 1










RESET
1. In case of taking the battery out during the ALARM state
Condition









2. In case of taking the battery out during arm
Condition









3. In case of taking the battery out during the ARMHOLD state
Condition






Door Unlock And Trunk Open Inhibition
1. UNLOCK signal output with DOOR UNLOCK SW by power window and TRUNK SW is prohibited in case of TLOCK under IGN KEY OFF.
2. UNLOCK signal output with DOOR UNLOCK SW by power window and TRUNK SW is inhibited in case of DOOR LOCK with DOOR KEY under IGN KEY OFF.
3. UNLOCK inhibition function is cancelled in case of TUNLOCK while DOOR UNLOCK inhibition function activates.
4. UNLOCK inhibition function by power window is cancelled in case of DOOR UNLOCK with DOOR KEY while DOOR UNLOCK inhibition function activates.
5. UNLOCK inhibition function is cancelled at IGN KEY IN & IGN ON.




T1 : 0.5s ± 0.1s

Trunk Open By TX (Transmitter)
1. TRUNK RELEASE RELAY is turned ON for 0.5s if TRUNK signal of TX is received.
(Hold MODE under ARM)
2. TRUNK RELEASE RELAY is turned ON for 0.5s in case of TRUNK RELEASE SW OFF->ON.
3. In ARM mode, signal by TRUNK RELEASE SW input is not output.




T1 : 0.5s ± 0.1s

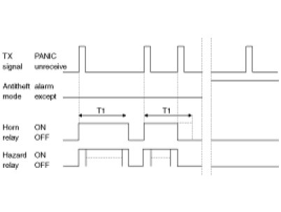
PANIC Alarm
1. PANIC alarm is turned ON for T1 by using HORN and HAZARD if TPANIC signal is received.
2. PANIC alarm is turned OFF if (TLOCK/UNLOCK/PANIC/TRUNK UNLOCK /KEY IN /DOOR KEY LOCK/DOOR KEY UNLOCK / TRUNK KEY UNLOCK ) signals are received during PANIC alarm.
3. PANIC signal output is immediately turned OFF and the state becomes ARM state if the condition for ARM is met during PANIC alarm.
4. The below is about antitheft alarm.
(1) Antitheft alarm does not stop even when PANIC signal of TX is received during the alarm. (PANIC signal reception is ignored)
(2) Antitheft alarm signal is output when the condition for antitheft is met during PANIC alarm. (PANIC signal output: OFF)
(3) PANIC alarm is turned ON with continuing antitheft function when PANIC signal is received in ARM stand-by / ARM / Alarm end / RELOCK stand-by mode.
* Even when Other TX signals, registered during PANIC alarm, are received, they are regarded as the same TX




T1 : 30s±3s (0.9s cycle DUTY50%)

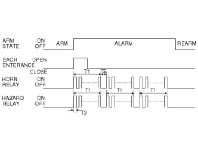
Horn Answer Back
1. Under DOOR, TRUNK or HOOD: Closed, HORN(T2 output), HAZARD(1s-output) signals are output if TLOCK signal is received again within T1 from the moment when the mode transits to ARM mode by TLOCK operation and ARM mode is kept.
2. HORN and HAZARD signals are not output if ARM mode is cancelled for T1.
3. HORN and HAZARD signal are output even when other LOCK signals of TX, registered during T1, are received.
* DOOR LOCK signal and HAZARD signal are not displayed. (refer to the antitheft function)




T1 : 4s within
T2 : 0.05s ± 0.01s