Operation CHARM: Car repair manuals for everyone.
Manuals through 2025 now available!

Our trusted friends have launched a new website named LEMON, which has newer manuals. It also contains all the CHARM manuals.

LEMON is the spiritual successor to CHARM, I recommend you try it!

Link: lemon-manuals.la or lemon-manuals.org.ua

(Some people have issue connecting. LEMON is investigating. For now, use Firefox or change your DNS server)

Or, hide this message: temporarily or permanently

Repair Procedures





Removal

1. Removal the engine cover(A).




2. Disconnect the throttle position sensor(TPS) and the idle speed actuator(ISA) connectors.
3. Disconnect the positive crankcase ventilation(PCV) hose and the breather hose.
4. Disconnect the accelerator cable.
5. Remove the delivery pipe(A).




6. Disconnect the purge control solenoid valve(PCSV) hose and the brake booster hose from the intake manifold and throttle body assembly.
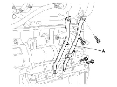
7. Remove the intake manifold stay(A).

Tightening torque
17.7 - 24.5Nm (1.8 - 2.5kgf.m, 13.0 - 18.1lb-ft)





8. Remove the intake manifold assembly(A).

Tightening torque
15.7 - 22.6Nm (1.6 - 2.3kgf.m, 11.6 - 16.6lb-ft)





9. To install, reverse the removal procedure with new gaskets.