Operation CHARM: Car repair manuals for everyone.
Manuals through 2025 now available!

Our trusted friends have launched a new website named LEMON, which has newer manuals. It also contains all the CHARM manuals.

LEMON is the spiritual successor to CHARM, I recommend you try it!

Link: lemon-manuals.la or lemon-manuals.org.ua

(Some people have issue connecting. LEMON is investigating. For now, use Firefox or change your DNS server)

Or, hide this message: temporarily or permanently

Body Control Module: Description and Operation





Description





Function

Wiper Control
1. WIPER Control coupled with Washer
(1) Under IGN2 SW ON, WIPER RELAY is turned ON after T2 from WASHER SW ON if WASHER SW is ON for T1 and WIPER RELAY is turned OFF after T3.




T1 : 0.2s ~ 0.59s, T2 : 0.3s ± 0.03s,
T3 : 0.7s ± 0.1s
(2) Under IGN2 SW ON, WIPER RELAY is turned ON after T2 from WASHER SW ON if WASHER SW is ON for at least T1, and WIPER RELAY is turned OFF after T3 from the moment that WASHER SW is turned OFF.




T1 : 0.6s(MIN), T2 : 0.3s ± 0.03s,
T3 : 2.5s ~ 3.8s (2 - 3TURN)
(3) Operation in Item (2) is performed if WASHER SW is ON for at least T1 during WIPER operation with INT SW. Operation in Item (1) is performed if WASHER SW is ON for T6.




T1 : 0.6s(MIN), T2 : 0.3s ± 0.03s,
T3 : 2.5s ~ 3.8s (2 - 3TURN),
T4 : T5 - 0.7s, T5 : INT TIME,
T6 : 0.2s ± 0.59s, T7 : 0.7s ± 0.1s
(4) Operation is cancelled in case IGN is OFF during T3.
(5) Give priority to WASHER interlocking WIPER than Speed sensing INT WIPER function.
(6) WASHER SW signal input shall be ignored at start-up (IGN1 ON & IGN2 OFF states).
2. SPEED SENSING INT WIPER
(1) WIPER intermittent time is controlled by car speed.
Under IGN2 SW ON & INT SW ON states, car speed and INT VOLUME value are acquired and intermittent time is calculated. Then, WIPER intermittent time is automatically converted.
3. MIST Control coupled with WIPER
(1) Under IGN2 SW ON, WIPER RELAY is turned ON directly from MIST SW ON if MIST SW is ON for T1 and WIPER RELAY is turned OFF after T2.




T1 : 0.7s (within), T2 : 0.7s ± 0.1s
(2) Under IGN2 SW ON, WIPER RELAY is turned ON directly from MIST SW ON if MIST SW is ON for at least T1, and WIPER RELAY is turned OFF after T3 from the moment that MIST SW is turned OFF.




T1 : 0.7s(Min), T2 : 0.7s ± 0.1s

Buzzer Warning
1. BUZZER CONTROL
(1) BUZZER SOUND SPECIFICATION









(2) Priority: S/BELT WARNING > OVER SPEED WARNING > KEY OPERATED WARNING
(3) Output continues up to OFF cycle when output is OFF.
(4) Sound pressure measurement distance: 1.0 m

Seat Belt Reminder Function
1. From IGN1 SW ON, SEAT BELT WARNING LAMP lights for 6s every 0.5s and CHIME BUZZER sounds for 6s every 1s (in case of SEAT BELT unfastened state)
2. LAMP and CHIME BUZZER become OFF when IGN1 is turned OFF within 6sec-output.
3. IF vehicle speed over 10Km/h, SEAT BELT WARNING LAMP and CHIME BUZZER are Work for PATTERN 1TIME when SEAT BELT unfastened after IGN ON/ALT"L"ON.
4. IF vehicle speed below 5Km/h or IGN OFF or S/BELT fastened, Pattern is stop When pattern is running.
5. When S/BELT unfastened after ALT"ON", S/BELT fastened, S/BELT is following (3), (4).
6. When ALT"L" OFF->ON after S/BELT unfastened, S/BELT is following (1).
IGN1 OFF STATE










IGN1 ON After SEAT BELT SW ON










IGN1 ON after SEAT BELT SW OFF




















Pattern State
















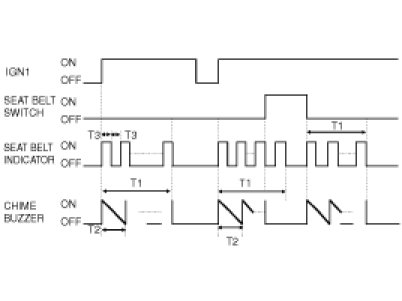
Seat Belt Warning Function
1. Seat belt indicator and BUZZER every 1sec for 6sec when IGN is ON.
2. Seat belt indicator and Chime Buzzer stop When IGN1 OFF.
3. Seat Belt SW ON and Chime Buzzer are directly stop, Seat Belt indicator work for remainder Time When Seat Belt SW ON.
4. IF Seat belt indicator is unfastened, Chime Buzzer sounds is work always for 6s after fastening SEAT BELT. when IGN is ON in the state.




T1 : 6s ± 1s, T2 : 1s ± 0.1s,
T3 : 0.5s ± 0.1s

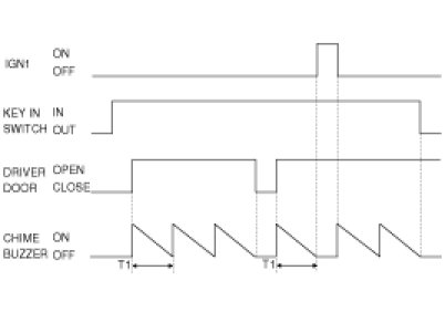
Key Operated Warning
1. Buzzer sounds every 0.6sec when DRIVER DOOR is opened under KEY IN SW is IN.
2. Buzzer stops sounding if KEY IN SW is OUT and Dr DOOR is closed during CHIME BUZZER output.
3. Buzzer stops sounds if IGN1 ON state during CHIME BUZZER output.




T1 : 0.6s ± 0.1s

Over Speed Warning
1. CHIME BUZZER sounds when HI-SPEED WARNING SW of CLUSTER is ON under IGN 2 ON.
2. CHIME BUZZER stops sounding if HI-SPEED signal is turned OFF.
3. CHIME BUZZER stops sounding if IGN2 is OFF.




T1 : 0.5Sec ± 0.1 Sec

Rear Defogger Timer
1. Defogger relay is turned for T1 if defogger SW is turned ON under ALT "L" ON.
2. Defogger relay is turned OFF if defogger SW is turned ON again under output ON or ALT"L" OFF.




T1 : 20MIN ± 1MIN

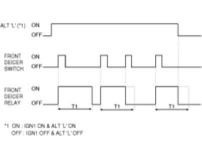
Front Deicer Timer
1. DEICER RELAY is turned for T1 if DEICER SW is turned ON under ALT "L" ON.
DEICER RELAY is turned OFF if DEICER SW is turned ON again under output ON or ALT"L" OFF.




T1 : 20MIN ± 1MIN

Delayed Room Lamp
1. ROOM LAMP lights 100% at DOOR OPEN (4DOOR SW ON).
At DOOR CLOSE (4DOOR SW OFF), the lamp phases out lighting up to 0% in 2sec after lighting 100% for 30sec.
2. Resolution is 32 STEP or more.
3. The lamp is immediately turned OFF at ALL DOOR LOCK or IGN SW is ON during T1(phasing out lighting for 2sec).
4. Should be no phasing out lighting if 4DOOR SW ON time is 0.08sec or less.
5. Should be no flashing.
6. Should be no flashing under 4DOOR OPEN and ROOM LAMP ON at IGN1 ON.
7. ROOM LAMP is turned ON for T3 when Tx UNLOCK signal is received under DOOR CLOSE.
ROOM LAMP signal output is extended for T3 if Tx UNLOCK signal is received under ON state.
The lamp lights continuously at DOOR OPEN under ON state. Operation in (1) is performed at DOOR CLOSE. ROOM LAMP signal is turned OFF at ALL DOOR LOCK during ROOM LAMP ON.(phasing out for 2sec).




T1 : 30s ± 3s, T2 : 2 ± 0.2s,
T3 : 32 ± 3.2s

Tail Lamp Auto Cut
1. TAIL RELAY is turned ON when changing TAIL SW from OFF to ON.
2. TAIL RELAY is turned OFF when TAIL SW is OFF.
3. TAIL RELAY is turned OFF if the state is changed from KEY IN SW ON and TAIL SW ON to KEY IN SW OFF, TAIL SW ON and Dr DOOR OPEN.(automatic light out)
4. TAIL RELAY is turned ON when KEY IN SW is turned ON after the operation in (3).
5. TAIL RELAY is not turned ON if Dr DOOR is closed after the operation in (3).
6. The previous MODE is held at BATTERY ON/OFF after the operation in (3).





Ign Key Hole Illumination
1. KEY ILLUMI LAMP is turned ON at IGN SW OFF and DOOR OPEN
2. KEY ILLUMI LAMP is turned ON for T1 at DOOR CLOSE after the operation in (1).
3. KEY ILLUMI LAMP is immediately turned OFF at IGN SW ON during output
4. KEY ILLUMI LAMP is immediately turned OFF at transition to warning MODE during output




T1 : 30s ± 1s

Central Door Lock/unlock
1. ALL DOOR LOCK signal is output for T1(0.5s) if Driver/Assist door key LOCK SW is turned ON.
2. All DOOR UNLOCK signals are output for T1(0.5s) if Driver/Assist door key UNLOCK SW is turned ON.
3. Changing from UNLOCK(LOCK) to LOCK (UNLOCK) is ignored during LOCK(UNLOCK) signal output by other functions.
4. ALL DOOR LOCK signals are output for T1 TLOCK signal is received.
5. ALL DOOR UNLOCK signals are output for T1 when TUNLOCK signal is received.
6. ALL DOOR LOCK signals are output for T1 if DOOR LOCK SW(Power window) is locked.
7. ALL DOOR LOCK signals are output for T1 if DOOR LOCK SW(Power window) is locked.
8. LOCK/UNLOCK by SAFETY KNOB operation is not interlocked (mechanical operation).
9. Shall be no malfunction at BATTERY connection. ( shall be no malfunction even at KEY IN position.)
10. Inputs which are 40msec or less shall not be received. (KEY LOCK/UNLOCK SW)
11. LOCK signals are output for T1 TLOCK signal is received.
** LOCK SIGNAL :
A. TXLOCK
B. DRIVER / ASSIST LOCK SW(POWER WINDOW) LOCK
C. Driver / Assist Door key unlock SW
12. UNLOCK signals are output for T1 when TUNLOCK signal is received
** UNLOCK SIGNAL :
Power window unlock
13. IF IGN1 ON, ignore DOOR KEY LOCK SW INPUT.









T1 : 0.5s ± 0.1s

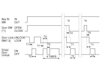
2-Turn Unlock
1. All DOOR UNLOCK(DR, AS, RR) signals are output for T2 if DRIVER DOOR KEY UNLOCK SW is turned ON within T1 after changing DR DOOR KEY UNLOCK SW from OFF to ON (mechanically,DRIVER DOOR LOCK SW is unlocked and BCM signal is not output).All DOOR UNLOCK (DR,AS,RR) signals are output even within T1 after TUNLOCK signal is received.)
2. DRIVER DOOR UNLOCK signal is output for T2 when TUNLOCK signal is received.But, all DOOR UNLOCK(DR,AS,RR) signals are output for T2 if TUNLOCK signal is received within T1.(All DOOR UNLOCK(DR, AS, RR) signals are output for T2 even when TUNLOCK signal in T1 is received after changing DRIVER DOOR KEY UNLOCK SW from OFF to ON.
*1: Even when Other TX signals, registered for T1, are received, they are regarded as the same TX.
*2: DOOR LOCK(UNLOCK) signal output by Dr DOOR LOCK SW(KNOB) change is not performed.




T1 : 4s ± 1s Within, T2 : 0.5s ± 0.1s

IGN Key Reminder
1. This function is not performed when vehicle speed is 3km/h or more.
2. Driver DOOR UNLOCK signals are output for 1s after 0.5s from when the state becomes KEY IN SW IN and Driver DOOR OPEN and DR DOOR LOCK SW LOCK
3. ALL UNLOCK signal is output for 1s after 0.5s from when the state becomes KEY IN SW IN and Assist DOOR OPEN and Assist DOOR LOCK SW LOCK
4. UNLOCK signal is output 3times as Max (1s-output is excluded) in case LOCK state is held even when UNLOCK signal is output for 1s in (2), (3), (4). (1s cycle: 0.5s ON/OFF)




T1, T3 : 0.5s ± 0.1s, T2 : 1s ± 0.1s,
T4 : 0.5s MAX

*1 OPEN : Driver DOOR OPEN or ASSIST DOOR OPEN
CLOSE : Driver DOOR CLOSE or ASSIST DOOR CLOSE
*2 UNLOCK : Driver DOOR or ASSIST DOOR LOCK SW UNLOCK
LOCK : Driver DOOR or ASSIST DOOR LOCK SW LOCK
*3 UNLOCK signal is output (only once) within 1s if DOOR is closed within 0.5s from DOOR LOCK SW(DRIVER or ASSIST) UNLOCK -> LOCK under KEY IN SW IN.
*4 UNLOCK signal is output (only once) within 1s if DOOR LOCK SW is locked within 0.5s from DOOR (DRIVER or ASSIST) OPEN ->CLOSE under KEY IN SW IN.
*5 ALL DOOR UNLOCK signal is output at CENTRAL DOOR LOCK(POWER WINDOW) after DRIVER DOOR & ASSIST DOOR OPEN under KEY IN.
* Judgment of the possibility of RETRY signal output is performed at RETRY signal output start.
(after 1.5s from the first UNLOCK signal output)
* After the condition if UNLOCK is met, UNLOCK signal is output if the condition is not held for 0.5s.
But, UNLOCK signal is not output if KEY IN SW is OUT at the moment that 0.5s passes after the condition is met by DOOR LOCK SW change from UNLOCK to LOCK.
* Output by DOOR LOCK/UNLOCK functions is not displayed in the above Time Chart

Crash Door Unlock
1. UNLOCK signal is always output when AIR BAG signal is input under IGN SW ON.
2. UNLOCK signal is output for the remaining time even when IGN SW ON is turned to OFF during UNLOCK output.
3. UNLOCK signal is not output when IGN SW OFF is turned to ON after AIR BAG signal is input in advance.
4. UNLOCK signal is output for T3 when DRIVER, ASSIST or REAR DOOR LOCK SW is locked from UNLOCK after UNLOCK signal is output.
5. AUTO DOOR LOCK function is not performed when CRASH UNLOCK condition is met.
6. CENTRAL DOOR LOCK function is not performed during or after CRASH UNLOCK signal output.
But, CENTRAL DOOR LOCK function is performed normally if CRASH UNLOCK function is reset after IGN OFF.




* Notice at DOOR LOCK/UNLOCK control
(1) Output at that time is immediately stopped and 100ms is extended when there is reverse direction output request during output, then the reverse direction output is performed. But, output is performed for the last received output request when there is output request during extending 100ms.
(2) LOCK signal output is performed and UNLOCK signal output request is ignored when LOCK signal output and UNLOCK signal output are performed at the same time.
(3) CRASH DOOR UNLOCK function is given priority than LOCK/UNLOCK control by other functions.
(4) LOCK/UNLOCK signal request by other functions is ignored during and after CRASH DOOR UNLOCK signal output.
But, LOCK/UNLOCK signal control by other functions are performed in case of IGN1 SW OFF and IGN2 SW OFF.
(5) LOCK (UNLOCK) signal request is not output again when All LOCK(UNLOCK) SW is LOCK (UNLOCK) state.
But, Dr DOOR UNLOCK signal request is not output again when Dr DOOR LOCK SW is UNLOCK state.
(6) Dr DOOR UNLOCK signal is output as well as ALL DOOR UNLOCK signal when there is ALL DOOR UNLOCK signal output request during Dr DOOR UNLOCK output.

Auto Door Unlock
1. All door unlock signal output in case of any door lock after key out.




T1 : 0.5s ± 0.1s

Power Window Timer
1. P/WINDOW RELAY it turned ON at IGN SW ON
2. P/WINDOW RELAY is turned ON for T1 at IGN SW OFF
3. P/WINDOW RELAY is immediately turned OFF if DOOR is opened under P/WINDOW RELAY ON for T1.
4. P/WINDOW RELAY is immediately turned OFF at IGN SW ON->OFF under DOOR OPEN.




T1 : 30s ± 3s