Operation CHARM: Car repair manuals for everyone.
Manuals through 2025 now available!

Our trusted friends have launched a new website named LEMON, which has newer manuals. It also contains all the CHARM manuals.

LEMON is the spiritual successor to CHARM, I recommend you try it!

Link: lemon-manuals.la or lemon-manuals.org.ua

(Some people have issue connecting. LEMON is investigating. For now, use Firefox or change your DNS server)

Or, hide this message: temporarily or permanently

Keyless Entry: Description and Operation





Description

Burglar Alarm System
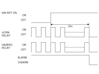
The burglar alarm system is armed automatically after the doors, hood, and tailgate are closed and locked.
The system is set off when any of these things occur using a transmitter :
- A door is forced open.
- The tailgate is opened.
- The hood is opened.
When the system is set off, the alarm sounds and the hazard lamp flash for about 30 seconds or until the system is disarmed by unlocking the transmitter or door key.
For the system to arm, the ignition switch must be off and the key removed. Then, the body control module must receive signals that the doors, hood, and tailgate are closed and locked. When everything is closed and locked, none of the control unit inputs are grounded.
The door switches, hood switch and tailgate switch are all close and lock the doors with the remote transmitter and then the system arms after 30s.
If anything is opened after the system is armed, the body control module gets a ground signal from that switch, and the system is set off.
If one of the switches is misadjusted or there is a short in the system, the system will not arm. As long as the body control module continues to get a ground signal, it thinks the vehicle is not closed and locked and will not arm.

Keyless Entry System
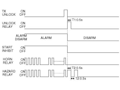
The burglar alarm system is integrated with the keyless entry system. The keyless entry system allows you to lock and Unlock the vehicle with the remote transmitter. When you push the LOCK button, all doors lock. When you push the Unlock button again, all doors Unlock.
The room lamp, if its switch is in the center position, will come on when you press the Unlock button. If you do not open a door, the light will go off in about 30 seconds, the doors will automatically relock, and the burglar alarm system will rearm. If you relock the doors with the remote transmitter within 30 seconds, the light will go off immediately.
You cannot lock or unlock the doors with the remote transmitter if the key is in the ignition switch.
The system will signal you when the doors lock and unlock by flashing the hazard lamp once when they lock and closed, and twice when they unlock.

Function

Keyless Entry Function
Door Lock / Unlock and Tailgate operations are performed with remocon
1. Keyless entry function is performed in a state that key in SW is eliminated from key cylinder
2. LOCK / Unlock and tailgate signals are received from the transmitter and Door Lock / Unlock and Tailgate signals are output.
3. In case of tailgate, this operation is performed when pushing the button for 0.5s or more.

Transmitter(TX) Spec
1. Transmission Distance : 30m or more from outside of the car
2. Registration procedure of the transmitter
(1) In registration mode, it shall be possible to register up to Max 4EA.
(2) At re-registration, data are registered newly after deleting the previous TDATA





(3) For the registration procedures by using Hi-scan tool, refer to "Transmitter Code Registration".
3. Code Saving Procedure
(1) Open the Door.
(2) Connect power source for Code Saver (B+), GND, signal lines.
(3) If it is normal, signal lines will be activated and RED LED will turn on.
(4) When SW of Code Saver turns on, data will be transmitted via signal lines.
(5) BCM changes into Code Save mode when receiving data from Code Saver and sends Code Save Start signals via signal lines.
(6) Code Saver makes Green LED turn on when receiving Code Save Start signals.
(7) BCM saves Codes when pressing Lock or Unlock button of the transmitter.
(8) If there are 2 transmitters for Code Saving, register them by performing (7) once more.
(9) If SW of Code Saver turns off or is disconnected, Code Saving mode will stop.
4. Transmitter signal & Receiver Spec
(1) Transmission signal
A. Transmit relevant transmission DATA (Transmission frame) twice by pushing TSW.
B. Only LOCK signal is output when pushing TLOCK SW and Unlock SW at the same time.

Block Diagram
Anti-theft Control Data Flow




RKE CMD : TLOCK, TUNLOCK, T/GATE UNLOCK

Disarm
Condition 1













Condition 2





Condition 3





Condition 4





Condition 5





Condition 6





Condition 7





Condition 8





Condition 9






Arm
Condition 1





Condition 2






Alarm
Condition 1









T1 : 27s ± 2sec, T2 : 0.5s ± 0.1sec.

NOTE:
Horn Output : Period : 1sec(Can be calibrated Horn Period), 50% Duty

Condition 2









T1 : 27 ± 2sec, T2 : 0.4 - 0.5sec, T3 : 10 ± 1sec

Arm Wait Mode
Condition 1





Condition 2





Condition 3





Condition 4





Condition 5





Condition 6





Condition 7










Rearm Mode
Condition 1






Autolocktimer1 Mode
Condition 1





Condition 2





Condition 3





Condition 4





Condition 5





Condition 6





Condition 7






Autolocktimer2 Mode
Condition 1





Condition 2





Condition 3





Condition 4






Autolock Timer3 Mode
Condition 1





Condition 2





Condition 3






Prearm Mode
Condition 1





Condition 2





Condition 3





Condition 4






Reset
Condition 1





Condition 2





Condition 3






Panic Alarm
This is a function of panic alarm in vehicles using Horn relay and Hazard relay.
On condition of Key In SW OFF, IGN1 OFF, IGN2 OFF operation is started when inputting PANIC of Tx and stopped on condition of situations below.
1. When inputting TLOCK
2. When inputting TUNLOCK
3. When inputting PANIC
4. When inputting TX tailgate UNLOCK
5. When inputting Key In SW ON or IGN1 ON or IGN2 ON
6. After finishing PANIC alarm operation
7. When entering the ARM mode
8. When Driver door key unlock SW is ON
9. When Assist door Key Unlock SW is ON
10. When Driver door Key Lock SW is ON
11. When Assist door Key Lock SW is ON
PANIC ALARM operates regardless of Burglar alarm mode but stops when entering the ARM mode and is performed even in the alarm mode by Burglar alarm.
HORN and HAZARD operations by ANTITHEFT function have priority to PANIC ALARM and Horn relay and Hazard relay should be OFF during the break time of 10 sec during the alarm by ANTITHEFT.








T1 : 0.9 ± 0.1sec, T30 : 27 ± 3sec

Horn Answer Back
1. HORN OUTPUT is kept pace when operating HAZARD if ARM WAIT condition is maintained by TLOCK within 4sec after entering ARM WAIT by TLOCK.
2. HORN OUTPUT is kept pace when operating HAZARD of ARM is maintained by TLOCK within 4sec after inputting TLOCK on condition of ARM.
3. Horn relay will not be outputted in case that ARMWAIT or ARM mode is cancelled during T1.
4. Horn relay will be outputted though different TLOCK which is registered during T1 is received.




*1 OPEN
1) DRV DR SW or AST DR SW or RL DR SW or RR DR SW OPEN
2) Tailgate Unlock SW ON
3) Hood SW OPEN
When one of 1), 2), 3)
CLOSE :
1) DRV DR SW and AST DR SW and RL DR SW and RR DR SW CLOSE
2) Tailgate Unlock SW OFF
3) Hood SW CLOSE
When satisfied all of 1), 2), 3) condition