Operation CHARM: Car repair manuals for everyone.
Manuals through 2025 now available!

Our trusted friends have launched a new website named LEMON, which has newer manuals. It also contains all the CHARM manuals.

LEMON is the spiritual successor to CHARM, I recommend you try it!

Link: lemon-manuals.la or lemon-manuals.org.ua

(Some people have issue connecting. LEMON is investigating. For now, use Firefox or change your DNS server)

Or, hide this message: temporarily or permanently

Repair Procedures





Removal

[3.3L, 3.8L]
1. Remove the front wheel & tire.

Tightening torque :
88.3 - 107.9N.m (9.0 - 11.0kgf.m, 65.1 - 79.6lb-ft)


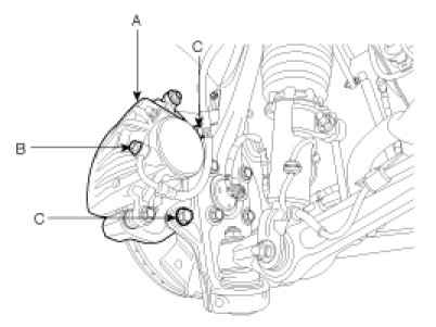
2. Loosen the hose eyebolt (B) and caliper mounting bolts (C), then remove the front caliper assembly (A).

Tightening torque :
Brake hose to caliper:
24.5 - 29.4N.m (2.5 - 3.0kgf.m, 18.1 - 21.7lb-ft)
Caliper assembly to knuckle:
78.5 - 98.1N.m (8.0 - 10.0kgf.m, 57.9 - 72.3lb-ft)





3. Remove the front brake disc by loosening the screws (2EA).






Installation

1. Installation is the reverse of removal.
2. Use a SST (09581-11000) when installing the brake caliper assembly.
3. After installation, bleed the brake system.