Operation CHARM: Car repair manuals for everyone.
Manuals through 2025 now available!

Our trusted friends have launched a new website named LEMON, which has newer manuals. It also contains all the CHARM manuals.

LEMON is the spiritual successor to CHARM, I recommend you try it!

Link: lemon-manuals.la or lemon-manuals.org.ua

(Some people have issue connecting. LEMON is investigating. For now, use Firefox or change your DNS server)

Or, hide this message: temporarily or permanently

Fluid - A/T: Service and Repair





Inspection And Adjustment

Procedure Of ATF Level Adjusting
1. Park the vehicle on a flat load and lock the tires.
2. Shift the shift lever to "P" range. Do not start the engine.
3. Using a TORX wrench, remove the overflow plug (A) and the gasket under 30°C(86°F) of ATF temperature.

CAUTION:
Be sure not to remove the drain plug (B).




4. Remove the filling plug (A) and the "O" ring.
(If ATF drops, go to step 6)




5. Check if ATF drops from the overflow hole. If ATF does not drop, add ATF until it drops.

Specified ATF :NWS-9638


6. Using a TORX wrench,install the overflow plug lightly to stop leakage.
7. Install the filling plug lightly to stop leakage.
8. Start the engine.
9. Wait until ATF temperature has reached the appropriate level. (3.3L: 36°C(97°F), 3.8L: 35°C(95°F))

CAUTION:
Do not raise ATF temperature by "Stall test"

10. Shift through all ranges, from "P" to "D". Stay in each range for more than 2 seconds.
Perform this step twice, and then return to "P".
11. Remove filling plug and add ATF(3.8L:0.2L,3.3L: 0.3L) from the filling hole.

ATF :NWS-9638


12. Coat a new "O" ring with ATF, and instal it to the filling plug (A).

O-ring size:
inner dia.-15.41mm(0.61in), thickness-2.21mm(0.087in)
Tightening torque :
24 - 56 Nm(2.4 - 5.6 kgf.m, 17.4 - 40.5 lb-ft)





13. Using a TORX wrench, remove the overflow plug and the gasket.
14. Check that the ATF flows out of the overflow hole.
Wait until there is no more ATF flowing out of the overflow hole.
(ATF temperature : 36-41°C(97-106°F)(3.3L), 35-39 °C(95-102°F)(3.8L))
15. Using a TORX wrench, install the overflow plug (A) with a new gasket.

Tightening torque :
17.9 - 23 Nm(1.79 - 2.3 kgf.m, 12.95 - 16.6 lb-ft)






Replacement Of Flange York Assembly
1. Remove the propeller shaft assembly. (refer to Propellar shaft in DS group)
2. Using a hammer and chisel, loosen the staked part of the nut.




3. Remove the nut and flange yoke.




4. Remove the oil seal from the flange yoke.

CAUTION:
Be careful not to damage the flange yoke.




5. Using the special service tool(09452-3M200) and a hammer, install a new oil seal to the flange yoke.

Specification :
0 + 0.3mm(0.012in) (shown in the figure)


CAUTION:
- Be careful not to damage the flange yoke oil seal.
- Be careful not to damage the flange yoke.




6. Install the flange yoke to the output shaft with a new nut.

Tightening torque :
11.7 - 14.0 Nm(1.17 - 1.40 kgf.m, 8.46 - 10.12 lb-ft)





7. Using a hammer and chisel, stake the nut.




8. Install the propeller shaft assembly. (refer to Propellar shaft in DS group)

Replacement for Oil seal of Extension housing assembly
1. Remove the propeller shaft assembly. (refer to Propellar shaft in DS group)
2. Remove the flange york. (refer to Flange york replacement)
3. Remove the oil seal from the extension housing.

CAUTION:
- Be careful not to damage the extension dust deflector.
- Be careful not to damage the extension housing.




4. Using the special service tool(09452-3M300) and a hammer, install the new oil seal to the extension housing assembly.

Specification :
2 ±0.2mm(0.0787 ±0.0078in) (From the end of the extension housing)


CAUTION:
- Be careful not to damage the extension dust deflector.
- Be careful not to damage the extension housing.




5. Coat the oil seal lip with grease.
6. Install the flange york. (refer to Flange york replacement)
7. Install the propeller shaft assembly. (refer to Propellar shaft in DS group)

Replacement for Oil seal of Front oil pump assembly
1. Drain ATF by removing the drain plug and the gasket from the oil pan.
2. Remove the A/T assembly (refer to Automatic transmission Removal)
3. Remove the torque converter assembly.
4. Using the special service tool(09455-32200), remove the oil seal from the oil pump assembly

CAUTION:
Be careful not to damage the bushing and the oil pump assembly.




5. Using the special service tool(09452-3M100) and a hammer, install the new oil seal to the oil pump assembly. Coat the oil seal lip with grease.

Specification :
0 + 0.2mm(0.0078in) (From the end of the pump assembly)





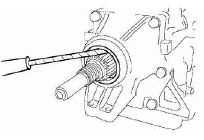
6. Using a screwdriver, position the drive gear on the oil pump assembly in the center. Then install the torque converter assembly on the A/T assembly.

CAUTION:
- Be careful not to damage the oil seal.
- Be careful not to drop the torque converter.

7. Measure the dimension from the end face of the housing to the torque converter assembly as shown in the figure, and check that the torque converter assembly is installed properly.

Specification :26.6mm(1.047in)





8. Install the A/T assembly (refer to Automatic transmission Installation)
9. Refill ATF. (refer to Procedure of ATF level adjusting)