Operation CHARM: Car repair manuals for everyone.
Manuals through 2025 now available!

Our trusted friends have launched a new website named LEMON, which has newer manuals. It also contains all the CHARM manuals.

LEMON is the spiritual successor to CHARM, I recommend you try it!

Link: lemon-manuals.la or lemon-manuals.org.ua

(Some people have issue connecting. LEMON is investigating. For now, use Firefox or change your DNS server)

Or, hide this message: temporarily or permanently

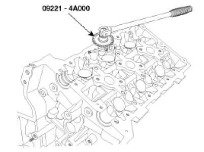
Cylinder Head





NOTE: Head Bolts are reusable.

Cylinder Head

Install cylinder head bolts.

1. Do not apply engine oil on the threads and under the heads of the cylinder head bolts.
2. Using SST(09221-4A000), install and tighten the cylinder head bolts and plate washers, in several passes, in the sequence shown.

Tightening torque

Head bolt 39.2 N.m (4.0 kgf.m, 28.9 lb-ft)+ 120° + 90°

Bolt (A) 18.6 - 23.5 Nm (1.9 - 2.4 kgf.m, 13.7 - 17.4 lb-ft)