Operation CHARM: Car repair manuals for everyone.
Manuals through 2025 now available!

Our trusted friends have launched a new website named LEMON, which has newer manuals. It also contains all the CHARM manuals.

LEMON is the spiritual successor to CHARM, I recommend you try it!

Link: lemon-manuals.la or lemon-manuals.org.ua

(Some people have issue connecting. LEMON is investigating. For now, use Firefox or change your DNS server)

Or, hide this message: temporarily or permanently

Keyless Entry: Description and Operation





Description

Burglar Alarm System
The burglar alarm system is armed automatically after the doors, hood, and tailgate are closed and locked.

The system is set off when any of these things occur :
- A door is forced open.
- The tailgate is opened without using the key.
- The hood is opened.

When the system is set off, the alarm sounds and the hazard lamp flash for about 30 seconds or until the system is disarmed by unlocking the transmitter.

For the system to arm, the ignition switch must be off and the key removed. Then, the body control module must receive signals that the doors, hood, and tailgate are closed and locked. When everything is closed and locked, none of the control unit inputs are grounded.

The door switches, hood switch and tailgate switch are all close and lock the doors with the remote transmitter and then the system arms immediately.

If anything is opened after the system is armed, the body control module gets a ground signal from that switch, and the system is set off.

If one of the switches is misadjusted or there is a short in the system, the system will not arm. As long as the body control module continues to get a ground signal, it thinks the vehicle is not closed and locked and will not arm.

Keyless Entry System
The burglar alarm system is integrated with the keyless entry system. The keyless entry system allows you to lock and unlock the vehicle with the remote transmitter. When you push the LOCK button, all doors lock. When you push the UNLOCK button again, all doors unlock.

The room lamp, if its switch is in the center position, will come on when you press the UNLOCK button. If you do not open a door, the light will go off in about 30 seconds, the doors will automatically relock, and the burglar alarm system will rearm. If you relock the doors with the remote transmitter within 30 seconds, the light will go off immediately.

You cannot lock or unlock the doors with the remote transmitter if the key is in the ignition switch.

The system will signal you when the doors lock and unlock by flashing the hazard lamp once when they lock, and twice when they unlock.

Function

Anti-theft Warning System




1. DISARM
Condition 1





Condition 2





Condition 3





Condition 4





Condition 5





Condition 6





Condition 7





Condition 8





2. ARM
Condition 1





Condition 2





3. ALARM
Condition 1





Condition 2









T1 : 27 ± 2sec, T2 : 0.4 - 0.5 sec,
T3 : 10 ± 1sec.
4. ARM WAIT
Condition 1





Condition 2





Condition 3





Condition 4





Condition 5





Condition 6





5. REARM
Condition 1





6. AUTO-LOCK TIMER1
Condition 1





Condition 2





Condition 3





Condition 4





Condition 5





Condition 6





7. AUTO-LOCK TIMER 2
Condition 1





Condition 2





Condition 3





Condition 4





8. PREARM
Condition 1





Condition 2





Condition 3





9. RESET
Condition 1





Condition 2





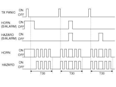
10. PANIC ALARM
This function is to give the PANIC ALARM of the vehicle by using the HORN and HAZARD.
The alarm starts the operating when the TX's PANIC signal is input in the state that KEYIN is OFF, ACC is OFF, IGN1 is OFF, IGN2 is OFF, and stops in the following conditions.
(1) When the TX is locked
(2) When the TX is unlocked
(3) When the PANIC signal is input
(4) KEY IN ON OR INGN1 ON OR IGN2 ON INPUT
(5) After PANIC alarm operating completion
(6) When entered into the ARM mode
The PANIC ALRM is operated regardless of the Burglar alarm mode, but it is stopped when entered into the ARM mode, and the PANIC operating is also performed in the alarm mode by the Burglar alarm and the PANIC operating is performed under PANIC operating.
The HORN and HAZARD operating by the Burglar alarm function shall be prior to the PANIC ALARM and the HORN shall be OFF during the pause period of 10s under alarm in the alarming state by Burglar alarm.








T1 : 1 ± 0.1 sec,
T30 : 30 ± 3 sec.
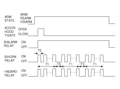
11. HORN ANSWER BACK
(1) If the ARM WAIT state is maintained by the TLOCK within 4s after entered into the ARM WAIT state by the TLOCK, the HORN OUPUT shall be gone side by side when the HAZARD alarm is operated.
(2) If the ARM state is maintained by the TLOCK within 4s after the TLOCK input in the ARM state, the HORN OUPUT shall be gone side by side when the HAZARD alarm is operated.
(3) If the ARMWAIT or ARM mode is canceled for T1, the HORN AND HAZARD shall not be output.
(4) Even if other registered TLOCK during T1 operating is received, the HORN AND HAZARD shall be output.




T1 : within 4 sec, T2 : 0.05 ± 0.01 sec.