Operation CHARM: Car repair manuals for everyone.
Manuals through 2025 now available!

Our trusted friends have launched a new website named LEMON, which has newer manuals. It also contains all the CHARM manuals.

LEMON is the spiritual successor to CHARM, I recommend you try it!

Link: lemon-manuals.la or lemon-manuals.org.ua

(Some people have issue connecting. LEMON is investigating. For now, use Firefox or change your DNS server)

Or, hide this message: temporarily or permanently

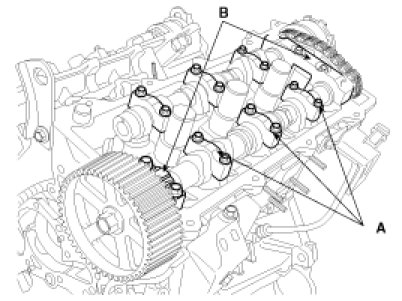
Camshaft Bearing Cap





Camshaft Bearing Cap

Install the camshaft bearing caps.

Tightening torque
Bearing cap bolt (A: 6•38) 10.8 - 12.7 Nm (1.1 - 1.3 kgf.m, 8.0 - 9.4 lb-ft)
Bearing cap bolt (B: 8•38) 20.6 - 22.5 Nm (2.1 - 2.6 kgf.m, 15.2 - 18.8 lb-ft)