Operation CHARM: Car repair manuals for everyone.
Manuals through 2025 now available!

Our trusted friends have launched a new website named LEMON, which has newer manuals. It also contains all the CHARM manuals.

LEMON is the spiritual successor to CHARM, I recommend you try it!

Link: lemon-manuals.la or lemon-manuals.org.ua

(Some people have issue connecting. LEMON is investigating. For now, use Firefox or change your DNS server)

Or, hide this message: temporarily or permanently

Keyless Entry: Description and Operation





Description

Burglar Alarm System
The burglar alarm system is armed automatically after the doors, hood, and trunk lid are closed and locked.

The system is set off when any of these things occur:
- A door is forced open.
- A door is unlocked without using the transmitter & key.
- The trunk lid is opened without using the key.
- The hood is opened.
- The engine starter circuit and battery circuit are bypassed by breaking the ignition switch.

When the system is set off, the alarm (horn) sounds and the hazard lamp flash for about two minutes or until the system is disarmed by unlocking the transmitter.

For the system to arm, the ignition switch must be off and the key removed. Then, the body control module must receive signals that the doors, hood, and trunk lid are closed and locked. When everything is closed and locked, none of the control unit inputs are grounded.

The door switches, hood switch and trunk lid switch are all close and lock the doors with the remote transmitter and then the system arms immediately.

If anything is opened or improperly unlocked after the system is armed, the body control module gets a ground signal from that switch, and the system is set off.

If one of the switches is misadjusted or there is a short in the system, the system will not arm. As long as the body control module continues to get a ground signal, it thinks the vehicle is not closed and locked and will not arm.

The receiver is integrated in the body control module.

Keyless Entry System
The burglar alarm system is integrated with the keyless entry system. The keyless entry system allows you to lock and unlock the vehicle with the remote transmitter. When you push the LOCK button, all doors lock. When you push the UNLOCK button, driver door unlock. If the unlock button is pressed a second time right away, the remain doors unlock.

The room lamp, if its switch is in the door position, will come on when you press the UNLOCK button. If you do not open a door, the light will go off in about 30 seconds, the doors will automatically relock, and the burglar alarm system will rearm. If you relock the doors with the remote transmitter within 30 seconds, the light will go off immediately.

You cannot lock or unlock the doors with the remote transmitter if the key is in the ignition switch.

The system will signal you when the doors lock and unlock by flashing the hazard lamp once when they lock, and twice when they unlock.

Panic Mode
The panic mode causes the BCM to sound the alarm with the remote transmitter in order to attract attention. When the PANIC button is pressed, the alarm will sound and exterior lights will flash for about 30 seconds.
The panic mode can be canceled at any time by pressing any button on the remote transmitter or by turning the ignition switch ON. The panic mode will not function if the key in.
The panic mode can be canceled by lock or unlock with the key.

Functions

Anti-theft Function
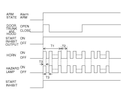
1. ARM Function
(1) When using LOCK on the RKE (Remote Keyless Entry) or DOOR KEY the doors will lock, the hazard lamp will blink once within 0.6 seconds and the Anti-Theft System will ARM, if the following conditions have been met.
A. The ignition key is removed from the ignition switch.
B. All entry points are closed (doors, trunk, and hood)
** Hazard lamp will not blink when driver door key lock switch transits to ARM mode by OFF->ON.
(2) If either the door or trunk or hood is open when activating LOCK using the RKE, the doors will lock, however the hazard lamp will not flash and the Anti-Theft System will not arm.
(3) In Step 2) if the opened entry points are subsequently closed... the door will lock, the hazard lamp will blink once and the Anti-Theft System will ARM.
(4) If the UNLOCK signal is sent by the RKE or DOOR KEY, and either the ignition key is not inserted or entry (door, trunk, hood) to the vehicle is not made within 30 seconds, the LOCK mode will be automatically reset, the hazard lamps will blink, and the Anti-Theft System will rearm. (Key IN = Key Insertion)
(Provided that there is no automatic lock function at a period of 30 seconds, when the UNLOCK is done by the RKE with an entry being open).




T1 : 0.6 sec,
T2 : 1.0 ±0.2 sec
2. ALARM Function
(1) When DOOR, HOOD or TRUNK is opened without TUNLOCK or KEY UNLOCK signal in ARM MODE.
(2) When Driver, Assist, Rear door or Hood is opened in Alarm Hold mode.
(3) When DOOR, HOOD and TRUNK are opened from closed in Alarm end mode (after 3 times Alarm).
(4) START INHIBIT ON is held and the alarm is output for the remaining time even when DOOR, HOOD or TRUNK is closed during alarm.
(5) 2 times Alarm (27Ss ON / 10s OFF)




T1 : 27 ± 2 sec,
T2 : 10 ± 1 sec,
T3 : 0.45 ± 0.1 sec.
3. ALARM Clearance
(1) UNLOCK signal is output for 0.5s, alarm and START INHIBIT signal output become OFF when TUNLOCK signal is received or DOOR KEY UNLOCK switch signal is received.
(2) LOCK signal is output for 0.5s, and alarm and START INHIBIT signal output become OFF when TLOCK signal is received or DOOR KEY LOCK switch signal is received.
(3) Alarm and START INHIBIT signal output become OFF and the state becomes DISARM if "KEY IN SW=ON & IGN1 SW=ON & IGN2 SW=ON" is continued for 30s.
In ARM mode, the state becomes DISARM in case of "KEY IN SW=ON & IGN1 SW=ON & IGN2 SW=ON".
(4) DISARM is performed when IGN KEY IN(KEY IN SW=ON & IGN1 SW=ON & IGN2 SW=ON) & (ALT "L"= ON DURING 3sec),
(5) In ARM mode, the state becomes DISARM at Driver,Assist, KEY UNLOCK SW ON and the state becomes OFF, then the state becomes DISARM.
(6) Under ALARM, Driver,Assist,TRUNK KEY UNLOCK SW is turned ON, START INHIBIT signal output
(7) If TRUNK is not opened after TRUNK UNLOCK signal is received with TX or KEY, the mode enters into ARM mode 30s later after that.
(8) If TRUNK is opened and closed again after TRUNK UNLOCK signal is received with TX or KEY, the mode enters into ARM mode 30s later after that.




4. Battery Separation
(1) When the battery is reconnected after having been disconnected/removed while in ARM mode. ARM mode continues.
(2) When the battery is reconnected after having been disconnected/removed, and after the alarm completes, the alarm will restart.
(3) When battery is reconnected after having been disconnected/ removed during an active alarm, the alarm sequence will restart from the beginning.
5. Security Indicator
(1) Security indicator: 0.3s ON, 2s OFF under key off.
(2) After entering to ARM, security indicator: 0.3s ON, 0.5s OFF in first 8s.
(3) After entering to ARM, the first 8s-TIMER is not reset when receiving RKE LOCK or KEY LOCK signal during the cycle: 0.3s ON, 0.5s OFF in the first 8s.
(4) 0.3s ON, 2s OFF if ARM is canceled during the cycle 0.3s ON, 0.5s OFF in the first 8s after entering to ARM.
(5) After entering to ARM, 0.3s ON, 2s OFF after the first 8s.
(6) Security indicator is OFF under key insert to key cylinder.
(7) 0.3s ON 0, 5s OFF during ALARM mode and PANIC mode.




6. Door Unlock By P/window And Trunk Open Inhibition Functions
(1) Unlock signal output with door unlock switch by P/window and trunk switch is prohibited in case of RKE LOCK under ignition key off.
(2) Unlock signal output with door unlock switch and trunk switch by P/window is inhibited in case of door lock with door key under ignition key off.
(3) Unlock inhibition function is cancelled in case of RKE UNLOCK while door unlock inhibition function activates.
(4) Unlock inhibition function by P/window is cancelled in case of door unlock with door key while door unlock inhibition function activates.
(5) Unlock inhibition function by P/window is cancelled at ignition key in & on.
(6) In ARM mode, unlock signal by by P/window input is not output.




T1 : 0.5 ± 0.1 sec.
7. Trunk Open With Rke
(1) Trunk release relay is turned ON for 0.5s if trunk signal of RKE is received. (Hold mode under ARM)
(2) Trunk release relay is turned ON for 0.5s in case of Trunk release switch OFF->ON.
(3) In ARM mode, signal by Trunk release switch input is not output.




T1 : 0.5 ± 0.1 sec.
8. Panic Alarm
(1) PANIC alarm is turned ON for T1 by using horn and hazard if RKE PANIC signal is received.
(2) PANIC alarm is turned OFF if (RKE LOCK/UNLOCK/PANIC/TRUNK UNLOCK /KEY IN /DOOR KEY LOCK/DOOR KEY UNLOCK / TRUNK KEY UNLOCK ) signals are received during PANIC alarm.
(3) PANIC signal output is immediately turned OFF and the state becomes ARM state if the condition for ARM is met during PANIC alarm.
(4) The below is about antitheft alarm.
A. Antitheft alarm does not stop even when PANIC signal of RKE is received during the alarm. (PANIC signal reception is ignored)
B. Antitheft alarm signal is output when the condition for antitheft is met during PANIC alarm. (PANIC signal output : OFF)
C. PANIC alarm is turned ON with continuing antitheft function when PANIC signal is received in ARM stand-by / ARM / Alarm end / RELOCK stand-by mode.




T1 : 30 ± 3 sec
9. Horn Answer Back
(1) Under DOOR, TRUNK or HOOD: closed, horn and hazard(1s-output) signals are output if RKE LOCK signal is received again within T1 from the moment when the mode transits to ARM mode by RKE LOCK operation and ARM mode is kept.
(2) Horn and hazard signals are not output if ARM mode is cancelled for T1.
(3) Horn and hazard signal are output even when other LOCK signals of RKE, registered during T1, are received.




T1 : within 4sec