Operation CHARM: Car repair manuals for everyone.
Manuals through 2025 now available!

Our trusted friends have launched a new website named LEMON, which has newer manuals. It also contains all the CHARM manuals.

LEMON is the spiritual successor to CHARM, I recommend you try it!

Link: lemon-manuals.la or lemon-manuals.org.ua

(Some people have issue connecting. LEMON is investigating. For now, use Firefox or change your DNS server)

Or, hide this message: temporarily or permanently

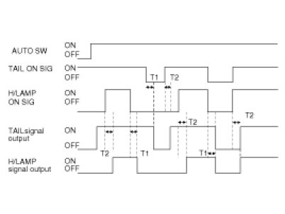
Auto Lighting Control System





Inspection

1. While operating the auto light switch, check if the operations are normal as shown in the timing chart.
2. If operations are abnormal, check the body control module.
(1) Auto light sensor value is always read at IGN ON.
(2) Light is turned ON after 2sec±0.2sec when auto light sensor value is same as light ON input value.
(3) Light is turned OFF after 2sec±0.2sec when sensor value is same as light OFF input value.
(4) Tail lamp and head lamp are turned ON when sensor value is same as tail lamp ON input value.
(5) Light ON value of sensor is based on the below table.
(6) Head lamp signal is output when head lamp switch is ON.
(7) After head lamp is turned OFF, head lamp signal output is kept if head lamp ON luminance condition is met at auto light switch ON.
(8) After head lamp is turned OFF, head lamp signal output is immediately stopped if head lamp OFF luminance condition is met at auto light switch ON.
(9) After head lamp is turned OFF, head lamp signal output is immediately stopped at tail switch signal input.
(10) After head lamp is turned OFF, head lamp signal output is stopped after 0.7s if there is no input of auto light switch or tail switch. (Shall be no flashing of head lamp)
(11) Head lamp signal output is stopped when switch position is changed from AUTO to head lamp switch during head lamp ON with auto light. (Shall be no flashing of head lamp)
(12) The condition of head lamp ON/OFF is same as the one of tail lamp ON/OFF at auto light switch ON. Light ON value of the input sensor is based on the table.









T1/T2 : 2.0 ± 0.2sec.