Operation CHARM: Car repair manuals for everyone.
Manuals through 2025 now available!

Our trusted friends have launched a new website named LEMON, which has newer manuals. It also contains all the CHARM manuals.

LEMON is the spiritual successor to CHARM, I recommend you try it!

Link: lemon-manuals.la or lemon-manuals.org.ua

(Some people have issue connecting. LEMON is investigating. For now, use Firefox or change your DNS server)

Or, hide this message: temporarily or permanently

Keyless Entry: Description and Operation





Description

Burglar Alarm System
The system is set off when any of these things occur :
- A door is forced open.
- A door is unlocked without using the transmitter or key.
- The tailgate is opened without using the key.
- The hood is opened.
- The engine starter circuit and battery circuit are bypassed by breaking the ignition switch.

Keyless Entry System

Panic Mode
The panic mode causes the ETACS to sound the alarm with the remote transmitter in order to attract attention. When the PANIC button is pressed and held for 2 seconds, the alarm will sound and exterior lights will flash for about 30 seconds.

The panic mode can be canceled at any time by pressing any button on the remote transmitter or by turning the ignition switch ON. The panic mode will not function if the key in.

The panic mode can be canceled by lock or unlock with the key.

Anti-theft Function

1. ARM Function
Pressing the remote key lock button will result in a 0.5-second pulse issued to lock all doors.
Pressing the remote unlock button once will result in a 0.5-second unlock pulse issued to unlock all doors the drivers door.
Pressing the remote unlock button a second time right away will result in a 0.5-second unlock pulse issued to unlock remain doors.
As part of the arming sequence the alarm first enters a pre-armed state before falling into the armed state. During this pre-armed state alarm triggers are ignored. Pre-armed state can be reached from the alarmed state, the start inhibit state or the disarmed state. Pre-Arming of the alarm can be achieved by a press of the lock button on the remote key.
In the pre-armed state the visible and audible warnings are disabled.
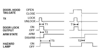
This system enters the armed state if it is in the pre-armed state and,after 0.6 sec, check actuator lock and each door, hood and tailgate close,and no door warning switch (no key in ignition).
On entering the arm state, a single flash of the hazard lamps is given,period of cycle 2 second, duty rate 50%.
If transmitter(TX) lock signal is received when a door, tailgate or hood is open,then lock output is given and a flash of hazard is not given.
After the armed state is entered, if a closed signal is received then a single flash of the hazard lamps is given, period of cycle 2 second, duty rate 50%.




Time specification
T1 : 0.5 ± 0.1 sec.
T2 : Max. 2 sec.
T3 : 1.0 ± 0.2 sec.
2. Disarm Function
Disarming can be performed while the alarm is armed, or alarming, or after alarming. The alarm can be disarmed by the following methods :
A. Pressing the unlock button on the transmitter(TX) key. The hazard lamps shall be flashed twice for 1sec period (of cycle), 50% duty rate.
B. If door warning switch is on, IGN1 and IGN2 are on in arm state,then arm state should be immediately cancelled. This means that the driver is inside the vehicle before pushing TX lock, so system should not arm.
In the disarm state the visible and audible warnings are disabled and start is enabled.
In the disarm state, if TX key unlock command is received, then the hazard lamps shall be flashed twice for period of cycle 1 sec, 50% duty rate.
The hazard lamps will be flashed in the same way when unlocking with the key.




Time specification
T1, T2 : 0.5 ± 0.1 sec.
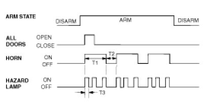
3. Alarm Function
Once armed, should any door, hood or the tailgate be opened, then.
A. Start relay drive output is disabled, so starting is inhibited.
B. Audible (horn) and visual (hazard lamp) warnings are issued, for three cycles, each cycle 27±2 sec. duration on, 10±1 sec. off. The horn warning is continuously occurring during the on period. The hazard lamps operate with 1 sec period, 50 % duty rate during the on period.
After this time, the system maintains the start inhibit state, where no audible and visual warnings are issued but engine starting is not possible.




Time specification
T1 : 27 ± 2 sec.
T2 : 10 ± 1sec.
T3 : 0.5 ± 0.1 sec.
4. Operation During Alarm Conditions
(1) Cancelling audible alarm with the remote transmitter.

CASE 1 : Door closed
During or after alarming and then closing all doors and a transmitter (TX) lock signal is received Then
A. The lock command is executed with 0.5 sec. ON
B. Horn and start inhibition are OFF
C. Hazard lamp is flashed one time (period : 2 sec., duty: 50%, within2 sec.)
D. The state goes to arming mode (after a lock state check)
E. The start is enabled




Time specification
T1 : 0.5 sec.
T2 : 1.0 ± 0.2 sec.

CASE 2 : Door Open
During or after alarming, with a door open and a TX lock signal is received Then
A. The lock command is executed with 0.5 sec. ON
B. Horn is disabled and start is enabled after confirmation of actuator lock

At this time, when the door is closed,
A. Hazard lamp is flashed one time (period : 2 sec., duty 50%)
B. The state goes to arming mode




Time specification
T1 : 0.5 sec.
T2 : 1.0 ± 0.2 sec.
(2) New alarm conditions
Second alarm condition during alarming.
When another alarm occurs during alarming, the starting is disabled,and the alarm continues to sound for the remained time of warning signal.The alarm continues to sound after the second alarm condition is removed.
New alarm condition occurs after alarming (with all entrances closed)
If any entrance is opened again then
A. The horn is ON 3 times
B. Start is disabled
C. Hazard lamps flash during the ON time of horn
New alarm condition occur after alarming (with any entrance open).
If another entrance is opened, the ETACS module keeps start disabled and there is no horn output.




(3) Key operation during alarm
After the alarm state or start inhibit state are entered, if door warning switch on (key in ignition) &IGN 2 ON, if IGN 2 state is changed to OFF within 30sec., remain in alarm state.
(4) Disarming using the key
During alarming, in case that door warning switch (key in) is ON and then IGN1 and IGN2 are both ON for 30 sec continuously, the alarm is cancelled,and the system enters the disarm state.
After alarming, in case that door warning switch (key in) is ON and then IGN1 and IGN2 are both ON for 30 sec continuously, the alarm is cancelled,and the system enters the disarm state.




5. Alarm State In Power Down
If the battery is disconnected to the ETACS module in the following states :
A. Alarm
B. After alarming
Upon restoring the battery, the alarm state shall be entered and the alarm cycle shall restarted (timer reset to 0).




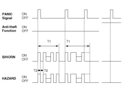
6. Panic Mode
(1) If the transmitter's PANIC alarm signal is detected, during T1, using the burglar alarm horn or HAZARD, the PANIC alarm is ON.
(2) During the PANIC alarm is ON, in the case of "PANIC,TLOCK/UNLOCK,KEY IN, DR/AS KEY UNLOCK SW OFF->ON, DR/AS KEY LOCK SW OFF->ON, RELCOK, T/GATE KEY UNLOCK SW OFF->ON", the PANIC alarm is OFF.
(3) The anti-theft function operates when ;
A. The transmitter's PANIC alarm signal is detected during the anti-theft function operates,
B. The anti-theft function operates during the PANIC alarm is ON.
(4) The PANIC alarm signal, which is detected during the PANIC alarm is ON, is regarded as the same of the previous one.




T1 : 30s, T2 : 0.45s

NOTE:
The output of both the burglar alarm horn and HAZARD are not shown in the chart.