Operation CHARM: Car repair manuals for everyone.
Manuals through 2025 now available!

Our trusted friends have launched a new website named LEMON, which has newer manuals. It also contains all the CHARM manuals.

LEMON is the spiritual successor to CHARM, I recommend you try it!

Link: lemon-manuals.la or lemon-manuals.org.ua

(Some people have issue connecting. LEMON is investigating. For now, use Firefox or change your DNS server)

Or, hide this message: temporarily or permanently

Repair Procedures





Replacement

1. Recover the refrigerant with a recovery/recycling/charging station.
2. Remove the coolant reservoir, but do not disconnect the reservoir hose from the coolant reservoir and the radiator.
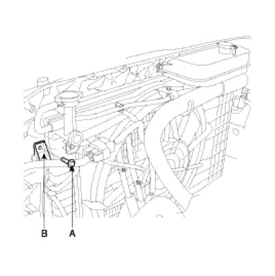
3. Remove the bolt(A), then remove the radiator bracket(B) from the radiator.




4. Remove the bolts(A), then disconnect the discharge line and condenser line from the condenser.
Plug or cap the lines immediately after disconnecting them to avoid moisture and dust contamination.




5. Remove the bolts(A), then remove the condenser(B) by lifting it up. Be careful not to damage the radiator and condenser fins when removing the condenser.




6. Install in the reverse order of removal, and note these items :
A. If you're installing a new condenser, add refrigerant oil.
B. Replace the O-rings with new ones at each fitting, and apply a thin coat of refrigerant oil before installing them. Be sure to use the right O-rings for R-134a to avoid leakage.
C. Be careful not to damage the radiator and condenser fins when installing the condenser.
D. Be sure to install the lower mount cushions of condenser securely into the holes.
E. Charge the system, and test its performance.