Operation CHARM: Car repair manuals for everyone.
Manuals through 2025 now available!

Our trusted friends have launched a new website named LEMON, which has newer manuals. It also contains all the CHARM manuals.

LEMON is the spiritual successor to CHARM, I recommend you try it!

Link: lemon-manuals.la or lemon-manuals.org.ua

(Some people have issue connecting. LEMON is investigating. For now, use Firefox or change your DNS server)

Or, hide this message: temporarily or permanently

Repair Procedures





Removal

CAUTION:
Frequent inhalation of brake pad dust, regardless of material composition, could be hazardous to your health.
- Avoid breathing dust particles.
- Never use on air hose or brush to clean brake assemblies.

1. Loosen the front wheel nuts slightly. Raise the front of the vehicle, and make sure it is securely supported. Remove the front wheels.
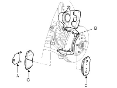
2. Remove the guide rod bolt(B), After raise the caliper assembly(A), support it with a wire.




3. Remove pad shim(A), pad retainer(B) and pad assembly(C) in the caliper bracket.






Installation

1. Install the pad retainers (A) on the caliper bracket.




2. Install pad shims(A) and the brake pads(B) with the wear indicator on the inside.

CAUTION:
If you are reusing the pads, always reinstall the brake pads in their original positions to prevent a momentary loss of braking efficiency.




3. Insert the piston in the cylinder using the special tool (09581-11000).




4. Push in the piston(A) so that the caliper will fit over the pads. Make sure that the piston boot is in position to prevent damaging it when pivoting the caliper down.
5. Being careful not to damage the pin boot, install the guide rod bolt (B) with the specified torque.




6. If caliper assembly was removed, install the brake hose to the caliper.
7. Refill the master cylinder reservoir to the MAX line.
8. Bleed the brake system.
9. Depress the brake pedal several times to make sure the brakes work, then test-drive.

NOTE:
Engagement of the brake may require a greater pedal stroke immediately after the brake pads have been replaced as a set. Several applications of the brake will restore the normal pedal stroke.

10. After installation, check for leaks at hose and line joints or connections, and retighten if necessary.