Operation CHARM: Car repair manuals for everyone.
Manuals through 2025 now available!

Our trusted friends have launched a new website named LEMON, which has newer manuals. It also contains all the CHARM manuals.

LEMON is the spiritual successor to CHARM, I recommend you try it!

Link: lemon-manuals.la or lemon-manuals.org.ua

(Some people have issue connecting. LEMON is investigating. For now, use Firefox or change your DNS server)

Or, hide this message: temporarily or permanently

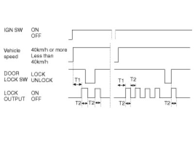
Power Window Switch: Description and Operation





Operation

1. 2-TURN UNLOCK
(1) All door unlock signals are output for T2 if driver door key unlock switch is turned ON within T1 after changing driver door key unlock switch from OFF to ON(mechanically, driver door key unlock switch is unlocked and BCM signal is not output). (All door unlock signals are output even within T1 after RKE UNLOCK signal is received.)
(2) Driver door unlock signal is output for T2 when RKE UNLOCK signal is received. But, all door unlock signals are output for T2 if RKE UNLOCK signal is received within T1.




T1 : within 4 ± 1sec,
T2 : 0.5 ± 0.1sec.
2. AUTO DOOR LOCK (USER OPTION)
(1) This does not activate when vehicle speed is less than 5km/h.
(2) Lock signal is output if vehicle speed is 5km/h or more for at least 1s under ALT"L" ON, IGN SW = ON. But, lock signal is not output if all doors are locked or all doors are fail in advance.
(3) Lock signal is output 3 times as Max ((2) is ignored) if either one door is unlocked after lock signal output in (2).(1s cycle) But, door, which is locked from unlock state during 3-time output, is ignored.
(4) Relevant door is fail if the state is unlock after 3-time output.
(5) Lock signal is output once if the fail door is unlocked again after the door is locked.
(6) Lock signal is output once if locked doors, which are lock state after lock signal output in (2), are unlocked again.
But, lock signal is output once for the relevant door even when unlock state continues after lock signal output.
(7) Fail door is cleared at IGN SW = OFF.
(8) Auto door lock function is not performed when crash unlock condition is met.




T1 : 1 ± 0.1sec,
T2 : 0.5 ± 0.1sec.