Operation CHARM: Car repair manuals for everyone.
Manuals through 2025 now available!

Our trusted friends have launched a new website named LEMON, which has newer manuals. It also contains all the CHARM manuals.

LEMON is the spiritual successor to CHARM, I recommend you try it!

Link: lemon-manuals.la or lemon-manuals.org.ua

(Some people have issue connecting. LEMON is investigating. For now, use Firefox or change your DNS server)

Or, hide this message: temporarily or permanently

Rear Curtain Unit





Inspection

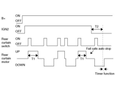
1. AUTO UP/AUTO DOWN FUNCTION
(1) IGN ON, if you press the rear curtain switch, rear curtain motor operates the reverse direction of the before direction. (UP/DOWN)
(2) After replacing battery, if you operates rear curtain switch, rear curtain is operated auto up.
(3) If the switch input occurred during rear curtain auto up or auto down, rear curtain is operated to the reverse direction after making a pause.
(4) AUTO function stop when detect an excess current.
2. TIMER FUNCTION
(1) It can be possible to operate rear curtain for 30 sec after IGN OFF.
(2) It can be possible to operate rear curtain operation by the end of motor operation although timer is finished during auto up/ down.
3. FAIL SAFE FUNCTION
If motor operation doesn't stop more than 10 sec after starting, motor is stopped by inner relay auto OFF.




T1 : MAX 10 sec,
T2 : 30 sec.
4. RETROGRESSION GEARING FUNCTION
(1) When, rear curtain motor IGN ON, rear curtain UP and shift lever "P" position, rear curtain motor linked with the signal makes auto down.
(2) When the vehicle speed is above 20 km/h from 1) condition, rear curtain motor linked with the signal makes auto up. Only, the motor does not operate below 20 km/h.
(3) When shift lever position will be changed from R to P from 1) condition, rear curtain motor linked with the signal makes auto up. Only, the case where the driver presses the knock-down switch is excepted.
(4) To the case where the driver presses the down switch from rear curtain up condition motor does not do a retrogression gearing operation and the up return operation due to a vehicle speed. After that, when driver presses the switch and the motor becomes auto up, the retrogression gearing operation is possible again.