Operation CHARM: Car repair manuals for everyone.
Manuals through 2025 now available!

Our trusted friends have launched a new website named LEMON, which has newer manuals. It also contains all the CHARM manuals.

LEMON is the spiritual successor to CHARM, I recommend you try it!

Link: lemon-manuals.la or lemon-manuals.org.ua

(Some people have issue connecting. LEMON is investigating. For now, use Firefox or change your DNS server)

Or, hide this message: temporarily or permanently

Keyless Entry: Description and Operation





Description

Burglar Alarm System
The burglar alarm system is armed automatically after the doors, hood, and trunk lid are closed and locked.

The system is set off when any of these things occur:
- A door is forced open.
- A door is unlocked without using the transmitter.
- The trunk lid is opened without using the key.
- The hood is opened.
- The engine starter circuit and battery circuit are bypassed by breaking the ignition switch.

When the system is set off, the alarm (horn) sounds and the hazard lamp flash for about two minutes or until the system is disarmed by unlocking the transmitter.

For the system to arm, the ignition switch must be off and the key removed. Then, the body control module must receive signals that the doors, hood, and trunk lid are closed and locked. When everything is closed and locked, none of the control unit inputs are grounded.

The door switches, hood switch and trunk lid switch are all close and lock the doors with the remote transmitter and then the system arms immediately.

If anything is opened or improperly unlocked after the system is armed, the body control module gets a ground signal from that switch, and the system is set off.

If one of the switches is misadjusted or there is a short in the system, the system will not arm. As long as the body control module continues to get a ground signal, it thinks the vehicle is not closed and locked and will not arm.

The receiver is integrated in the body control module.

Keyless Entry System
The burglar alarm system is integrated with the keyless entry system. The keyless entry system allows you to lock and unlock the vehicle with the remote transmitter. When you push the LOCK button, all doors lock. When you push the UNLOCK button all doors unlock.

The room lamp, if its switch is in the center position, will come on when you press the UNLOCK button. If you do not open a door, the light will go off in about 30 seconds, the doors will automatically relock, and the burglar alarm system will rearm. If you relock the doors with the remote transmitter within 30 seconds, the light will go off immediately.

You cannot lock or unlock the doors with the remote transmitter if the key is in the ignition switch.

The system will signal you when the doors lock and unlock by flashing the hazard lamp once when they lock, and twice when they unlock.
Data Flow





Transmitter(TX) Spec
1. Transmission Distance : 30m or more from outside of the car
2. Registration procedure of the transmitter
(1) In registration mode, it shall be possible to register up to Max 4EA.
(2) At re-registration, data are registered newly after deleting the previous TDATA





(3) For the registration procedures by using Hi-scan tool, refer to "TRANSMITTER CODE REGISTRATION".
3. Transmitter signal & Receiver Spec
(1) Transmission signal
A. Transmit relevant transmission DATA (Transmission frame) twice by pushing TSW.
B. Only LOCK signal is output when pushing TLOCK SW and UNLOCK SW at the same time.

Functions

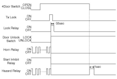
1. Disarm
Condition 1









T1 : 0.5s
T2 : 0.5s +-0.1s




Condition 2





Condition 3





Condition 4





Condition 5





Condition 6





Condition 7





Condition 8





Condition 9





2. Arm
Condition 1





Condition 2





Condition 3





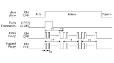
3. Alarm
Condition 1









T1 : 27s(±2sec),
T2 : 10s(±2sec),
T3 : 0.5s ± 0.1sec
Condition 2





Condition 3









4. Arm Wait Mode
Condition 1





Condition 2





Condition 3





Condition 4





Condition 5





Condition 6









5. Rearm Mode
Condition 1





6. Autolocktimer1 Mode
Condition 1





Condition 2





Condition 3





Condition 4





Condition 5





Condition 6





7. Autolocktimer2 Mode
Condition 1





Condition 2





Condition 3





Condition 4





Condition 5





8. Prearm Mode
Condition 1





Condition 2





Condition 3





Condition 4





Condition 5





Condition 6





9. Arm Hold Mode
Condition 1