Operation CHARM: Car repair manuals for everyone.
Manuals through 2025 now available!

Our trusted friends have launched a new website named LEMON, which has newer manuals. It also contains all the CHARM manuals.

LEMON is the spiritual successor to CHARM, I recommend you try it!

Link: lemon-manuals.la or lemon-manuals.org.ua

(Some people have issue connecting. LEMON is investigating. For now, use Firefox or change your DNS server)

Or, hide this message: temporarily or permanently

Repair Procedures





Removal

1. If the compressor is marginally operable, run the engine at idle speed, and let the air conditioning work for a few minutes, then shut the engine off.
2. Disconnect the negative cable from the battery.
3. Recover the refrigerant with a recovery/charging station.
4. Loosen the drive belt.
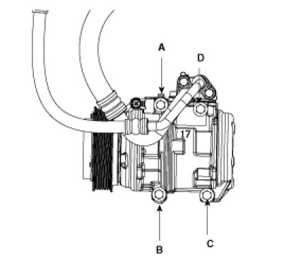
5. Remove the bolts, then disconnect the suction line (A) and discharge line (B) from the compressor. Plug or cap the lines immediately after disconnecting them to avoid moisture and dust contamination.
6. Disconnect the compressor clutch connector, and then remove 4 mounting bolts and the compressor (C).






Installation

1. Make sure of the length of compressor mounting bolts, and then tighten it A->B->C->D order.









2. Install in the reverse order of removal, and note these items.
A. If you're installing a new compressor, drain all the refrigerant oil from the removed compressor, and measure its volume, Subtract the volume of drained oil from 120cc(4.20 oz.) the result is the amount of oil you should drain from the new compressor (through the suction fitting).
B. Replace the O-rings with new ones at each fitting, and apply a thin coat of refrigerant oil before installing them. Be sure to use the right O-rings for R-134a to avoid leakage.
C. To avoid contamination, do not return the oil to the container once dispensed, and never mix it with other refrigerant oils.
D. Immediately after using the oil, replace the cap on the container and seal it to avoid moisture absorption.
E. Do not spill the refrigerant oil on the vehicle; it may damage the paint; if the refrigerant oil contacts the paint, wash it off immediately.
F. Adjust the drive belt.
G. Charge the system and test its performance.