Operation CHARM: Car repair manuals for everyone.
Manuals through 2025 now available!

Our trusted friends have launched a new website named LEMON, which has newer manuals. It also contains all the CHARM manuals.

LEMON is the spiritual successor to CHARM, I recommend you try it!

Link: lemon-manuals.la or lemon-manuals.org.ua

(Some people have issue connecting. LEMON is investigating. For now, use Firefox or change your DNS server)

Or, hide this message: temporarily or permanently

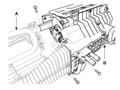
Repair Procedures





REPLACEMENT

1. Disconnect the negative (-) battery terminal.
2. Remove the crush pad.
3. Remove the cowl cross bar assembly.
4. Remove the heater & blower unit.
5. Remove the blower unit from the heater unit (B) after loosening a mounting bolt and 2 screws.





NOTE:
Make sure that there is no air leaking out of the blower and duct joints.

6. Installation is the reverse order of removal.