Operation CHARM: Car repair manuals for everyone.
Manuals through 2025 now available!

Our trusted friends have launched a new website named LEMON, which has newer manuals. It also contains all the CHARM manuals.

LEMON is the spiritual successor to CHARM, I recommend you try it!

Link: lemon-manuals.la or lemon-manuals.org.ua

(Some people have issue connecting. LEMON is investigating. For now, use Firefox or change your DNS server)

Or, hide this message: temporarily or permanently

Repair Procedures





Removal

[3.3L, 3.8L]
1. Remove the front wheel & tire.

Tightening torque :
88.3 - 107.9N.m (9.0 - 11.0kgf.m, 65.1 - 79.6lb-ft)


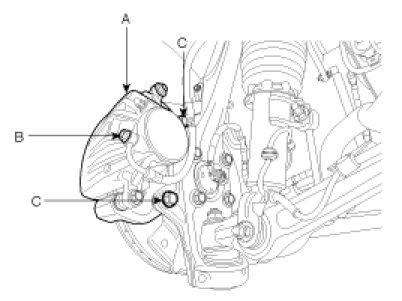
2. Loosen the hose eyebolt (B) and caliper mounting bolts (C), then remove the front caliper assembly (A).

Tightening torque :
Brake hose to caliper:
24.5 - 29.4N.m (2.5 - 3.0kgf.m, 18.1 - 21.7lb-ft)
Caliper assembly to knuckle:
78.5 - 98.1N.m (8.0 - 10.0kgf.m, 57.9 - 72.3lb-ft)





3. Remove the front brake disc by loosening the screws (2EA).





[4.6L]
1. Remove the front wheel & tire.

Tightening torque :
88.3 - 107.9N.m (9.0 - 11.0kgf.m, 65.1 - 79.6lb-ft)


2. Loosen the hose eyebolt (B) and caliper mounting bolts (C), then remove the front caliper assembly (A).

Tightening torque :
Brake hose to caliper:
24.5 - 29.4N.m (2.5 - 3.0kgf.m, 18.1 - 21.7lb-ft)
78.5 - 98.1N.m (8.0 - 10.0kgf.m, 57.9 - 72.3lb-ft)





3. Remove the front brake disc by loosening the screws (3EA).






Replacement

Front Brake Pads [3.3L, 3.8L]
1. Remove the brake hose mounting bracket (knuckle mounting part : A).




2. Loosen the guide rod bolt (B) and pivot the caliper up out of the way.

Tightening torque :
21.6 - 31.4N.m (2.2 - 3.2kgf.m, 15.9 - 23.1lb-ft)





3. Replace pad shim (B), pad retainers (C) and brake pads (B) in the caliper bracket (A).





CAUTION:
Do not step on a brake pedal.

Front Brake Pads [4.6L]
1. Remove one side locking pin(A).
Push the retraction spring(C) and extract the guide pin (B).




2. Remove other side locking pin(D), guide pin(E) and retraction spring(C).
3. Remove the pad shim(A) and pad(B).





CAUTION:
Do not step on a brake pedal.


Installation

1. Installation is the reverse of removal.
2. Use a SST (09581-11000) when installing the brake caliper assembly.
3. After installation, bleed the brake system.