Operation CHARM: Car repair manuals for everyone.
Manuals through 2025 now available!

Our trusted friends have launched a new website named LEMON, which has newer manuals. It also contains all the CHARM manuals.

LEMON is the spiritual successor to CHARM, I recommend you try it!

Link: lemon-manuals.la or lemon-manuals.org.ua

(Some people have issue connecting. LEMON is investigating. For now, use Firefox or change your DNS server)

Or, hide this message: temporarily or permanently

Data Link Connector

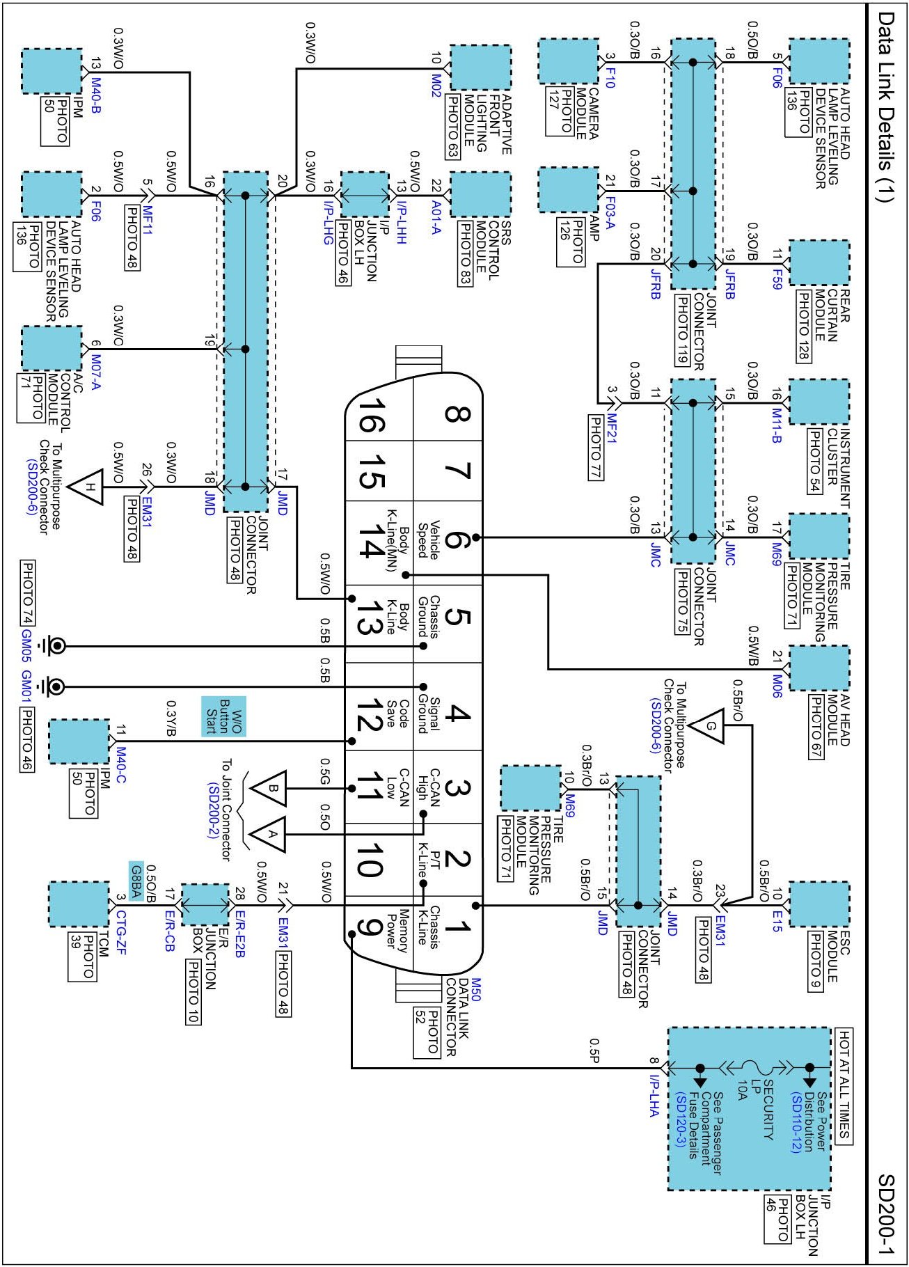
SD200-1 Data Link Details (1):




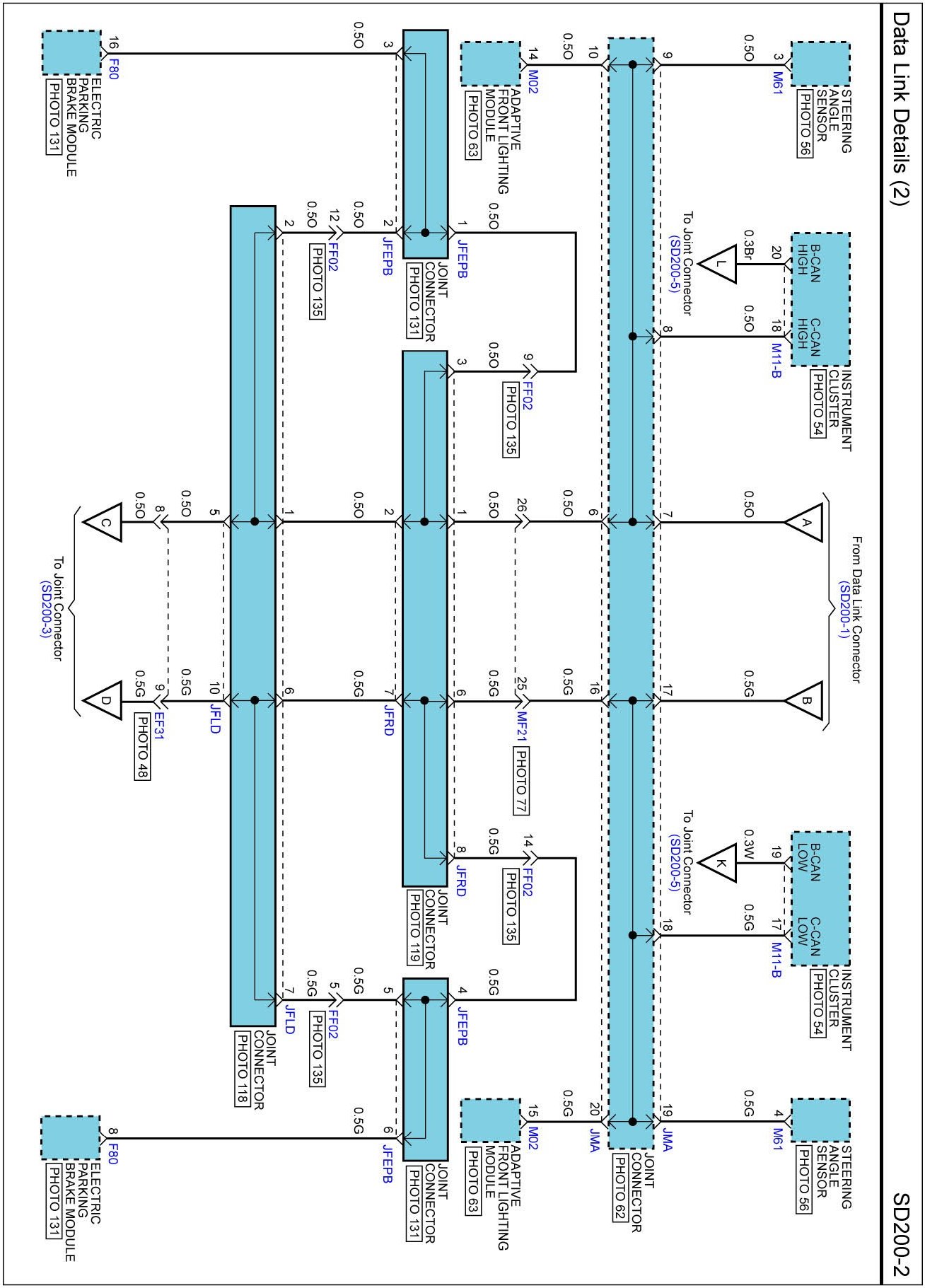
SD200-2 Data Link Details (2):




SD200-3 Data Link Details (3):




SD200-4 Data Link Details (4):




SD200-5 Data Link Details (5):




SD200-6 Data Link Details (6):




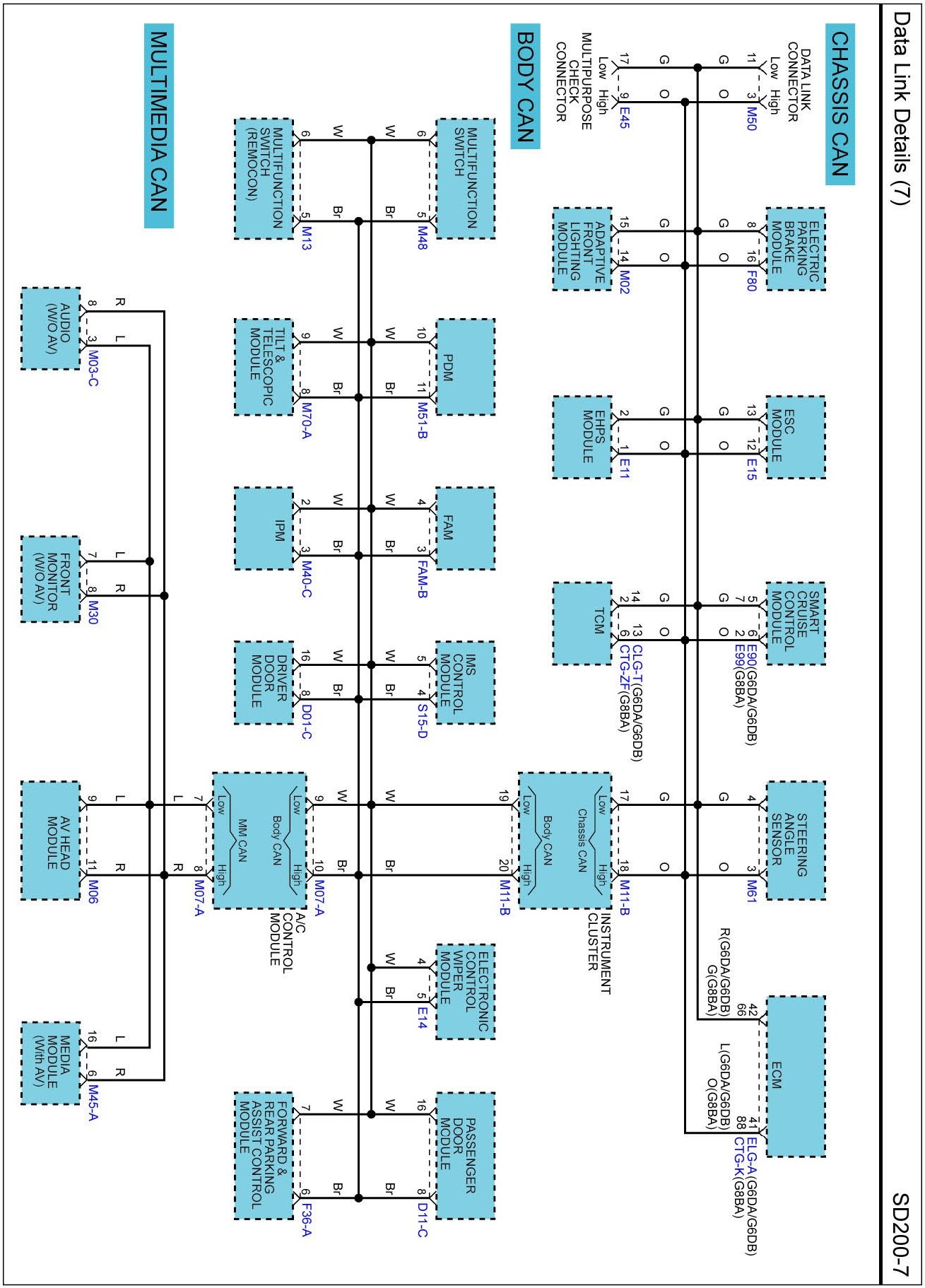
SD200-7 Data Link Details (7):




Data Link Details (8) Connector Pin Outs:




Data Link Details (9) Connector Pin Outs:




Data Link Details (10) Connector Pin Outs:






Diagrams: Other diagrams referred to by SD number (i.e. SD130-4, etc.) within these diagrams can be found at Diagrams by Number. Diagrams by Number

Locations: Location photographs (references to PHOTOS) referred to within these diagrams can be found via the photo number at the vehicle level under Locations by Photo Number. Component Locations

Connector Views: The Connector Pin Out Views for connectors shown on these diagrams can be found on the Connector Pin Out images that accompany most sets of system diagrams.