Manuals through 2025 now available!
Our trusted friends have launched a new website named LEMON, which has newer manuals. It also contains all the CHARM manuals.
LEMON is the spiritual successor to CHARM, I recommend you try it!
Link:
lemon-manuals.la or
lemon-manuals.org.ua
(Some people have issue connecting. LEMON is investigating. For now, use Firefox or change your DNS server)
Or, hide this message:
temporarily or
permanently
Heated Glass Control Module: Testing and Inspection
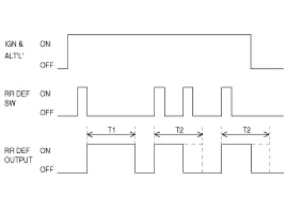
InspectionWhile operating the components, check whether the operations are normal as shown in the timing chart.
1.
Once ALT "L" is ON, if the defogger is switched ON, the defogger will stay ON for 20 minutes duration.
2.
If defogger switch is pressed again (see Step 1), or if ignition is switched OFF, the defogger will shut OFF.
T1 : 20 ± 1 min.
T2 : MAX 20 ± 1 min.