Operation CHARM: Car repair manuals for everyone.
Manuals through 2025 now available!

Our trusted friends have launched a new website named LEMON, which has newer manuals. It also contains all the CHARM manuals.

LEMON is the spiritual successor to CHARM, I recommend you try it!

Link: lemon-manuals.la or lemon-manuals.org.ua

(Some people have issue connecting. LEMON is investigating. For now, use Firefox or change your DNS server)

Or, hide this message: temporarily or permanently

Repair Procedures





Removal

1. If the compressor is marginally operable, run the engine at idle speed, and let the air conditioning work for a few minutes, then shut the engine off.
2. Disconnect the negative cable from the battery.
3. Recover the refrigerant with a recovery/charging station .
4. Loosen the drive belt .
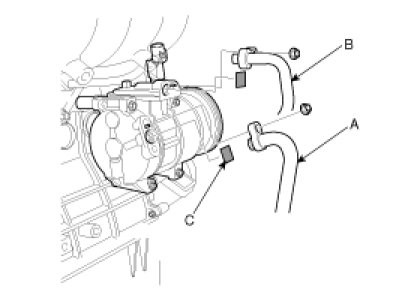
5. Remove the bolts, then disconnect the suction line (A) and discharge line (B) from the compressor. Plug (C) or cap the lines immediately after disconnecting them to avoid moisture and dust contamination.




6. Disconnect the compressor clutch connector (A), and then remove 4 mounting bolts and the compressor.






Installation

1. Make sure of the length of compressor mounting bolts, and then tighten it A->B->C->D order.









2. Install in the reverse order of removal, and note these items.
A. If you're installing a new compressor, drain all the refrigerant oil from the removed compressor, and measure its volume, Subtract the volume of drained oil from 120cc(4.20 oz.) the result is the amount of oil you should drain from the new compressor (through the suction fitting).
B. Replace the O-rings with new ones at each fitting, and apply a thin coat of refrigerant oil before installing them. Be sure to use the right O-rings for R-134a to avoid leakage.
C. To avoid contamination, do not return the oil to the container once dispensed, and never mix it with other refrigerant oils.
D. Immediately after using the oil, replace the cap on the container and seal it to avoid moisture absorption.
E. Do not spill the refrigerant oil on the vehicle; it may damage the paint; if the refrigerant oil contacts the paint, wash it off immediately.
F. Adjust the drive belt.
G. Charge the system and test its performance.

Inspection

1. Check the plated parts of the disc & hub assembly (A) for color changes, peeling or other damage. If there is damage, replace the clutch set.
2. Check the pulley (B) bearing play and drag by rotating the pulley by hand. Replace the clutch set with a new one if it is noisy or has excessive play/drag.




3. Measure the clearance between the pulley (B) and the disc & hub assembly (A) all the way around. If the clearance is not within specified limits, remove the disc & hub assembly and add or remove shim (gap washer) as needed to increase or decrease clearance.

Clearance:0.35 ± 0.65mm (0.013 ± 0.025 in.)

NOTE:
The shims (gap washers) are available in seven thicknesses: 0.7mm, 0.8mm, 0.9mm, 1.0mm, 1.1mm, 1.2mm and 1.3mm.




4. Check operation of the magnetic clutch.
Connect the compressor side terminals to the battery (+) terminal and the ground battery (-) terminal to the compressor body.
Check the magnetic clutch operating noise to determine the condition.






Disassembly

1. Remove the center bolt (A) while holding the disc & hub assembly with a commercially available disc & hub assembly bolt remover; Special tool number 09977-29000.

TORQUE:10 - 15N.m (1.02 - 1.53kgf.m, 7.37 - 11lbf.ft)




2. Remove the disc & hub assembly (A) and shim (gap washer) (B), taking care not to lose the shims. If the clutch needs adjustment, increase or decrease the number and thickness of shims as necessary, then reinstall the disc hub assembly, and recheck its clearance.




3. If you removal the field coil, remove retainer ring (A) with retainer ring pliers.

NOTE:
- Be careful not to damage the pulley (B) and compressor during removal/installation.
- Once retainer ring (A) is removed, replace it with a new one.




4. Remove the screw (A) from the field coil ground terminal. Remove the retainer ring (B) and then remove the field coil (C) from the shaft with a puller. Be careful not to damage the coil and compressor.




5. Reassemble the compressor clutch in the reverse order of disassembly, and note these items :
A. Clean the pulley and compressor sliding surfaces with non-petroleum solvent.
B. Install new retainer rings, and make sure they are fully seated in the groove.
C. Make sure that the pulley turns smoothly after its reassembled.