Operation CHARM: Car repair manuals for everyone.
Manuals through 2025 now available!

Our trusted friends have launched a new website named LEMON, which has newer manuals. It also contains all the CHARM manuals.

LEMON is the spiritual successor to CHARM, I recommend you try it!

Link: lemon-manuals.la or lemon-manuals.org.ua

(Some people have issue connecting. LEMON is investigating. For now, use Firefox or change your DNS server)

Or, hide this message: temporarily or permanently

Repair Procedures





Removal

1. Turn the ignition switch OFF.
2. Pull up the lock of the ABS control unit connector , then disconnect the connector.
3. Disconnect the brake tubes from the HECU by unlocking the nuts counterclockwise with a spanner.

Tightening torque:
12 - 16 N.m (1.2 - 1.6 kgf.m, 8.6 - 11.8 lb-ft)




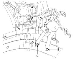
4. Loosen the 3 ABS HECU bracket bolts and nut (C), then remove HECU and bracket (A,B).

Tightening torque:
Bolt (A): 8.8 - 13.7 N.m (0.9 - 1.4 kgf.m, 6.6 - 10.1 lb-ft)
Bolt (B), Nut (C): 16.7 - 25.5 N.m (1.7 - 2.6 kgf.m, 12.3 - 18.8 lb-ft)





CAUTION:
1. Never attempt to disassemble the HECU.
2. The HECU must be transported and stored in.
3. Never shock to the HECU.

5. Remove the 3 damper screws and washer , then remove the bracket.

Tightening torque:
11 - 14 N.m (1.1 - 1.4 kgf.m, 8.1 - 10.3 lb-ft)

Installation

1. Installation is the reverse of removal.
2. Tighten the HECU mounting bolts and brake tube nuts to the specified torque.