Operation CHARM: Car repair manuals for everyone.
Manuals through 2025 now available!

Our trusted friends have launched a new website named LEMON, which has newer manuals. It also contains all the CHARM manuals.

LEMON is the spiritual successor to CHARM, I recommend you try it!

Link: lemon-manuals.la or lemon-manuals.org.ua

(Some people have issue connecting. LEMON is investigating. For now, use Firefox or change your DNS server)

Or, hide this message: temporarily or permanently

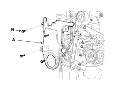
Timing Cover





Timing Cover

Install the timing belt lower cover(A) with 5bolts(B).

Tightening torque 7.8 - 9.8N.m (0.8 - 1.0kgf.m, 5.8 - 7.2lb-ft)






Install the timing belt upper cover(A) with 4 bolts(B).

Tightening torque 7.8 - 9.8N.m (0.8 - 1.0kgf.m, 5.8 - 7.2lb-ft)