Operation CHARM: Car repair manuals for everyone.
Manuals through 2025 now available!

Our trusted friends have launched a new website named LEMON, which has newer manuals. It also contains all the CHARM manuals.

LEMON is the spiritual successor to CHARM, I recommend you try it!

Link: lemon-manuals.la or lemon-manuals.org.ua

(Some people have issue connecting. LEMON is investigating. For now, use Firefox or change your DNS server)

Or, hide this message: temporarily or permanently

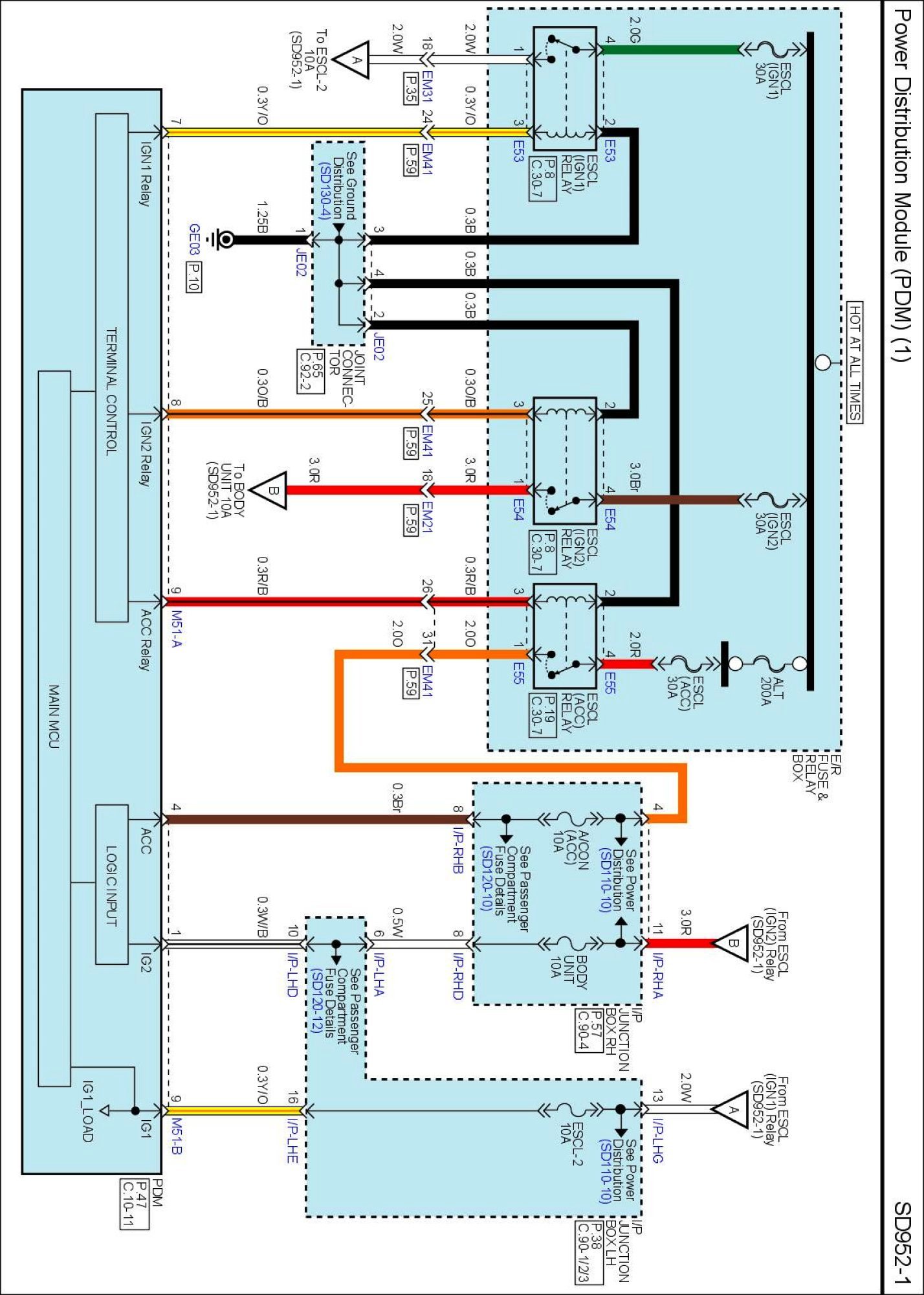
Power Distribution Module

SD952-1 Power Distribution Module (PDM) (1):




SD952-2 Power Distribution Module (PDM) (2):




SD952-3 Power Distribution Module (PDM) (3):






Diagrams: Other diagrams referred to by SD number (i.e SD130-4, etc.)
within these diagrams can be found at Diagrams by Number. Diagram By Number

Locations: Location photographs (references to PHOTOS) referred to within
these diagrams can be found via the photo number at the vehicle level under
Locations by Photo Number. Locations By Photo Number