Operation CHARM: Car repair manuals for everyone.
Manuals through 2025 now available!

Our trusted friends have launched a new website named LEMON, which has newer manuals. It also contains all the CHARM manuals.

LEMON is the spiritual successor to CHARM, I recommend you try it!

Link: lemon-manuals.la or lemon-manuals.org.ua

(Some people have issue connecting. LEMON is investigating. For now, use Firefox or change your DNS server)

Or, hide this message: temporarily or permanently

Repair Procedures





Disassembly

Engine removal is required for this procedure.

CAUTION:
- Use fender covers to avoid damaging painted surfaces.
- To avoid damage, unplug the wiring connectors carefully while holding the connector portion.
- When handling a metal gasket, take care not to fold the gasket or damage the contact surface of the gasket.
- To avoid damage, unplug the wiring connectors carefully while holding the connector portion.

NOTE:
- Mark all wiring and hoses to avoid misconnection.
- Turn the crankshaft pulley so that the No.1 piston is at top dead center.

1. Remove the engine assembly from the vehicle.
2. Attach the engine to engine stand for disassembly.
3. Remove the intake manifold and exhaust manifold.
4. Remove the cylinder head.
5. Remove the timing chain.
6. Remove the engine coolant temperature control assembly.
7. Remove the oil pump.
8. Remove the adapter plate (A) and the drive plate (B).




9. Remove the crankshaft adapter (A).




10. Remove the cylinder block rear cover (A).




11. Remove the separator (A) and the water jacket inserts (B).








12. Remove the cylinder block bank cover (A) and the gasket (B).




13. Check the connecting rod end play.
14. Check the connecting rod cap oil clearance.
15. Remove the piston and connecting rod assemblies.
(1) Using a ridge reamer, remove all the carbon from the top of the cylinder.
(2) Remove the connecting rod cap (A).




(3) Push the piston, connecting rod assembly and upper bearing through the top of the cylinder block.

NOTE:
- Keep the bearings, connecting rod and cap together.
- Arrange the piston and connecting rod assemblies in the correct order.

16. Check the main bearing oil clearance.
17. Check the crankshaft end play.
18. Remove the lower crankcase assembly (A).




19. Lift the crankshaft (A) out of engine, being careful not to damage journals.





NOTE:
Arrange the main bearings and center bearings in the correct order.

20. Check fit between piston and piston pin.
Try to move the piston back and forth on the piston pin. If any movement is felt, replace piston and piston pin as a set.
21. Remove the piston rings.
(1) Using a piston ring expander, remove the 2 compression rings.
(2) Remove 2 side rails and the oil ring spacer by hand.

NOTE:
Arrange the piston rings in the correct order only.

22. Disconnect connecting rod from piston.
(1) Remove the snap rings from piston.
(2) Remove the piston pin.
(3) Remove the connecting rod and the piston.

Inspection

Connecting Rod And Crankshaft
1. Check the connecting rod side clearance.
Using a feeler gauge, measure the side clearance between the connecting rod big-end.

Standard side clearance :
0.1 - 0.3mm (0.0039 - 0.0118in)




(1) If out-of-tolerance, install a new connecting rod.
(2) If still out-of-tolerance, replace the crankshaft.
2. Check the connecting rod bearing oil clearance.
(1) Check the match marks on the connecting rod and cap are aligned to ensure correct reassembly.
(2) Remove 2 connecting rod cap bolts.
(3) Remove the connecting rod cap and bearing half.
(4) Clean the crank pin and bearing.
(5) Place plastigage across the crank pin.
(6) Reinstall the bearing half and cap, and torque the bolts.

Tightening torque :
22.6 - 26.5Nm (2.3 - 2.7kgf.m, 16.6 - 19.5lb-ft) + 98 - 102°

NOTE:
Do not turn the crankshaft.




(7) Remove 2 bolts, connecting rod cap and bearing half.
(8) Measure the plastigage at its widest point.

Standard oil clearance :
0.018 - 0.036mm (0.0007 - 0.0014in)




(9) If the plastigage measures too wide or too narrow, remove the upper half of the bearing, install a new, complete bearing with the same color mark (select the color as shown in the next column), and recheck the clearance.

CAUTION:
Do not file, shim, or scrape the bearings or the caps to adjust clearance.

(10) If the plastigage shows the clearance is still incorrect, try the next larger or smaller bearing (the color listed above or below that one), and check clearance again.

NOTE:
If the proper clearance cannot be obtained by using the appropriate larger or smaller bearings, replace the crankshaft and start over.

CAUTION:
If the marks are indecipherable because of an accumulation of dirt and dust, do not scrub them with a wire brush or scraper. Clean them only with solvent or detergent.

Connecting Rod Mark Location




Discrimination Of Connecting Rod






Crankshaft Pin Mark Location




Discrimination Of Crankshaft Pin Journal






Connecting Rod Bearing Mark Location




Discrimination Of Connecting Rod Bearing





(11) Select the bearing by using selection table.
Connecting Rod Bearing Selection Table





3. Check the connecting rods.
(1) When reinstalling, make sure that cylinder numbers put on the connecting rod and cap at disassembly match. When a new connecting rod is installed, make sure that the projections (A) and the front mark (B) of the rod and the cap.




(2) Replace the connecting rod if it is damaged on the thrust faces at either end. Also if step wear or a severely rough surface of the inside diameter of the small end is apparent, the rod must be replaced as well.
(3) Using a connecting rod aligning tool, check the rod for bend and twist. If the measured value is close to the repair limit, correct the rod by a press. Any connecting rod that has been severely bent or distorted should be replaced.

Allowable bend of connecting rod :
0.05mm / 100mm (0.0020 in/3.94 in) or less
Allowable twist of connecting rod :
0.1mm / 100mm (0.0039 in/3.94 in) or less

NOTE:
The unevenness between the rod and the cap is not allowed when assembling without the bearings.

4. Check the crankshaft bearing oil clearance.
(1) To check main bearing-to-journal oil clearance, remove the lower crankcase assembly and bearing halves.
(2) Clean each main journal and bearing half with a clean shop tower.
(3) Place one strip of plastigage across each main journal.
(4) Reinstall the bearings and the lower crankcase assembly, and then torque the bolts.

Tightening torque :
Main bearing cap bolts (1 - 20)
37.3 - 41.2 N.m (3.8 - 4.2 kgf.m, 27.5 - 30.4 lb-ft) + 120°
Flange bolts (21 - 35)
21.6 - 25.5 N.m (2.2 - 2.6 kgf.m, 15.9 - 18.8 lb-ft)





NOTE:
- Do not turn the crankshaft.
- Use the SST( 09221-4A000 ), install main bearing cap bolts.




(5) Remove the lower crankcase assembly and bearing again, and measure the widest part of the plastigage.

Standard oil clearance :
0.004 - 0.022mm (0.0002 - 0.0009in)




(6) If the plastigage measures too wide or too narrow, remove the upper half of the bearing, install a new, complete bearing with the same color mark (select the color as shown in the next column), and recheck the clearance.

CAUTION:
Do not file, shim, or scrape the bearings or the caps to adjust clearance.

(7) If the plastigage shows the clearance is still incorrect, try the next larger or smaller bearing (the color listed above or below that one), and check clearance again.

NOTE:
If the proper clearance cannot be obtained by using the appropriate larger or smaller bearings, replace the crankshaft and start over.

CAUTION:
If the marks are indecipherable because of an accumulation of dirt and dust, do not scrub them with a wire brush or scraper. Clean them only with solvent or detergent.

Cylinder block crankshaft journal bore mark location
Letters have been stamped on the block as a mark for the size of each of the 5 main journal bores.
Use them, and the numbers or bar stamped on the crank (marks for main journal size), to choose the correct bearings.




Discrimination Of Cylinder Block Crankshaft Journal Bore






Crankshaft Main Journal Mark Location




Discrimination Of Crankshaft Main Journal






Crankshaft Main Bearing Mark Location




Discrimination Of Crankshaft Main Bearing





(8) Select the bearing by using selection table.
Crankshaft Main Bearing Selection Table





5. Check crankshaft end play.
Using a dial indicator, measure the thrust clearance while prying the crankshaft back and forth with a screwdriver.

Standard end play :
0.10 - 0.28mm (0.0039 - 0.0110in)




If the end play is greater than maximum, replace the center bearings as a set.

Thrust bearing thickness (center bearing)
2.36 - 2.40mm (0.0929 - 0.0945in)

6. Inspect main journals and crank pins.
Using a micrometer, measure the diameter of each main journal and crank pin.

Main journal diameter :
64.982 - 65.000mm (2.5583 - 2.5591in)
Crank pin diameter :
51.982 - 52.000mm (2.0465 - 2.0472in)





Cylinder Block
1. Remove the gasket material.
Using a gasket scraper, remove all the gasket material from the top surface of the cylinder block.
2. Clean the cylinder block.
Using a soft brush and solvent, thoroughly clean the cylinder block.
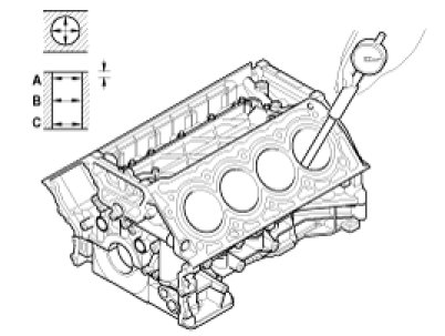
3. Inspect the top surface of the cylinder block for flatness.
Using a precision straight edge and feeler gauge, measure the surface contacting the cylinder head gasket for warpage.

Flatness of cylinder block gasket surface
Standard : Less than 0.05mm(0.0020 in),
Less than 0.02mm(0.0008in) / 150 x 150




4. Inspect cylinder bore diameter.
Visually check the cylinder for vertical scratches.
If deep scratches are present, replace the cylinder block
5. Inspect cylinder bore diameter.
Using a cylinder bore gauge, measure the cylinder bore diameter at position in the thrust and axial directions.

Standard diameter
92.000 - 92.030mm (3.6220 - 3.6232in)





A: 15mm (0.5906in)
B: 62.5mm (2.4606in)
C: 110mm (4.3307in)

6. Check the cylinder bore size code on the cylinder block.




Discrimination Of Cylinder Bore Size





7. Check the piston size code(A) and the front mark(B) on the piston top face.




Discrimination Of Piston Outer Diameter





8. Select the piston related to cylinder bore class.

Clearance :0.045 - 0.065 mm ( 0.0018 - 0.0026in)

Piston And Rings
1. Clean piston
(1) Using a gasket scraper, remove the carbon from the piston top.
(2) Using a groove cleaning tool, clean the piston ring grooves.
(3) Using solvent and a brush, thoroughly clean the piston.

NOTE:
Do not use a wire brush.

2. The standard measurement of the piston outside diameter is taken 15 mm (0.5906 in) from the bottom of the piston.

Standard diameter
91.945 - 91.975mm (3.6199 - 3.6211in)




3. Calculate the difference between the cylinder bore diameter and the piston diameter.

Piston-to-cylinder clearance :
0.045 - 0.065 mm ( 0.0018 - 0.0026in)

4. Inspect the piston ring side clearance.
Using a feeler gauge, measure the clearance between new piston ring and the wall of the ring groove.

Piston ring groove width
No.1 : 1.23 - 1.25mm ( 0.0484 - 0.0492in)
No.2 : 1.23 - 1.25mm ( 0.0484 - 0.0492in)
Oil ring : 2.01 - 2.03mm (0.0791 - 0.0799in)
Piston ring width
No.1 : 1.17 - 1.19mm (0.0461 - 0.0469in)
No.2 : 1.17 - 1.19mm (0.0461 - 0.0469in)
Oil ring : 1.88 - 1.95mm (0.0740 - 0.0768in)
Piston ring side clearance
No.1 : 0.04 - 0.08mm ( 0.0016 - 0.0031in)
No.2 : 0.04 - 0.08mm ( 0.0016 - 0.0031in)
Oil ring : 0.06 - 0.15mm (0.0024 - 0.0059in)




If the clearance is greater than maximum, replace the piston.
5. Inspect piston ring end gap.
To measure the piston ring end gap, insert a piston ring into the cylinder bore. Position the ring at right angles to the cylinder wall by gently pressing it down with a piston. Measure the gap with a feeler gauge. If the gap exceeds the service limit, replace the piston ring. If the gap is too large, recheck the cylinder bore diameter against the wear limits. If the bore is over the service limit, the cylinder block must be replaced.

Piston ring end gap
No.1 : 0.17 - 0.32mm (0.0067 - 0.0126in)
No.2 : 0.37 - 0.52m (0.0146 - 0.0205in)
Oil ring : 0.20 - 0.70mm (0.0079 - 0.0276in)





Piston Pins
1. Measure the diameter of the piston pin.

Piston pin outer diameter :
21.995 - 22.000mm (0.8659 - 0.8661in)
Piston pin hole inner diameter :
22.004 - 22.010mm ( 0.8663 - 0.8665in)
Connecting rod small end inner diameter :
22.007 - 22.018mm (0.8664 - 0.8668in)




2. Check the piston pin-to-piston clearance.

Piston pin-to-piston clearance :
0.004 - 0.015mm ( 0.0002 - 0.0006in)

3. Check the difference between the piston pin diameter and the connecting rod small end diameter.

Piston pin-to-connecting rod interference :
0.007 - 0.023mm ( 0.0003 - 0.0009in)

Reassembly

NOTE:
- Thoroughly clean all parts to be assembled.
- Before installing the parts, apply fresh engine oil to all sliding and rotating surfaces.
- Replace all gaskets, O-rings and oil seals with new parts.

1. Assemble the piston and the connecting rod.
(1) Install the snap ring in one side of the piston pin hole.
(2) Align the piston front mark and the connecting rod front mark.




(3) Insert the piston pin into the piston pin hole and the small end bore of connecting rod.
(4) Install the snap ring in the other side after inserting the piston pin.

NOTE:
Apply a sufficient amount of engine oil to outer surface of the piston, inner surface of piston pin hole and small end bore of the connecting rod before inserting the piston pin.

2. Install the piston rings.
(1) Install the oil ring spacer and 2 side rails by hand.
(2) Using a piston ring expander, install the 2 compression rings with the code mark facing upward.
(3) Position the piston rings so that the ring ends are as shown.




3. Install the connecting rod bearings.
(1) Align the bearing claw with the groove of the connecting rod or connecting rod cap.
(2) Install the bearings(A) in the connecting rod and connecting rod cap(B).




4. Install the main bearings (A) (No.1,2,4,5 journal) and the center bearings (B) (No.3 journal).

NOTE:
Upper bearings have an oil groove of oil holes; Lower bearings do not.

(1) Align the bearing claw with the claw groove of the cylinder block, push in the 5 upper bearings.




(2) Align the bearing claw with the claw groove of the lower crankcase and push in the 5 lower bearings.




5. Place the crankshaft(A) on the cylinder block.




6. Place the lower crankcase assembly on cylinder block.
(1) Using a gasket scraper, remove all the old packing material from the gasket surfaces.
(2) Install the O-ring (A) to cylinder block.
(3) Before assembling the lower crankcase assembly, the liquid sealant LT 5900H or equivalent should be applied on cylinder block bottom.
The part must be assembled within 5 minutes after the sealant was applied.

Bead width :2.5mm(0.1in)





NOTE:
- Clean the sealing face before assembling two parts.
- Remove harmful foreign materials on the sealing face before applying sealant.
- When applying sealant gasket, sealant must not protrude into the inside of cylinder block.
- To prevent leakage of oil, apply sealant gasket to the inner threads of the bolt holes.

(4) Install the lower crankcase assembly.
7. Install the lower crankcase assembly bolts.
(1) Install and uniformly tighten the lower crankcase assembly bolts, in several passes, in the sequence shown.

Tightening torque
Main bearing cap bolts (1 - 20)
37.3 - 41.2 N.m (3.8 - 4.2 kgf.m, 27.5 - 30.4 lb-ft) + 120°
Flange bolts (21 - 35)
21.6 - 25.5 N.m (2.2 - 2.6 kgf.m, 15.9 - 18.8 lb-ft)

NOTE:
- Always use new main bearing cap bolts.
- If any of the bearing cap bolts are broken or deformed, replace it.




Use the SST( 09221-4A000 ), install main bearing cap bolts.




(2) Check that the crankshaft turns smoothly.
8. Check crankshaft end play.
9. Install the piston and connecting rod assemblies.

NOTE:
- Before installing the pistons, apply a coat of engine oil to the ring grooves and cylinder bores.
- The piston front mark (A) and the connecting rod front mark (B) must face the timing chain side of the engine.




(1) Install the ring compressor, check that the bearing is securely in place, then position the piston in the cylinder, and tap it in using the wooden handle of a hammer.
(2) Stop after the ring compressor pops free, and check the connecting rod-to-check journal alignment before pushing the piston into place.
(3) Apply engine oil to the bolt threads. Install the rod caps with bearings, and torque the bolts.

Tightening torque :
22.6 - 26.5N.m (2.3 - 2.7kgf.m, 16.6 - 19.5lb-ft) + 98°~102°

Use SST(09221-4A000), install connecting rod bearing cap bolts.





NOTE:
- Always use new connecting rod bearing cap bolts.
- Maintain downward force on the ring compressor to prevent the rings from expanding before entering the cylinder bore.




10. Check the connecting rod end play.
11. Install the cylinder block rear cover (A) and a new gasket.

Tightening torque :
9.8 - 11.8Nm (1.0 - 1.2kgf.m, 7.2 - 8.7lb-ft)





NOTE:
Tighten the base bolts first and then tighten the other bolts.

12. Install the crankshaft adapter plate (A).




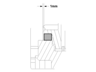
13. Using the SST(09231-2J400, 09231-H1100) and a plastic hammer, tap in a new oil seal(A) until SST surface is flush with the cylinder block.
At this time, the depth of the oil seal(A) from the cylinder block surface is 1mm(0.039in).









NOTE:
- Before assembling oil seal, the hardened sealant or injurious material located on the boundary area between cylinder block and lower crankcase must be removed.
- Apply engine oil to a new oil seal lip.
- When pressing oil seal, confirm to direction and take care not to damage oil seal.

14. Install the cylinder block bank cover (A) and a new gasket (B).

Tightening torque :
9.8 - 11.8Nm (1.0 - 1.2kgf.m, 7.2 - 8.7lb-ft)

NOTE:
- The "F" mark of the gasket must be face the front of the engine.
- Tighten the base bolts first and then tighten the other bolts.




15. Install the separator (A) and the water jacket inserts (B).









NOTE:
Insert the separator with the guide on the water jacket and the groove aligned.

16. Install the drive plate (B) and the adapter plate (A).

Tightening torque :
98.1 - 107.9N.m(10.0 - 11.0kgf.m,72.3 - 79.6lb-ft)




17. Install the oil pump.
18. Install the engine coolant temperature control assembly.
19. Install the timing chain.
20. Install the cylinder head.
21. Install the intake manifold and exhaust manifold.
22. Remove the engine from engine stand.
23. Install the engine assembly to the vehicle.