Operation CHARM: Car repair manuals for everyone.
Manuals through 2025 now available!

Our trusted friends have launched a new website named LEMON, which has newer manuals. It also contains all the CHARM manuals.

LEMON is the spiritual successor to CHARM, I recommend you try it!

Link: lemon-manuals.la or lemon-manuals.org.ua

(Some people have issue connecting. LEMON is investigating. For now, use Firefox or change your DNS server)

Or, hide this message: temporarily or permanently

Part 1 of 3





Removal

CAUTION:
- Use fender covers to avoid damaging painted surfaces.
- To avoid damage, unplug the wiring connectors carefully while holding the connector portion.

NOTE:
- Mark all wiring and hoses to avoid misconnection.
- Turn the crankshaft pulley so that the No.1 piston is at top dead center.

1. Disconnect the battery negative cable.
2. Loosen the drain plug and drain the engine coolant.
3. Remove the engine cover (A).

NOTE:
Remove the engine cover bolts as following method.




4. Remove the air duct (A).




5. Remove the intake air hose and air cleaner assembly.
(1) Disconnect the MAFS connector (A).
(2) Disconnect the breather hose (B).
(3) Remove the resonator (C).
(4) Remove the intake air hose (D) and air cleaner assembly (E).




6. Remove the radiator upper hose (A) and lower hose (B).








7. Remove the fuel hose (A).




8. Remove the power steering reservoir tank and bracket (A).




9. Disconnect the engine wiring connectors.
(1) Disconnect the power steering oil pressure switch connector(A) and RH knock sensor connector(B).




(2) Disconnect the MAP sensor connector (A), ETC connector (B), RH exhaust OCV connector (C), RH injector connector (D) and RH ignition coil connector (E).




(3) Disconnect the LH knock sensor connector (A), LH/RH intake OCV connector (B) and LH exhaust OCV connector (C).




(4) Disconnect the LH injector connector (A) and LH ignition coil connector (B).




(5) Disconnect the oil pressure switch connector (A) ,LH exhaust camshaft CMP sensor connector (B) and LH oxygen sensor connector (C).




(6) Disconnect the LH intake camshaft CMP sensor connector (A) ,RH intake camshaft CMP sensor connector (B) and condenser connector (C).




(7) Disconnect the VIS solenoid valve connector (A),PCSV connector (B) and RH oxygen sensor connector (C).




(8) Disconnect the water temperature sensor connector (A) and oil temperature sensor connector (B).




(9) Disconnect the RH exhaust camshaft CMP sensor connector (A).




10. Remove the oil level gauge tube (A).




11. Remove the breather pipe & hose (A).




12. Remove the LH side coolant pipe and hose (A).




13. Remove the fuel pipe (A) and vacuum pipe (B).




14. Remove the throttle body coolant hose & pipe (A).




15. Remove the RH side coolant pipe(A).




16. Remove the PCV hose (A) and surge tank stay (B).




17. Remove the surge tank assembly (A).




18. Disconnect the RH ignition coil connector (A) and the injector connector (B).




19. Remove the LH/RH ignition coils (A).








20. Remove the connector brackets (A) from the LH/RH cylinder head cover.
















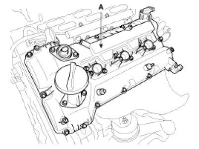
21. Remove the LH/RH cylinder head cover (A).








22. Remove the drive belt (A).




23. Remove the power steering pump (A).




24. Remove the air conditioner compressor (A).




25. Remove the alternator (A).




26. Remove the drive belt idler (A).




27. Remove the drive belt auto tensioner (A).




28. Remove the water pump pulley (A).




29. Set No.1 cylinder to TDC/compression.
(1) Turn the crankshaft pulley clockwise and align its groove with the timing mark "T" of the lower timing chain cover.




(2) Check that the mark (A) of the camshaft timing sprockets are in straight line on the cylinder head surface as shown in the illustration. If not, turn the crankshaft clockwise one revolution (360°).









NOTE:
Do not rotate engine counterclockwise.

30. Remove the lower oil pan (A).
Insert the blade of SST(09215-3C000) between the upper oil pan and lower oil pan. Cut off applied sealer and remove the lower oil pan.





NOTE:
- Insert the SST between the oil pan and the ladder frame by tapping it with a plastic hammer in the direction of arrow.
- After tapping the SST with a plastic hammer along the direction of arrow around more than 2/3 edge of the oil pan, remove it from the ladder frame.
- Do not turn over the SST abruptly without tapping. It be result in damage of the SST.
- Be careful not to damage the contact surfaces of Upper oil pan and lower oil pan.