Operation CHARM: Car repair manuals for everyone.
Manuals through 2025 now available!

Our trusted friends have launched a new website named LEMON, which has newer manuals. It also contains all the CHARM manuals.

LEMON is the spiritual successor to CHARM, I recommend you try it!

Link: lemon-manuals.la or lemon-manuals.org.ua

(Some people have issue connecting. LEMON is investigating. For now, use Firefox or change your DNS server)

Or, hide this message: temporarily or permanently

Repair Procedures





Removal

CAUTION:
- Use fender covers to avoid damaging painted surfaces.
- To avoid damaging the cylinder head, wait until the engine coolant temperature drops below normal temperature before removing it.
- When handling a metal gasket, take care not to fold the gasket or damage the contact surface of the gasket.
- To avoid damage, unplug the wiring connectors carefully while holding the connector portion.

NOTE:
Mark all wiring and hoses to avoid misconnection.

1. Disconnect the battery negative terminal.
2. Remove the engine cover (A).
3. Remove the air cleaner assembly.
(1) Remove the air duct (B).
(2) Disconnect the breather hose (C) and the intensifier hose (D).
(3) Disconnect the air intake hose and then remove the air cleaner assembly (E).

Tightening torque
Hose clamp bolt:
2.9 - 4.9N.m (0.3 - 0.5kgf.m, 2.2 - 3.6lb-ft)
Air cleaner assembly bolts:
7.8 - 9.8N.m (0.8 - 1.0kgf.m, 5.8 - 7.2lb-ft)




4. Disconnect the battery positive terminal and then remove the battery (A).

Tightening torque:
9.8 - 11.8 N.m (1.0 - 1.2 kgf.m, 7.2 - 8.7 lb-ft)




5. Remove the under cover and side cover.
6. Loosen the drain plug (A), and drain the coolant. Remove the radiator cap to speed draining.




7. Remove the front muffler (A).

Tightening torque:
39.2 - 58.8 N.m (4.0 - 6.0 kgf.m, 28.9 - 43.4 lb-ft)




8. Remove the radiator upper hose (A) and lower hose (B).




9. Disconnect the wiring connectors, harness clamps and hoses from the cylinder head, Intake manifold and exhaust manifold.
10. Disconnect the fuel hose (A) and heater hoses (B).




11. Disconnect the throttle body coolant hoses (A), oil cooler coolant hoses (B) and then remove the water temperature control assembly (C).

Tightening torque :
Bolts : 14.7 - 19.6N.m(1.5 - 2.0kgf.m, 10.8 - 14.5lb-ft)
Nuts : 18.6 - 23.5N.m(1.9 - 2.4kgf.m, 13.7 - 17.4lb-ft)




12. Remove the intake & exhaust manifold.
13. Remove the timing chain.
14. Remove the intake CVVT assembly (A) and exhaust CVVT assembly (B).





NOTE:
When removing the CVVT assembly bolt, hold the camshaft with a wrench on the hex on the camshaft (A).




15. Remove the camshaft.
(1) Remove the front camshaft bearing cap (A).




(2) Remove the exhaust camshaft upper bearing (A).




(3) Remove the camshaft bearing cap (A), in the sequence shown.




(4) Remove the camshafts (A).




(5) Remove the exhaust camshaft lower bearing (A).




16. Use a torx wrench, remove the intake OCV (A).




17. Use a torx wrench, remove the exhaust OCV (A).




18. Remove the cylinder head bolts and then remove the cylinder head.
(1) Using triple square wrench, uniformly loosen and remove the 10 cylinder head bolts, in several passes, in the sequence shown. Remove the 10 cylinder head bolts and plate washers.





CAUTION:
Head warpage or cracking could result from removing bolts in an incorrect order.

(2) Lift the cylinder head from the dowels on the cylinder block and place the cylinder head on wooden blocks on a bench.

CAUTION:
Be careful not to damage the contact surfaces of the cylinder head and cylinder block.

19. Remove the cylinder head gasket.

Disassembly

NOTE:
Identify MLA(Mechanical Lash Adjuster), valves, valve springs as they are removed so that each item can be reinstalled in its original position.

1. Remove the MLAs (A).




2. Remove the valves.
(1) Using SST(09222-3K000, 09222-3K100), compress the valve spring and remove retainer lock.




(2) Remove the spring retainer.
(3) Remove the valve spring.
(4) Remove the valve.
(5) Using needle-nose pliers, remove the valve stem seal.

Inspection

Cylinder Head
1. Inspect for flatness.
Using a precision straight edge and feeler gauge, measure the surface the contacting the cylinder block and the manifolds for warpage.

Flatness of cylinder head gasket surface
Standard : Less than 0.05mm(0.002in.) (0.02mm(0.0008in.)/100x100)
Flatness of manifold mounting surface
Standard : Less than 0.1mm(0.0039in.)




2. Inspect for cracks.
Check the combustion chamber, intake ports, exhaust ports and cylinder block surface for cracks. If cracked, replace the cylinder head.

Valve And Valve Spring
1. Inspect valve stems and valve guides.
(1) Using a caliper gauge, measure the inside diameter of the valve guide.

Valve guide I.D.
Intake / Exhaust : 5.500 - 5.512mm (0.216 - 0.217in.)




(2) Using a micrometer, measure the diameter of the valve stem.

Valve stem O.D.
Intake : 5.465 - 5.480mm (0.2151 - 0.2157in.)
Exhaust : 5.458 - 5.470mm (0.2149 - 0.2153in.)




(3) Subtract the valve stem diameter measurement from the valve guide inside diameter measurement.

Valve stem-to-guide clearance
[Standard]
Intake : 0.020 - 0.047mm (0.0008 - 0.0018in.)
Exhaust : 0.030 - 0.054mm (0.0012 - 0.0021in.)
[Limit]
Intake : 0.07mm (0.0027in.)
Exhaust : 0.09mm (0.0035in.)

If the clearance is greater than maximum, replace the valve and valve guide.
2. Inspect the valves.
(1) Check the valve is ground to the correct valve face angle.
(2) Check that the surface of the valve for wear.
If the valve face is worn, replace the valve.
(3) Check the valve head margin thickness.
If the margin thickness is less than minimum, replace the valve.

Margin
[Standard]
Intake : 1.02mm(0.0401in.)
Exhaust : 1.09mm(0.0429in.)




(4) Check the valve length.

Valve length
[Standard]
Intake : 113.18mm(4.4559in.)
Exhaust : 105.84mm(4.1669in.)
[Limit]
Intake : 112.93mm(4.4461in.)
Exhaust : 105.59mm(4.1571in.)

(5) Check the surface of the valve stem tip for wear.
If the valve stem tip is worn, replace the valve.
3. Inspect the valve seats
Check the valve seat for evidence of overheating and improper contact with the valve face.
Replace the seat if necessary.
Before reconditioning the seat, check the valve guide for wear. If the valve guide is worn, replace it, then recondition the seat. Recondition the valve seat with a valve seat grinder or cutter. The valve seat contact width should be within specifications and centered on the valve face.
4. Inspect the valve springs.
(1) Using a steel square, measure the out-of-square of the valve spring.
(2) Using a vernier calipers, measure the free length of the valve spring.

Valve spring
[Standard]
Free height : 47.44mm (1.8677in.)
Out-of-square : 1.5°




If the free length is not as specified, replace the valve spring.

MLA
1. Inspect the MLA.
Using a micrometer, measure the MLA outside diameter.

MLA O.D.
Intake/Exhaust :
31.964 - 31.980mm(1.2584 - 1.2590in.)

2. Using a caliper gauge, measure MLA tappet bore inner diameter of cylinder head.

Tappet bore I.D.
Intake/Exhaust :
32.000 - 32.025mm(1.2598 - 1.2608in.)

3. Subtract MLA outside diameter measurement from tappet bore inside diameter measurement.

MLA to tappet bore clearance
[Standard]
Intake/Exhaust : 0.020 - 0.061mm(0.0008 - 0.0024in.)
[Limit]
Intake/Exhaust : 0.07mm(0.0027in.)

Camshaft
1. Inspect the cam lobes.
Using a micrometer, measure the cam lobe height.

Cam height
[Standard value]
Intake : 44.10 - 44.30mm (1.7362 - 1.7440in.)
Exhaust : 44.90 - 45.10mm (1.7677 - 1.7756in.)




If the cam lobe height is less than standard, replace the camshaft.
2. Inspect the camshaft journal clearance.
(1) Clean the bearing caps and camshaft journals.
(2) Place the camshafts on the cylinder head.
(3) Lay a strip of plastigage across each of the camshaft journal.




(4) Install the bearing caps.

CAUTION:
Do not turn the camshaft.

(5) Remove the bearing caps.
(6) Measure the plastigage at its widest point.

Bearing oil clearance
[Standard value]
Intake :
No.1 journal : 0.022 - 0.057mm (0.00087 - 0.00224in)
No.2,3,4,5 : 0.045 - 0.082mm (0.00177 - 0.00323in)
Exhaust:
No.1 : 0 - 0.032mm (0 - 0.0012)
No.2,3,4,5 : 0.045 - 0.082mm (0.00177 - 0.00323in)

[Limit]
Intake:
No.1 journal : 0.09mm (0.0035in)
No.2,3,4,5 : 0.12mm (0.0047in)
Exhaust :
No.1,2,3,4,5 : 0.12mm (0.0047in)




If the oil clearance is greater than maximum, replace the camshaft. If necessary, replace cylinder head.
(7) Completely remove the plastigage.
(8) Remove the camshafts.
3. Inspect the camshaft end play.
(1) Install the camshafts.
(2) Using a dial indicator, measure the end play while moving the camshaft back and forth.

Camshaft end play
[Standard value] : 0.04 - 0.16mm (0.0016 - 0.0062in.)
[Limit] : 0.20mm (0.0078in.)




If the end play is greater than maximum, replace the camshaft. If necessary, replace cylinder head.
(3) Remove the camshafts.

Exhaust Cam Shaft Bearing
1. Check the cylinder head bore mark.

Location Of Cylinder Head Bore Mark




Discrimination Of Cylinder Head





2. Select class of camshaft bearing same as class of cylinder head as shown on the table below.

Place Of Exhaust Cam Shaft Bearing Identification Mark




Discrimination Of Exhaust Camshaft Bearing






Oil clearance :0 - 0.032mm (0 - 0.0012in.)

CVVT Assembly
1. Inspect CVVT assembly.
(1) Check that the CVVT assembly will not turn.
(2) Apply vinyl tape to the retard hole except the one indicated by the arrow in the illustration.
Verify the hold to tape and the hole to put air in.

[Intake]





[Exhaust]




(3) Wind tape around the tip of the air gun and apply air of approx. 150kpa(1.5kgf/cm2, 21psi) to the port of the camshaft.
(Perform this in order to release the lock pin.)

NOTE:
When the oil splashes, wipe it off with a shop rag and the likes.

(4) With air applied, as in step(3), turn the CVVT assembly to the advance angle side (the arrow marked direction in the illustration) with your hand.
Depending on the air pressure, the CVVT assembly will turn to the advance side without applying force by hand. Also, under the condition that the pressure can be hardly applied because of the air leakage from the port, there may be the case that the lock pin could be hardly released.




(5) Turn the CVVT assembly back and forth and check the movable range and that there is no disturbance.

Standard:
Should move smoothly in a range from about
22.5° (Intake) / 20.0° (Exhaust)

(6) Turn the intake CVVT assembly with your hand and lock it at the maximum retard angle position (counter clockwise).
(7) Turn the exhaust CVVT assembly with your hand and lock it at the maximum advance angle position (clockwise).

Reassembly

NOTE:
Thoroughly clean all parts to be assembled.
Before installing the parts, apply fresh engine oil to all sliding and rotating surfaces.
Replace oil seals with new ones.

1. Install valves.
(1) Using SST(09222-4A000), push in a new oil seal.

NOTE:
Do not reuse old valve stem seals.
Incorrect installation of the seal could result in oil leakage past the valve guides.




(2) Install the valve, valve spring and spring retainer.

NOTE:
Place valve springs so that the side coated with enamel faces toward the valve spring retainer and then installs the retainer.

(3) Using the SST(09222-3K000, 09222-3K100), compress the spring and install the retainer locks. After installing the valves, ensure that the retainer locks are correctly in place before releasing the valve spring compressor.




(4) Lightly tap the end of each valve stem two or three times with the wooden handle of a hammer to ensure proper seating of the valve and retainer lock.
2. Install the MLAs.
Check that the MLA rotates smoothly by hand.





NOTE:
MLA can be reinstalled in its original position.
However, the valve lash clearances must be rechecked and adjusted accordingly before the cylinder head is installed onto the cylinder block.
Refer to General information in EM section for Valve Clearance checking and adjustment procedure.

Installation

NOTE:
- Thoroughly clean all parts to be assembled.
- Always use a new head and manifold gasket.
- The cylinder head gasket is a metal gasket. Take care not to bend it.
- Rotate the crankshaft, set the No.1 piston at TDC.

1. Install the OCV filter.





CAUTION:
Keep the OCV filter clean.

2. Install the cylinder head gasket (A) on the cylinder block.

NOTE:
- Be careful of the installation direction.
- Apply liquid gasket (Loctite 5900H) on the edge of cylinder head gasket upside and downside. (At the position 'B')
- After applying sealant, assemble the cylinder head in five minutes.




3. Place the cylinder head carefully in order not to damage the gasket with the bottom part of the end.
4. Install cylinder head bolts.
A. Apply a light coat if engine oil on the threads and under the heads of the cylinder head bolts.
B. Using the SST(09221-4A000), tighten the cylinder head bolts and plate washers, in several passes, in the sequence shown.

Tightening torque :
32.4 - 36.3Nm (3.3 - 3.7kgf.m, 23.9 - 26.8lb-ft) + 90 - 95° + 90 - 95°

CAUTION:
Always use new cylinder head bolt.




5. Install the intake OCV (A).

Tightening torque :
9.8 - 11.8N.m (1.0 - 1.2kgf.m, 7.2 - 8.7lb-ft)




6. Install the exhaust OCV (A).

Tightening torque :
9.8 - 11.8N.m (1.0 - 1.2kgf.m, 7.2 - 8.7lb-ft)





CAUTION:
- Do not reuse the OCV when dropped.
- Keep the OCV filter clean.
- Do not hold the OCV sleeve (A) during servicing.
- When the OCV is installed on the engine, do not move the engine with holding the OCV yoke.




7. Install the camshafts.

NOTE:
Apply a light coat of engine oil on camshaft journals.

(1) Install the exhaust camshaft lower bearing (A).




(2) Install the camshafts (A).




(3) Install the exhaust camshaft upper bearing (A) to the front bearing cap (A).




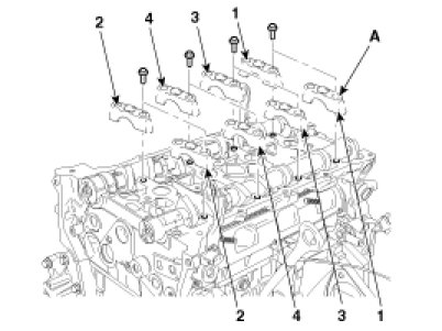
8. Install camshaft bearing caps in their proper locations.
Tightening order.
Group A -> Group B -> Group C.

Tightening torque :
Step 1
M6 : 5.9N.m (0.6kgf.m, 4.3lb-ft)
M8 : 14.7N.m (1.5kgf.m, 10.8lb-ft)
Step 2
M6 : 10.8 - 12.7N.m (1.1 - 1.3kgf.m, 7.9 - 9.3lb-ft)
M8 : 27.4 - 31.4N.m (2.8 - 3.2kgf.m, 20.2 - 23.1lb-ft)




9. Install the intake CVVT assembly (A) and exhaust CVVT assembly (B).

Tightening torque :
53.9 - 63.7N.m (5.5 - 6.5kgf.m, 39.7 - 47.0lb-ft)





NOTE:
When installing the CVVT assembly bolt, fix the camshaft by wrench at position A.




10. Install the water temperature control assembly (C) and then connect the hoses.

Tightening torque :
Bolt : 14.7 - 19.6N.m(1.5 - 2.0kgf.m, 10.8 - 14.5lb-ft)
Nut : 18.6 - 23.5N.m(1.9 - 2.4kgf.m, 13.7 - 17.4lb-ft)





NOTE:
- Assemble water temp control assembly and water inlet pipe to water pump assembly before nuts for assembling of water inlet pipe to be tightened.
- Insert after wetting O-ring or inner surface of thermostat housing.
- Always use a new O-ring.

11. Install the timing chain.
12. Install the intake and exhaust manifold.
13. Check and adjust the valve clearance.
14. Install cylinder head cover.
(1) The hardening sealant located on the upper area between timing chain cover and cylinder head should be removed before assembling cylinder head cover.
(2) After applying sealant, it should be assembled within 5 minutes.

Bead width :2.5mm (0.1in.)




(3) Install the cylinder head cover bolts as following method.

Tightening torque :
1st step : 3.9 - 5.9N.m(0.4 - 0.6kgf.m, 2.9 - 4.3lb-ft)
2nd step : 7.8 - 9.8N.m(0.8 - 1.0kgf.m, 5.8 - 7.2lb-ft)





CAUTION:
- Do not reuse cylinder head cover gasket.
- The firing and/or blow out test should not be performed within 30 minutes after the cylinder head cover was assembled.

15. Install the other parts in the reverse order of removal.

NOTE:
- Refill engine oil.
- Clean the battery posts and cable terminals with sandpaper assemble them, and then apply grease to prevent corrosion.
- Inspect for fuel leakage.
- After assembling the fuel line, turn on the ignition switch (do not operate the starter) so that the fuel pump runs for approximately two seconds and fuel line pressurizes.
- Repeat this operation two or three times, and then check for fuel leakage at any point in the fuel lines.
- Refill radiator and reservoir tank with engine coolant.
- Bleed air from the cooling system.
- Start engine and let it run until it warms up. (Until the radiator fan operates 3 or 4 times.)
- Turn off the engine. Check the level in the radiator, add coolant if needed. This will allow trapped air to be removed from the cooling system.
- Put radiator cap on tightly, then run the engine again and check for leaks.