Operation CHARM: Car repair manuals for everyone.
Manuals through 2025 now available!

Our trusted friends have launched a new website named LEMON, which has newer manuals. It also contains all the CHARM manuals.

LEMON is the spiritual successor to CHARM, I recommend you try it!

Link: lemon-manuals.la or lemon-manuals.org.ua

(Some people have issue connecting. LEMON is investigating. For now, use Firefox or change your DNS server)

Or, hide this message: temporarily or permanently

Electrical Diagrams

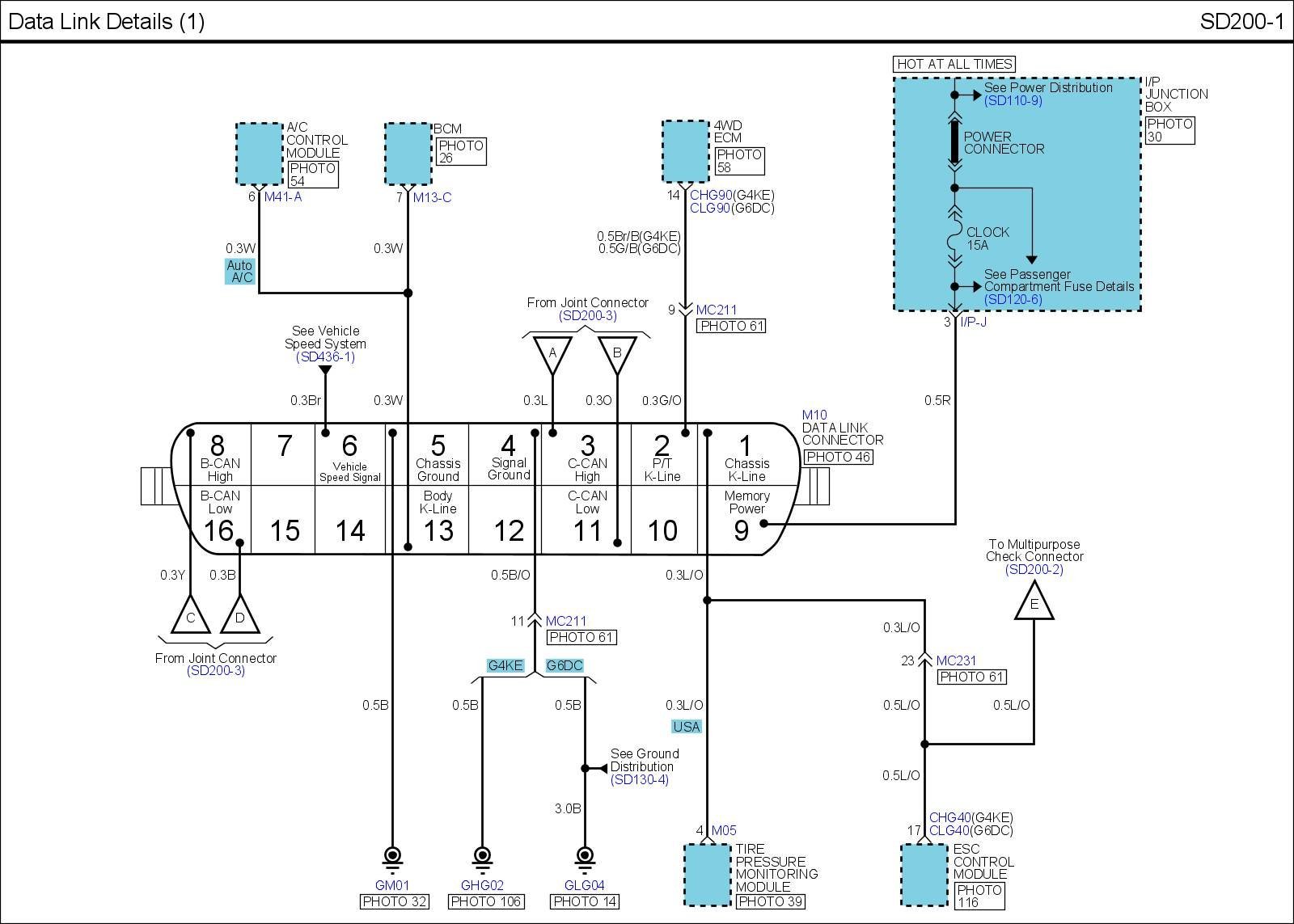
SD200-1 Data Link Details (1):




SD200-2 Data Link Details (2):




SD200-3 Data Link Details (3):




SD200-4 Data Link Details (4):




SD200-5 Data Link Details (5):




SD200-6 Data Link Details (6):




SD200-7 Data Link Details (7):






Locations: Location photographs (references to PHOTOS) referred to within these diagrams can be found via the photo number at the vehicle level under Locations by Photo Number. Locations By Photo Number