Body Control Module: Description and Operation
Description
Operation
1. WASHER INTERLOCKING WIPER
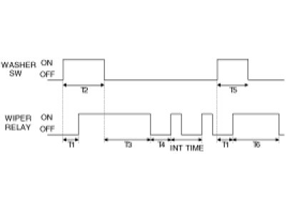
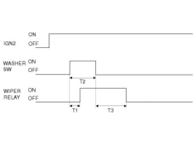
(1) If the Washer SW is ON in the IGN2 SW ON state, then the Wiper output shall be ON after T1, and if the Washer SW input is ON for 0.2 - 0.6 seconds, then the Wiper output shall be OFF after T3. However, WASHER SW input shall be disregarded during the Washer Wiper operating, but after operating the Washer Wiper, WASHER SW input shall be accepted first.
T1 : 0.3 ± 0.1s, T2 : 0.2 - 0.6s, T3 : 0.7 ± 0.1s.
In case of T2 is less than 0.2s, T3=0
(2) If the Washer SW is ON in the IGN2 SW ON state, then the Wiper output shall be ON after T1, and if the Washer SW is ON over 0.6 seconds, after the Washer SW is OFF and the Wiper output shall be ON for 2.5 - 3.8 seconds and then, the Wiper output shall be OFF. However, WASHER SW input shall be disregarded during the Washer Wiper operating, but after the Washer Wiper operating, WASHER SW input be accepted first.
T1 : 0.3 ± 0.1s, T2 : more than 0.6s,
T3 : 2.5 - 3.8s.
(3) During INT Wiper operating, if the Washer SW is ON over 0.6 seconds, then the Washer Interlocking Wiper output shall be ON. If the Washer SW is ON for 0.2 - 0.6 seconds, then the Wiper output shall be ON once.
T1 : 0.3 ± 0.1s, T2 : more than 0.6s,
T3 : 2.5 - 3.8s ± 0.1s, T4 : INT TIME-0.7s,
T5 : 0.2 - 0.6s, T6 : 0.7 ± 0.1s.
2. MIST INTERLOCKING WIPER
(1) In IGN2 SW ON, if the MIST SW is ON for 60ms or more, within 100ms, and then, wiper output shall be ON for 700ms within 100ms.
T1 : Min 60 ms, T2 : Max 100 ms,
T3 : 700 ± 100 ms.
(2) If MIST SW input is continued, WIPER output shall be maintain the ON state, and then if MIST SW is OFF, the Wiper output shall be ON for 700ms since OFF time.
T1 : Min 60 ms, T2 : Max 100 ms,
T3 : 700 ± 100 ms, T4 : 700 ms
(3) Mist SW input shall be disregarded by INT WIPER, WASHER interlocking WIPER during operating WIPER.
3. INT WIPER
According to the vehicle speed, control intermittent time of the Intermittent Wiper.
A. IGN2 SW ON state.
B. WIPER SW INT state
C. INPUT the vehicle speed and the VOLUME value for setting the intermittent time
(1) Output of Intermittent time ratio
Calculate the INT time rate by inputting the INT Time set Volume value (input voltage)
"The INT Time Rate is to indicate the position where the Volume is located from the Slow (100%) to the Fast (0%) of the Knob. Therefore the Volume shall be linearly calibrated about the input voltage"
(2) Output of Standard Intermittent Time
"Calculate the intermittent time of the intermittent time ratio 100%and 0% at the vehicle speed (V) computed in (1) term by linear correction "
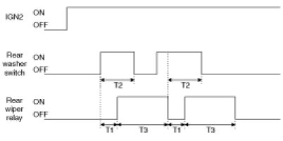
4. CONTROL of REAR WASHER Interlocking REAR WIPER
(1) If Rear Washer Switch is ON with IGN2 Switch ON, turn ON Rear Wiper Relay output after T1.
If Rear Washer SW Input is carried on for 0.2 - 0.6 second, turn OFF Rear Wiper RLY after T3.
However, Rear Washer SW input generated during operating Rear Wiper RLY is ignored, and received following the operation of Rear Wiper RLY.
T1 : 0.3±0.1 s, T2 : 0.2 - 0.6s, T3 : 0.7±0.1s.
if T2 is net more than 0.2 Sec, T3=0
(2) If Rear Washer SW is ON with IGN2 switch ON, turn ON Rear Wiper relay output after T1.
If Rear Washer switch input is continued for more than 0.6, turn ON and OFF Rear Wiper relay Output for 2.5~3.8 seconds after turning Rear Washer switch OFF. However Rear Washer switch Input during operating Rear Wiper relay is ignored and received after the operation of Rear Wiper relay
T1 : 0.3±0.1 s, T2 : More than 0.6s, T3 : 3s.
(3) Rear Washer SW Input is ignored during continuous operation of Rear Wiper RLY generated by Rear Wiper SW.
(4) The function of REAR WASHER interlocking REAR WIPER is primarily taken, in case that Rear Washer switch Input is generated during intermittent operation of Rear Wiper relay by Rear Wiper switch
5. TAIL LAMP AUTO CUT
After Key IN SW is On, if Tail SW is On, then Key IN SW shall be OFF; when the driver's door is opened, then the Tail Lamp shall be OFF automatically.
Also, in the state that the KEY IN SW is ON, after the driver's door is opened, if the KEY IN SW is OFF, then the Tail Lamp shall be OFF automatically.
After the Auto Cut, if the Tail SW is ON after OFF again, the Tail Lamp shall be ON, and the Auto Cut function shall be canceled.
After the Auto Cut, when KEY IN SW is ON again, TAIL LAMP shall be ON, and the Auto Cut function shall be canceled.
In the state of the AUTO CUT, if mounting or removing the BATTERY, then the AUTO CUT state shall be continued.
6. HEAD LAMP LOW CONTROL
If HEAD LAMP LOW SW is On in the IGN1 On state, HEAD LAMP HIGH RELAY shall be ON so that HEAD LAMP HIGH can be controlled by HEAD LAMP RELAY and M/F SW.
7. AUTO LIGHT CONTROL
(1) It shall be able to operate only in case of AUTO LIGHT is active, and comply with CALIBRATION PARAMETER TABLE of each spec.
(2) IGN1 SW ON state, if the supply voltage of the AUTO LIGHT SENSOR is less than 4v or more than 6v, it is determined as the fault. In the fault state, in case of the AUTO LIGHT SW is ON, always HEAD LAMP RELAY shall be ON regardless of the Sensor value. FILTERING TIME for the fault and recovery with regard to the supply voltage is 300 msec respectively.
(3) In the condition of LIGHT ON, when the AUTO LIGHT SENSOR value is entered into AUTO LIGHT control condition, then LIGHT shall be ON immediately.
(4) If IGN1 SW is ON, and AUTO LIGHT SW is ON, and in LIGHT OFF state, and in case of AUTO LIGHT SENSOR value is the input value of the LIGHT ON, LIGHT shall be ON after 12 ± 0.2sec.
(5) In LIGHT ON state, in case of the AUTO LIGHT SENSOR value is the input value of the LIGHT OFF, LIGHT shall be OFF after 12 ± 0.2sec.
(6) If the SENSOR value is the input value of the TAIL LAMP ON, then TAIL LAMP RELAY shall be ON only, and if it is the input value of the HEAD LAMP ON, then HEAD LAMP HIGH RELAY shall be ON so that HEAD LAMP HIGH can be controlled by TAIL LAMP RELAY, HEAD LAMP RELAY, and multifunction (M/F) SW.
(7) In the condition of LIGHT ON, when AUTO LIGHT SW is ON, HEAD LAMP RELAY shall be ON immediately, and when AUTO LIGHT SW is OFF, LIGHT shall be OFF immediately.
The LIGHT ON value of the AUTO LIGHT SENSOR shall be complied with the table below.
(8) The time chart according to filtering time and sensor for each applicable area shall be as follow.
T1 : 12 ± 0.2s, T2 : 12 ± 0.2s.
8. Tail Interlocking av control
(1) If Auto Light power is less than 4V or over 6V with A_ACC ON, it is considered to be malfunctioning.
AV Tail Output should be OFF in malfunctioning. Power supply FILTERING time of failing and recovering takes 300msec each.
(2) If Auto Light sensor value is equal to the input value of TAIL LAMP ON with ACC ON, turn ON AV Tail Output after 12 ± 0.2 sec.
(3) If Auto Light sensor value is equal to the input value of TAIL LAMP OFF with AV Tail Output ON, turn OFF AV Tail Output after 12 ± 0.2sec.
(4) A_Auto Light sensor value of LIGHT ON is as follows.
T1 : 12 ± 0.2s, T2 : 12 ± 0.2s.
9. DAYTIME RUNNING LIGHT
DRL (DAYTIME RUNNING LIGHT) OPTION is classified into the following two cases by the DRL OPTION LINE input.
(1) NON-DRL OPTION: In the case that DRL OPTION LINE is not connected.
(2) DRL OPTION: In the case that DRL CANADA OPTION LINE is connected and electrically grounded.
10. DRL (CANADA)
If the IGN2 is ALT "L" are On, supply the power to the HEAD LAMP HIGH LAMP by turning the DRL CANADA RELAY ON.
If HEAD LAMP LOW RELAY is On by the HEAD LAMP switch, the DRL function shall be canceled. If the HEAD LAMP HIGH RELAY is On by the HEADLAMP HIGH switch or PASSING switch, the DRL function shall be canceled.
If P/BRAKE switch is ON(PARK), the DRL function shall be canceled.
In IGN2 state, if the HEAD LAMP HIGH RELAY is On by the HEADLAMP HIGH switch or PASSING switch, the HEAD LAMP HIGH INDICATOR shall be ON.
11. BUZZER SOUND
(1) BUZZER SOUND SPECIFICATION
(2) The Priority Order : S/BELT WARNING > KEY OPERATED WARNING > PARKING START WARNING
(3) If the output is OFF, maintain the output until the OFF cycle
(4) Sound pressure measurement distance : 1.0 m
12. SEAT BELT REMINDER
FROM STATE IGN1 ON DRIVER UNBELTED
Condition 1
Condition 2
Condition 3
FROM STATE PATTERN
Condition 4
Condition 5
Condition 6
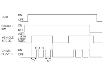
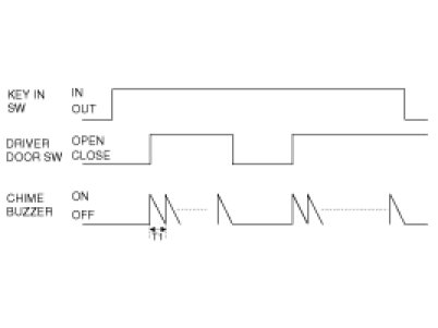
13. KEY OPERATED WARNING
(1) In state of KEY IN SW is IN, if the DRIVER DOOR is opened, then the CHIME BUZZER output shall be continued with the cycle of 0.7 seconds.
(2) If KEY IN SW is OUT or the driver's door is closed during the Chime Buzzer output, then the output shall be OFF.
T1 : 0.7 ± 0.1sec.
14. PARKING START WARNING
In the state that the IGN1 is ON or the Parking Brake is pulled, if the speed of vehicle is maintained over 10 km/h for 2 - 3 seconds or more, then the Chime Buzzer output shall be continued with 1 second cycle of the ON/OFF (0.3/0.7 seconds). But, after the speed of vehicle is maintained over 10 km/h for 2 - 3 seconds or more, if the Parking Brake is pulled, output immediately.
T1 : 2.5±0.5 sec, T2 : 0.3±0.1 sec,
T3 : 0.7±0.1 sec.
15. IGN KEY HOLE ILLUMINATION
(1) If the driver's door (or assist's door) is opened in the state that the IGN1 SW is OFF, then the IGN Key Hole Illumination shall be ON.
(2) In the (1) state, if the driver's door (or assist's door) is closed, then the IGN Key Hole Illumination shall be OFF after it is in the ON state for 30 seconds.
(3) During the (1) and (2) operating, if the IGN1 SW is On, the IGN Key Hole Illumination shall be OFF immediately.
(4) But, if it is in the ARM or ARM WAIT or ALARM or REARM Mode, then the IGN Key Hole Illumination shall be OFF immediately.
T1 : 30 ± 1 sec.
16. DEFOGGER TIMER
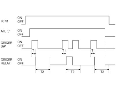
(1) If the Defogger SW is ON after the ALT "L" is ON in the state that the IGN1 SW is ON, then the Defogger output shall be ON for 20 minutes. (Operating in the state of the ENGINE RUNNING)
(2) If the DEFOGGER SW is ON again while the DEFOGGER output is ON, then the DEFOGGER output shall be OFF.
(3) If the ALT "L" is OFF or IGN1 is OFF while the DEFOGGER output is ON, then the DEFOGGER output shall be OFF.
(4) If the ALT "L" > 10 volts, then it shall be in the Engine Running State (ALT "L" shall be ON); if the ALT "L" < 5 volts, then it shall be in the Engine Stop State (ALT "L" shall be OFF). Also, if the ALT "L" is more than 5 and less than 10 volts, then the former state shall be maintained.
(5) If the defogger SW is pressed and the ALT "L" is ON, there shall be no the DEFOGGER RLY output.
T1 : 60 ± 20 msec, T2 : 20 ± 1 min.
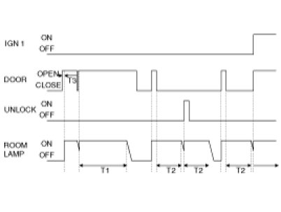
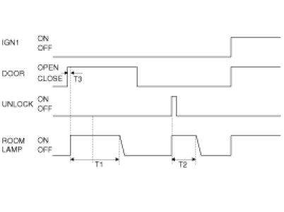
17. DECAY ROOM LAMP & KEYLESS UNLOCK TIMER
Condition 1
Condition 2
Condition 3
T1 : 20 ± 1 min, T2 : 30 ± 3 sec,
T3 : 100 ms.
Condition 4
Condition 5
Condition 6
T1 : 20 ± 1 min, T2 : 30 ± 3 sec,
T3 : 100 ms.
Condition 7
Condition 8
Condition 9
T1 : 20 ± 1 min, T2 : 30 ± 3 sec,
T3 : 100 ms.
Condition 10
Condition 11
Condition 12
Condition 13
T1 : 20 ± 1 min, T2 : 30 ± 3 sec,
T3 : 100 ms.
Condition 14
Condition 15
Condition 16
T1 : 20 ± 1 min, T2 : 30 ± 3 sec,
T3 : 100ms.
NOTE:
1. When the IGN1 is ON, there shall be no blinking of the ROOM LAMP.
2. The decaying of the ROOM LAMP should be more than 32 steps.
18. POWER WINDOW TIMER
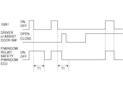
(1) When the IGN2 SW is ON, then the Power Window Relay output shall be ON.
(2) When the IGN2 SW is OFF, then the Power Window output shall be OFF after the output is maintained ON for 30 seconds.
(3) In the condition of the Above (2), if the driver's or assist's door is opened, then the output shall be OFF immediately.
(4) In the state that the driver's or assist's door is opened, if the IGN is OFF, then the Power Window output shall be OFF.
(5) The SAFETY POWER WINDOW ECU Output-port shall be controlled the same as the POWER WINDOW RELAY does.
T1 : 30 ± 3 sec.
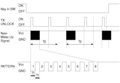
19. Navigation wake up
A. Navigation wake up control data flow
A. Navigation wake up signal control
(1) When KEY OUT, if TUNLOCK is received, Navigation Wake-Up Signal is operating.
(2) Navigation Wake-Up Signal is repeated, 60ms ON / OFF, 8 times.
(3) After operating of Navigation Wake-up signal by TUNLOCK input, if TUNLOCK is received in T2 (60sec), Navigation Wake-Up Signal is not operating.
(4) If Key IN is ON during operating Navigation Wake-Up Signal, Signal is maintained.
T1 : 60 ± 5 msec, T2 : 1 min ± 5 sec
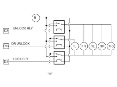
20. DOOR LOCK/UNLOCK RELAY CONTROL
(1) 2-TURN UNLOCK SPECIFICATION
21. CENTRAL DOOR LOCK/UNLOCK
(1) After the driver's door key lock SW is on, if the driver's door ACTUATOR UNLOCK SW changes from UNLOCk to LOCK within 3s, ALL DOOR LOCK output shall be ON for T1. But, in case of KEY IN and IGN1 SW ON, output shall be inhibited.
(2) After the driver's door key unlock SW is on, if the driver's door ACTUATOR UNLOCK SW changes from LOCK to UNLOCK within 3s, ALL DOOR UNLOCK output shall be ON for T1.
(3) When the TX (Transmitter) LOCK signal is received, all DOOR LOCK output shall be ON for T1.
(4) When the TUNLOCK signal is received, all DOOR UNLOCK output shall be ON for T1.
(5) If the Door LOCK Switch (Power window) is locked , all DOOR LOCK output shall be ON for T1.
(6) If the Door UNLOCK Switch (Power window) is unlocked, all DOOR UNLOCK output shall be ON for T1.But, in ARM state, the operation by POWER WINDOW UNLOCK Switch shall be inhibited.
(7) The LOCK/UNLOCK by the SAFETY KNOB is non-interlocking. (Mechanical operation)
(8) When connected to the BATTERY, there shall be no malfunction.(there shall be no malfunction in the KEY IN position)
(9) Don't receive the input with less than 60msec(KEY LOCK/UNLOCK SW).
(10) During output, if there are the output request, the current output shall be OFF immediately, and after 100ms delay, and then, perform the reverse direction output. But, if there are the output request during 100ms delay, perform the output for the last output request occurred.
(11) In case of the Lock output and Unlock output condition are occurred at the same tine, perform the lock output and disregard the unlock output.
(12) In case of all DOOR LOCK(UNLOCK) Switch is LOCK(UNLOCK) state, the LOCK(UNLOCK) request in power window always output.
(13) In case of DRIVER DOOR UNLOCK Switch is UNLOCK state, the request of DRIVER DOOR UNLOCK does not output.
(14) During DRIVER DOOR UNLOCK output, in case of the output request of ALL DOOR UNLOCK, perform DRIVER DOOR UNLOCK output according to ALL DOOR UNLOCK output.
T1 : 0.5 ± 0.1 sec, T2 : MAX 3 sec.
22. 2-TURN UNLOCK
(1) IF DRIVER KEY UNLOCK SW is OFF >ON (DRIVER DOOR LOCK SW is UNLOCK mechanically and BCM doesn't output) and then the Driver's ACTUATOR UNLOCK SW is LOCK > UNLOCK within 3s and Driver key unlock SW is OFF > ON within T1, all door unlock output shall be ON for T2.
(2) IF DRIVER KEY UNLOCK SW is OFF > ON (DRIVER DOOR LOCK SW is UNLOCK mechanically and BCM doesn't output) and then the Driver's ACTUATOR UNLOCK SW is LOCK > UNLOCK within 3s and receives TUNLOCK within T1, the UNLOCK output shall be ON to all doors for T2.
(3) When the TUNLOCK signal is received, the DRIVER DOOR UNLOCK output shall be ON for T2. But, if the TUNLOCK signal is received within T1, the UNLOCK output shall be ON to all doors for T2.
(4) If after the TUNLOCK signal is received, and after the DRIVER KEY UNLOCK SW is turned to ON from OFF (Driver door lock sw become UNLOCK, and BCM does not operate) within T1, actuator unlock sw is UNLOCK in 3s, the UNLOCK output shall be ON to all doors for T2.
(5) Even if other registered TX signal within T1 is received, the signal shall regard as the same TX signal.
(6) The DOOR LOCK(UNLOCK) output produced by the change of the DRIVER DOOR LOCK SW(KNOB) shall be not output.
T1 : 4 ± 1 sec, T2 : 0.5 ± 0.1 sec,
T3 : Max 3 sec
23. IGN KEY REMINDER
(1) If the Vehicle speed is over 3Km/h, then this function doesn't act on.
(2) If KEY IN Switch is IN & the driver's door is opened & the driver's DOOR UNLOCK Switch is locked, then after 0.5 seconds, the unlock signal shall be output to the driver's door for 1s.
(3) If it is in state of that KEY IN SW is IN & assist's DOOR is OPEN & assist's DOOR UNLOCK SW is LOCK, and after 0.5s, and then perform the ALL DOOR UNLOCK output for 1 second.
(4) When (2) items are met at the same time, after 0.5 seconds, the unlock signal shall be output to all doors for 1 second in conformity with (3) item.
(5) Although the unlock signal is output for 1 s by the (2), (3) items, if the lock state is maintained, the unlock signal shall be output at maximum three times (except for 1s output). (1s cycle: 0.5s ON/OFF)
(6) After perform (5) items, in case of LOCK state is maintained, and in case of DOOR CLOSE, and then attempt the ALL DOOR UNLOCK one time.
(7) In the KEY IN Switch is IN state, if the driver's door is closed within 0.5 seconds as soon as the driver's DOOR UNLOCK SW is turned to the LOCK from the UNLOCK, the unlock signal shall be output to the driver's door for 1 s one time.
(8) In the KEY IN Switch is IN state, if the assist's door is closed within 0.5 seconds as soon as the assist's DOOR UNLOCK Switch is turned to the LOCK from the UNLOCK, the unlock signal shall be output to all doors for 1 s one time.
(9) In the KEY IN Switch is IN state, if the driver's DOOR UNLOCK Switch is turned to the LOCK from the UNLOCK within 0.5 seconds as soon as the driver's door is turned to the closed state from the opened state, then the Unlock signal shall be output to the driver's door for 1 second one time.
(10) In the KEY IN Switch is IN state, if the assist's DOOR UNLOCK Switch is turned to the LOCK from the UNLOCK within 0.5 seconds as soon as the assist's door is turned to the closed state from the opened state, then the Unlock signal shall be output to all doors for 1 second one time.
(11) In the KEY IN state, after the DRIVER DOOR or ASSIST DOOR are opened, if the doors are locked by the Power window LOCK Switch, the unlock signal shall be output to all doors.
(12) Even if the condition is not maintained for 0.5s after the UNLOCK condition is satisfied, the unlock signal shall be output. But, after the condition is satisfied as the result that the DOOR LOCK Switch is turned to the LOCK from the UNLOCK, if the KEY IN Switch is OFF at the passage time of 0.5s, the unlock signal shall not be output.
T1, T3 : 0.5 ± 0.1 sec, T2 : 1 ± 0.1 sec,
T4 : 0.5 sec Max
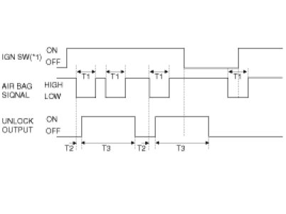
24. CRASH DOOR UNLOCK
(1) In the IGN KEY ON state, whenever the AIR BAG signal is received, the unlock signal shall be output always.
(2) During the unlock output, even if the IGN KEY ON is turned to the OFF from the ON, the unlock output is maintained for the remained time.
(3) After the UNLOCK output, if the DRIVER or ASSIST, REAR DOOR LOCK SW are turned to the LOCK from the UNLOCK, the unlock signal shall be output for T3.
(4) The AUTO DOOR LOCK function is not performed in the CRASH UNLOCK condition.
(5) The CRASH DOOR UNLOCK function is prior to the LOCK/UNLOCK control by the other functions.
(6) The LOCK/UNLOCK requirement by the other functions is disregarded during the CRASH DOOR UNLOCK output or after it. But, if the IGN KEY OFF, the LOCK/UNLOCK control by the other functions shall be performed.
T1 : 0.2 sec, T2 : 40 msec,
T3 : 5 ± 0.5 sec.
*1 ON : IGN KEY ON
OFF : IGN KEY OFF
25. 2-turn Mode change function
(1) If Lock & Unlock buttons of RKE are pushed together more than 4sec, RKE transmits Two Turn Unlock Set/Reset Frame.
(2) If DATA of (1) is received, BCM changes Two Turn Unlock Mode.
(3) In case of Set state, if (1) data is received, mode is changed to Reset, and in case of Reset state if (1) data is received, mode is changed to Set.
(4) In case of mode change, BCM output Hazard Lamp 4 times On/Off(1sec cycle).
T1 : 4.5sec within, T2 : 4sec,
T3 : 1 ± 0.1 sec.
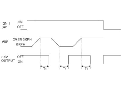
26. 3KM SIGNAL OUTPUT CONTROL
If the vehicle speed is maintained at more than 3km/h for 2 - 3 seconds in the IGN1 ON state, the signal of 3 KM Output-port shall be ON.
T1 : 2.5 ± 0.5 sec.