Operation CHARM: Car repair manuals for everyone.
Manuals through 2025 now available!

Our trusted friends have launched a new website named LEMON, which has newer manuals. It also contains all the CHARM manuals.

LEMON is the spiritual successor to CHARM, I recommend you try it!

Link: lemon-manuals.la or lemon-manuals.org.ua

(Some people have issue connecting. LEMON is investigating. For now, use Firefox or change your DNS server)

Or, hide this message: temporarily or permanently

Overhaul





Disassembly

1. Disconnect the M-terminal (A) on the magnet switch assembly (B).

[REMY]





[VALEO]




2. After loosening the screws (A), detach the magnet switch assembly (B).

[REMY]





[VALEO]




3. Loosen the through bolts (A).

[REMY]





[VALEO]




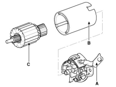
4. Remove the brush holder assembly (A), yoke (B) and armature (C).

[REMY]





[VALEO]




5. REMY : Remove the lever plate (B) and lever packing (A).




VALEO : Remove the lever stop (A).




6. Remove the packing (A) and shield (B). (REMY only)




7. Disconnect the planet gear (A). (REMY only)




8. Disconnect the planet shaft assembly (or reducer assembly) (A) and lever (B).

[REMY]





[VALEO]




9. Press the stopper (A) using a socket (B).




10. After removing the stop ring (A) using stop ring pliers (B).




11. Disconnect the stopper (A), overrunning clutch (B), internal gear (C), planet shaft (or drive shaft) (D) and/or gasket sheet (E).

[REMY]





[VALEO]




12. Reassembly is the reverse of disassembly.

NOTE:
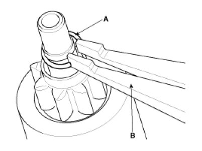
Using a suitable pulling tool (A), pull the overrunning clutch stopper (C) over the stop ring (B).





Inspection

Armature Inspection And Test
1. Remove the starter.
2. Disassemble the starter as shown at the beginning of this procedure.
3. Inspect the armature for wear or damage from contact with the permanent magnet. If there is wear or damage, replace the armature.




4. Check the commutator (A) surface. If the surface is dirty or burnt, resurface with emery cloth or a lathe within the following specifications, or recondition with #500 or #600 sandpaper (B).




5. Measure the commutator (A) runout.
A. If the commutator runout is within the service limit, check the commutator for carbon dust or brass chips between the segments.
B. If the commutator run out is not within the service limit, replace the armature.

Commutator runout
VALEO
Standard (New): 0.02mm (0.0007in.) max
Service limit: 0.05mm (0.0020in.)
REMY
Standard (New): 0.05mm (0.0020in.) max
Service limit: 0.08mm (0.0031in.)




6. Check the mica depth (A). If the mica is too high (B), undercut the mica with a hacksaw blade to the proper depth. Cut away all the mica (C) between the commutator segments. The undercut should not be too shallow, too narrow, or v-shaped (D).

Commutator mica depth
Standard (New) : 0.7 - 0.9mm (0.0276 - 0.0354in)
Limit : 0.4mm (0.0157 in.)




7. Check for continuity between the segments of the commutator. If an open circuit exists between any segments, replace the armature.




8. Check with an ohmmeter that no continuity exists between the commutator (A) and armature coil core (B), and between the commutator and armature shaft (C). If continuity exists, replace the armature.





Inspect Starter Brush
Brushes that are worm out, or oil-soaked, should be replaced.





Starter Brush Holder Test
Check that there is no continuity between the (-) plate (A) and (+) brush holder (B). If there is continuity, replace the brush holder assembly.





Inspect Overrunning Clutch
1. Slide the overrunning clutch along the shaft.
Replace it if does not slide smoothly.
2. Rotate the overrunning clutch both ways.
Does it lock in one direction and rotate smoothly in reverse? If it does not lock in either direction or it locks in both directions, replace it.




3. If the starter drive gear is worn or damaged, replace the overrunning clutch assembly. (the gear is not available separately).
Check the condition of the flywheel or torque converter ring gear if the starter drive gear teeth are damaged.

Cleaning
1. Do not immerse parts in cleaning solvent. Immersing the yoke assembly and/or armature will damage the insulation. Wipe these parts with a cloth only.
2. Do not immerse the drive unit in cleaning solvent. The overrun clutch is pre-lubricated at the factory and solvent will wash lubrication from the clutch.
3. The drive unit may be cleaned with a brush moistened with cleaning solvent and wiped dry with a cloth.