Operation CHARM: Car repair manuals for everyone.
Manuals through 2025 now available!

Our trusted friends have launched a new website named LEMON, which has newer manuals. It also contains all the CHARM manuals.

LEMON is the spiritual successor to CHARM, I recommend you try it!

Link: lemon-manuals.la or lemon-manuals.org.ua

(Some people have issue connecting. LEMON is investigating. For now, use Firefox or change your DNS server)

Or, hide this message: temporarily or permanently

Overhaul





Disassembly

1. Loosen the nuts (B) and then remove the cover (A).




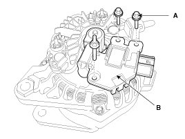
2. Loosen the mounting bolts (A) and remove the regulator assembly (B).




3. Remove the slip ring guide (A).




4. Using the SST (09373-27000), remove the pulley (A).




5. Loosen the 4 bolts (A) and then remove the rear housing (B).




6. Disconnect the rotor (A) and the housing (B).




7. Reassembly is the reverse order of disassembly.

Inspection

Inspect Rotor
1. Check that there is continuity between the slip rings (C).
2. Check that there is no continuity between the slip rings and the rotor (B) or rotor shaft (A).




3. If the rotor fails either continuity check, replace the alternator.

Inspect Stator
1. Check that there is continuity between each pair of leads (A).




2. Check that there is no continuity between each lead and the coil core.
3. If the coil fails either continuity check, replace the alternator.