Operation CHARM: Car repair manuals for everyone.
Manuals through 2025 now available!

Our trusted friends have launched a new website named LEMON, which has newer manuals. It also contains all the CHARM manuals.

LEMON is the spiritual successor to CHARM, I recommend you try it!

Link: lemon-manuals.la or lemon-manuals.org.ua

(Some people have issue connecting. LEMON is investigating. For now, use Firefox or change your DNS server)

Or, hide this message: temporarily or permanently

Antilock Brakes / Traction Control Systems: Testing and Inspection





Failure Diagnosis

1. In principle, ESC and TCS controls are prohibited in case of ABS failure.
2. When ESC or TCS fails, only the failed system control is prohibited.
3. However, when the solenoid valve relay should be turned off in case of ESC failure, refer to the ABS fail-safe.
4. Information on ABS fail-safe is identical to the fail-safe in systems where ESC is not installed.

Memory of Fail Code
1. It keeps the code as far as the backup lamp power is connected. (O)
2. It keeps the code as long as the HCU power is on. (X)

Failure Checkup
1. Initial checkup is performed immediately after the HECU power on.
2. Valve relay checkup is performed immediately after the IG2 ON.
3. It executes the checkup all the time while the IG2 power is on.

Countermeasures In Fail
1. Shut the system down and perform the following actions and wait for HECU power OFF.
2. Turn the valve relay off.
3. Do not perform any ABS/TCS/ESC functions until normal operating condition is restored.

Warning Lamp On
1. ABS warning lamp turns on when ABS is malfunctioning.
2. ESC Function/Warning lamp turns on when ESC is malfunctioning.
When power voltage and valve relay voltage are abnormal, input/output related failure judgment is not made.

Standard Flow Of Diagnostic Troubleshooting





Notes With Regard To Diagnosis
The phenomena listed in the following table are not abnormal.






ABS Check Sheet





Problem Symptoms Table






CAUTION:
During ABS operation, the brake pedal may vibrate or may not be able to be depressed. Such phenomena are due to intermittent changes in hydraulic pressure inside the brake line to prevent the wheels from locking and is not an abnormality.




Detecting Condition






Inspection procedures
DTC Inspection
1. Connect the GDS with the data link connector and turn the ignition switch ON.
2. Verify that the system is operating to specifications.
3. Is the system operating to specifications?






Check the power source circuit
1. Disconnect the connector from the ESC control module.
2. Turn the ignition switch ON, measure the voltage between terminal 32 of the ESC control module harness side connector and body ground.

Specification:approximately B+

3. Is the voltage within specification?










Check the ground circuit
1. Disconnect the connector from the ESC control module.
2. Check for continuity between terminals 13, 38 of the ESC control module harness side connector and ground point.
3. Is there continuity?










Check the wheel speed sensor circuit
1. Refer to the DTC troubleshooting procedures.
2. Is the system operating to specifications?






Check the hydraulic circuit for leakage
1. Refer to the hydraulic lines.
2. Inspect leakage of the hydraulic lines.
3. Is the system operating to specifications?









Detecting Condition






Inspection procedures
DTC Inspection
1. Connect the GDS with the data link connector and turn the ignition switch ON.
2. Verify that the system is operating to specifications.
3. Is the system operating to specifications?






Check the wheel speed sensor circuit
1. Refer to the DTC troubleshooting procedures.
2. Is the system operating to specifications?






Check the hydraulic circuit for leakage
1. Refer to the hydraulic lines.
2. Inspect leakage of the hydraulic lines.
3. Is the system operating to specifications?









Detecting Condition






Inspection procedures
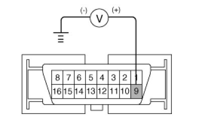
Check the power supply circuit for the diagnosis
1. Measure the voltage between terminal 9 of the data link connector and body ground.

Specification:approximately B+

2. Is voltage within specification?










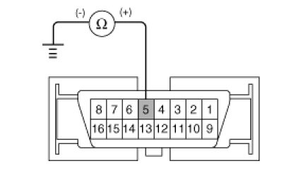
Check the ground circuit for the diagnosis
1. Check for continuity between terminal 5 of the data link connector and body ground.
2. Is there continuity?














Detecting Condition






Inspection procedures
Check for continuity in the diagnostic line
1. Disconnect the connector from the ESC control module.
2. Check for continuity between terminals 17 of the ESC control module connector and 1 of the data link connector.
3. Is there continuity?






Check the power source of ESC control module
1. Disconnect the connector from the ESC control module.
2. Turn the ignition switch ON, measure the voltage between terminal 32 of the ESC control module harness side connector and body ground.

Specification:approximately B+

3. Is voltage within specification?










Check for poor ground
Check for continuity between terminal 5 of the data link connector and ground point.














Detecting Condition






Inspection procedures
Problem verification
1. Disconnect the connector from the ESC control module and turn the ignition switch ON.
2. Does the ABS warning lamp light up?






Check the power source for the ABS warning lamp
1. Disconnect the instrument cluster connector(M15-B) and turn the ignition switch ON.
2. Measure the voltage between terminal 15 of the cluster harness side connector(M15-B) and body ground.

Specification:approximately B+

3. Is voltage within specification?










Check for blown fuse
1. Check continuity of fuse (10A) from the engine compartment junction block.
2. Is there continuity?









Detecting Condition






Inspection procedures
Check DTC output
1. Connect the GDS to the 16P data link connector located behind the driver's side kick panel.
2. Check the DTC output using GDS.
3. Is DTC output?






Check instrument cluster
1. Disconnect the cluster connector and turn the ignition switch ON.
2. Does the ABS warning lamp remains ON?






Check for open in the wire
1. Check for continuity in the wire between cluster and ESC control module.
2. Is there continuity?






Bleeding of Brake System
This procedure should be followed to ensure adequate bleeding of air and filling of the ABS unit, brake lines and master cylinder with brake fluid.
1. Remove the reservoir cap and fill the brake reservoir with brake fluid.

CAUTION:
If there is any brake fluid on any painted surface, wash it off immediately.

NOTE:
When pressure bleeding, do not depress the brake pedal.
Recommended fluid. DOT3 or DOT4

2. Connect a clear plastic tube to the wheel cylinder bleeder plug and insert the other end of the tube into a half filled clear plastic bottle.
3. Connect the GDS to the data link connector located underneath the dash panel.
4. Select and operate according to the instructions on the GDS screen.

CAUTION:
You must obey the maximum operating time of the ABS motor with the GDS to prevent the motor pump from burning.

(1) Select vehicle name.
(2) Select Anti-Lock Brake system.
(3) Select air bleeding mode.




(4) Press "OK" to operate motor pump and solenoid valve.




(5) Wait 60 sec. before operating the air bleeding. (If not, you may damage the motor.)




(6) Perform the air bleeding.




5. Pump the brake pedal several times, and then loosen the bleeder screw until fluid starts to run out without bubbles. Then close the bleeder screw(A).




6. Repeat step 5 until there are no more bubbles in the fluid for each wheel.




7. Tighten the bleeder screw.

Bleed screw tightening torque:
6.9 - 12.7N.m (0.7 - 1.3kgf.m, 5.1 - 9.4lb-ft)